E
EPC Data
Pricing
Sign In
Home
›
GR
›
631340
›
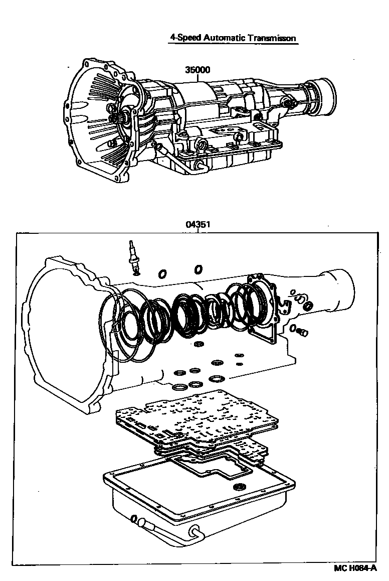
TRANSAXLE OR TRANSMISSION ASSY & GASKET KIT (ATM)
TRANSAXLE OR TRANSMISSION ASSY & GASKET KIT (ATM)
04351
GASKET KIT, AUTOMATIC TRANSMISSION OVERHAUL
main
04351-22060
i
YM30,35..4FC
198808-199201
35000
TRANSMISSION ASSY, AUTOMATIC
main
35000-27150
i
YM30,35..4FC
198808-199201
2 parts on this diagram · 1 diagram in section
TRANSAXLE OR TRANSMISSION ASSY & GASKET KIT (ATM) — Toyota Parts Diagram with OEM Numbers & Prices | EPC Data