E
EPC Data

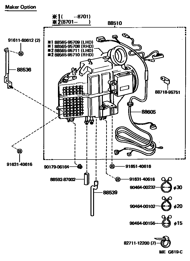
HEATING & AIR CONDITIONING - COOLER UNIT

Parts diagram
88510UNIT ASSY, COOLER
main88510-95718i198509-198704
main88510-95719i198509-198704
main88510-95723i198509-198808
DEALER OPTION; FR
main88510-95724i198509-198808
RR
main88510-95725i198704-198808
MAKER OPTION
main88510-95726i198704-198808
main88510-95729i198704-198808
main88510-95730i198704-198808
88536BRACKET, COOLING UNIT, NO.1
main88688-95747i198509-198808
main88688-95748i198509-198808
88539HOSE, COOLER UNIT DRAIN, NO.1
main88539-95708i198509-198808
COOL BOX
main88539-95709i198509-198808
FR
main88539-95710i198509-198808
RR
88605HARNESS SUB-ASSY, COOLER WIRING, NO.1
main88605-95720i198601-198808
main88605-95722i198509-198808
W/*ODAC,FR
main88605-95724i198509-198808
W/*ODAC,RR
main88605-95725i198509-198808
main88605-95726i198509-198808
main88605-95727i198509-198808
main88605-95728i198509-198808
main88605-95729i198509-198808
main88605-95733i198601-198808
8271112200WIRE, FUSE TO FUSE(FOR COMBUSTION HEATER)
8856595708BRACKET, COOLER DUCT
8856595709BRACKET, COOLER DUCT
8856595710BRACKET, COOLER DUCT
8856595711BRACKET, COOLER DUCT
8859287002RETAINER (FOR COOLER UNIT BRACKET)
8871895751PIPE, COOLER REFRIGERANT SUCTION, NO.2
9017906164
9046400102
9046400156
9046400232
9161160612
9163140616
9165140616

18 parts on this diagram · 7 diagrams in section

HEATING & AIR CONDITIONING - COOLER UNIT — Toyota Parts Diagram with OEM Numbers & Prices | EPC Data