E
EPC Data

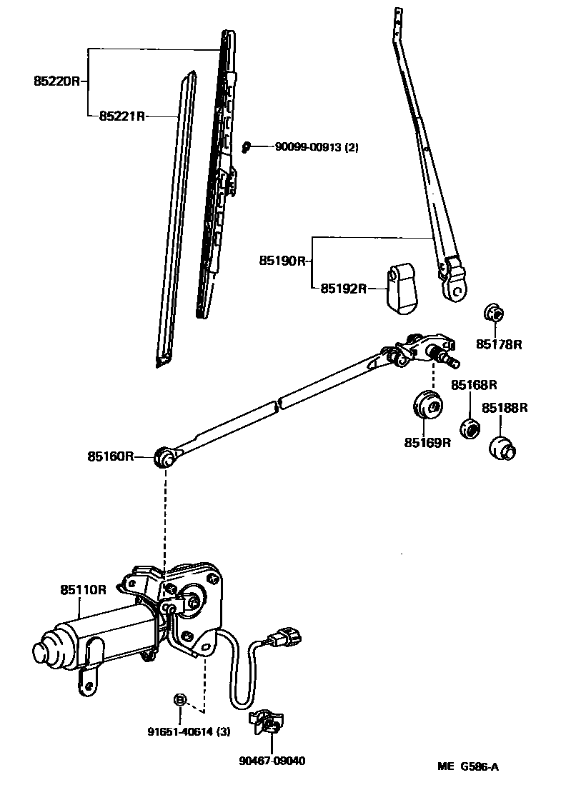
REAR WIPER

Parts diagram
85110RMOTOR ASSY, REAR WIPER
main85120-95719i198509-198808
85160RLINK ASSY, REAR WIPER
main85160-95709i198509-198808
85168RNUT, REAR WIPER LINK PIVOT, NO.1
main85168-95010i198509-198808
85169RWASHER, REAR WIPER LINK PIVOT, NO.1
main85179-95702i198509-198808
85178RNUT (FOR REAR WIPER ARM SETTING)
main90179-06070i198509-198808
85188RCAP, REAR WIPER PIVOT, NO.1
main85178-95700i198509-198808
85190RARM ASSY, REAR WIPER
main85190-95718i198509-198808
85192RCOVER, REAR WIPER ARM
main85195-95J01i198509-198808
85220RBLADE ASSY, REAR WIPER
main85220-22370i198509-198808
85221RBLADE, REAR WIPER
main85221-87002i198509-198708
main85221-87003i198708-198808
9009900913
9046709040
9165140614

13 parts on this diagram · 1 diagram in section

REAR WIPER — Toyota Parts Diagram with OEM Numbers & Prices | EPC Data