INDICATOR

3312
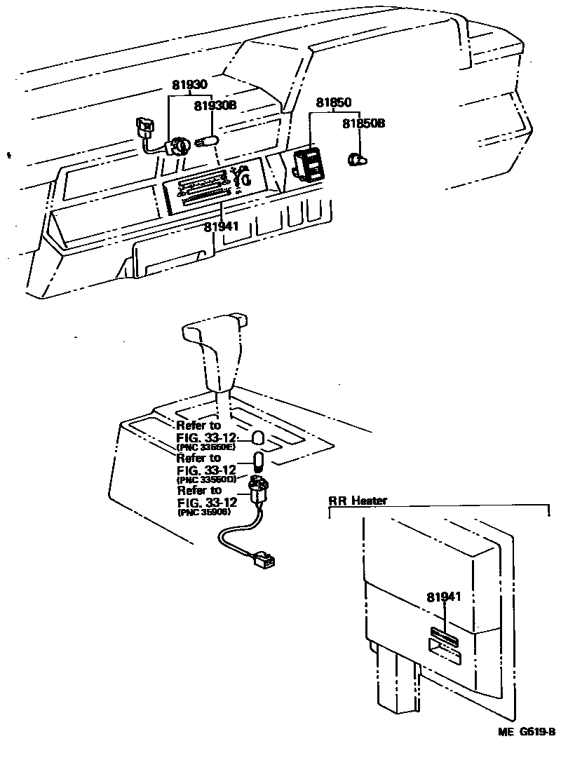
81850LAMP ASSY, INDICATOR
81850BBULB, INDICATOR LAMP
12V 1.12W,12V 1.0KW
81930LAMP ASSY, HEATER CONTROL INDICATOR, NO.1
81930BBULB, HEATER CONTROL INDICATOR LAMP
14V 1.4W,12V 1.4W
81941PLATE, HEATER CONTROL NAME
FR,W/HEATER
FR,W/*BV
RR
6 parts on this diagram · 1 diagram in section