E
EPC Data
Pricing
Sign In
Home
›
GR
›
631330
›
TRANSAXLE OR TRANSMISSION ASSY & GASKET KIT (ATM)
TRANSAXLE OR TRANSMISSION ASSY & GASKET KIT (ATM)
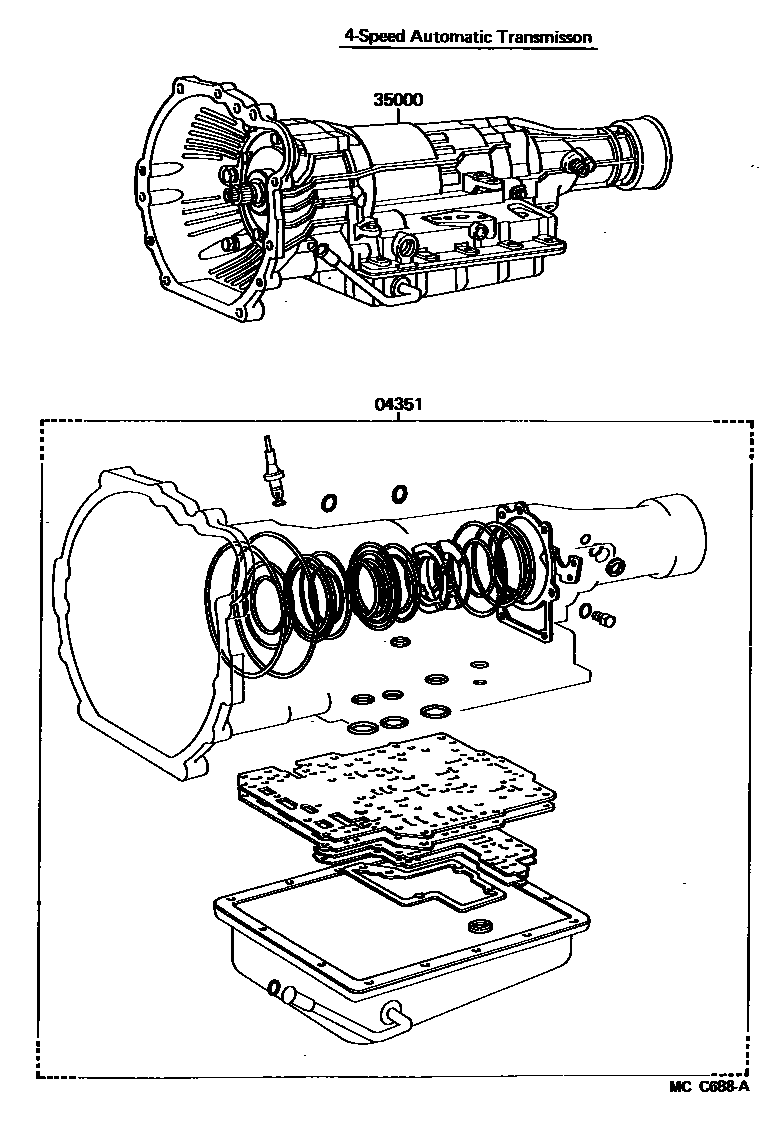
04351
GASKET KIT, AUTOMATIC TRANSMISSION OVERHAUL
main
04351-22060
i
YM30,35..4FC
198509-198808
35000
TRANSMISSION ASSY, AUTOMATIC
main
35000-27070
i
YM30,35..4FC
198509-198608
main
35000-27150
i
YM30,35..4FC
198608-198808
2 parts on this diagram · 1 diagram in section
TRANSAXLE OR TRANSMISSION ASSY & GASKET KIT (ATM) — Toyota Parts Diagram with OEM Numbers & Prices | EPC Data