E
EPC Data

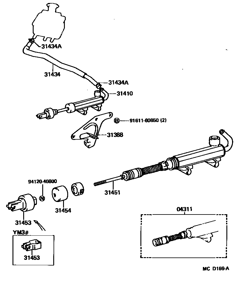
CLUTCH MASTER CYLINDER

Parts diagram
04311CYLINDER KIT, CLUTCH MASTER
main04311-27010i198509-198808
31388SUPPORT, CLUTCH MASTER CYLINDER
main55105-95707i198509-198808
main55105-95708i198509-198808
31410CYLINDER ASSY, CLUTCH MASTER
main31420-27070i198509-198710
main31420-27072i198710-198808
main31420-27080i198509-198710
main31420-27082i198710-198808
31434TUBE, CLUTCH RESERVOIR
main31434-27040i198509-198808
main31434-27050i198509-198808
31434ACLIP(FOR CLUTCH RESERVOIR TUBE)
main96132-30800×2i198509-198808
31451ROD, CLUTCH MASTER CYLINDER PUSH
main31451-27020i198509-198808
31453CLEVIS, CLUTCH MASTER CYLINDER PUSH ROD
main31404-27010i198509-198808
31454BOOT, CLUTCH MASTER CYLINDER
main31454-27010i198509-198808
9161160850
9412040800

10 parts on this diagram · 1 diagram in section

CLUTCH MASTER CYLINDER — Toyota Parts Diagram with OEM Numbers & Prices | EPC Data