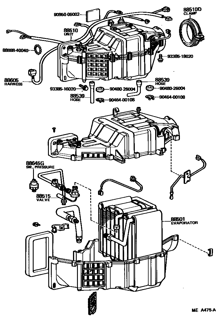
HEATING & AIR CONDITIONING - COOLER UNIT

88501EVAPORATOR SUB-ASSY, COOLER, NO.1
88510UNIT ASSY, COOLER
88510DCLAMP, COOLER UNIT
88515VALVE, COOLER EXPANSION
88539HOSE, COOLER UNIT DRAIN, NO.1
88605HARNESS SUB-ASSY, COOLER WIRING, NO.1
W/HEATER
88645GSWITCH, PRESSURE
TOKAIRIKA
DENSO
8888840040BAND (FOR COOLER COMPRESSOR)
main88888-40040
9046400108
main90464-00108
9048026004
main90480-26004
9095006002
main90950-06002
9338516020
main93385-16020
9338518020
main93385-18020
13 parts on this diagram · 3 diagrams in section