E
EPC Data

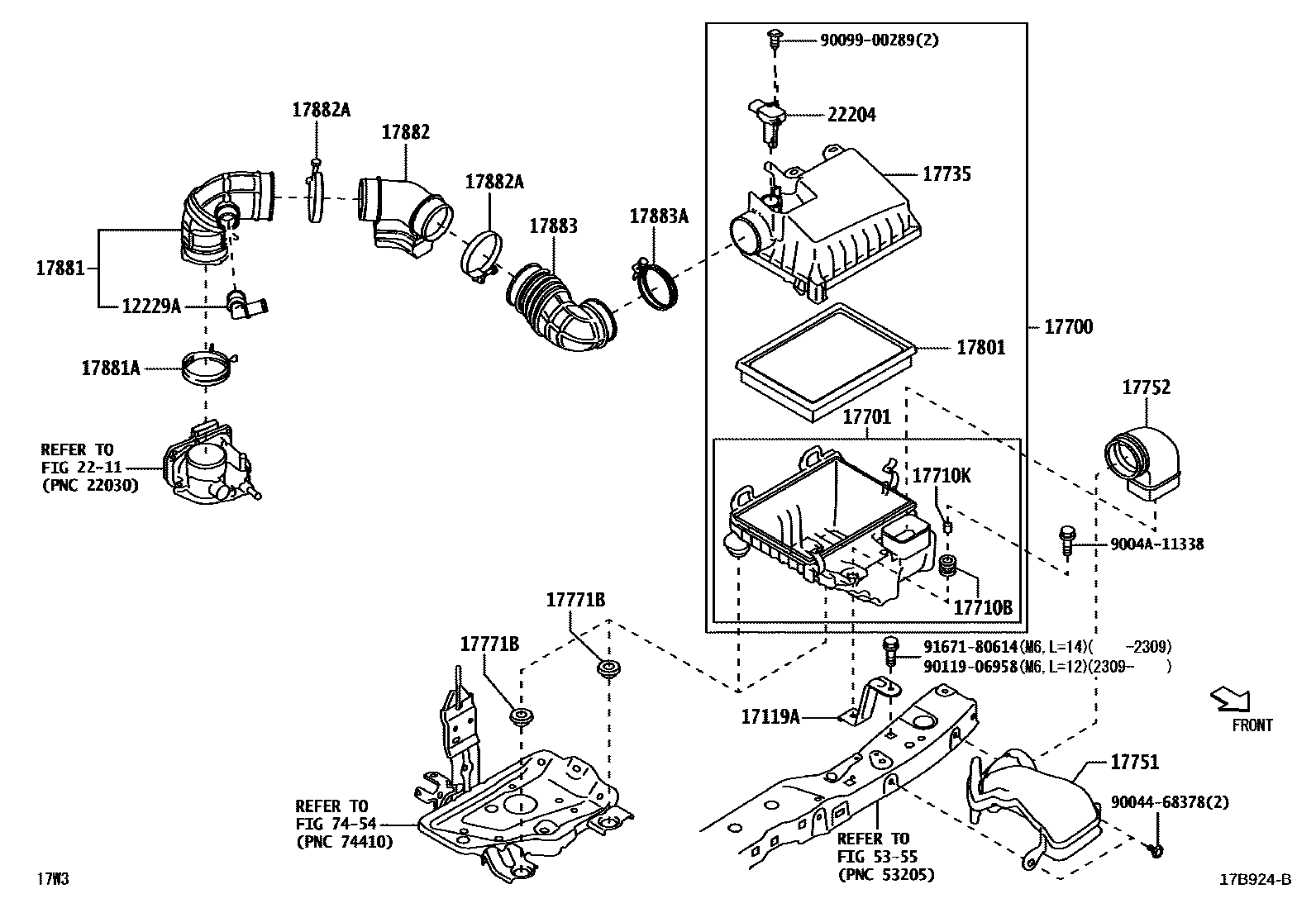
AIR CLEANER

Parts diagram
12229APIPE, VENTILATION
main12229-BZ020i202206
17119ABRACKET, AIR CLEANER
main17771-BZ150i202206-202309
main17771-BZ151i202309
17700CLEANER ASSY, AIR
main17700-BZ270i202206
17701CASE SUB-ASSY, AIR CLEANER
main17701-BZ210i202206
17710BGROMMET
main90044-80392i202206
17710KCOLLAR(FOR AIR CLEANER)
main90042-09117i202206
17735CAP, AIR CLEANER
main17735-BZ040i202206
17751INLET, AIR CLEANER, NO.1
main17751-BZ160i202206
17752INLET, AIR CLEANER, NO.2
main17752-BZ100i202206
17771BGROMMET(FOR AIR CLEANER BRACKET)
main9004A-48062×2i202206
17801ELEMENT SUB-ASSY, AIR CLEANER FILTER
main17801-BZ110i202206
17881HOSE, AIR CLEANER, NO.1
main17881-BZ270i202206
17881ACLAMP(FOR AIR CLEANER HOSE, NO.1)
main90466-62002i202206
17882HOSE, AIR CLEANER, NO.2
main17882-BZ100i202206
17882ACLAMP(FOR AIR CLEANER HOSE, NO.2)
main9004A-46128×2i202409
main96111-10710×2i202206-202408
17883HOSE, AIR CLEANER, NO.3
main17883-BZ040i202206
17883ACLAMP(FOR AIR CLEANER HOSE, NO.3)
main90460-T0017i202206
2211
22204METER SUB-ASSY, INTAKE AIR FLOW
main22204-BZ010i202206
5355
7454
9004468378
9004A11338
9009900289
9011906958
9167180614

26 parts on this diagram · 1 diagram in section

AIR CLEANER — Toyota Parts Diagram with OEM Numbers & Prices | EPC Data