E
EPC Data

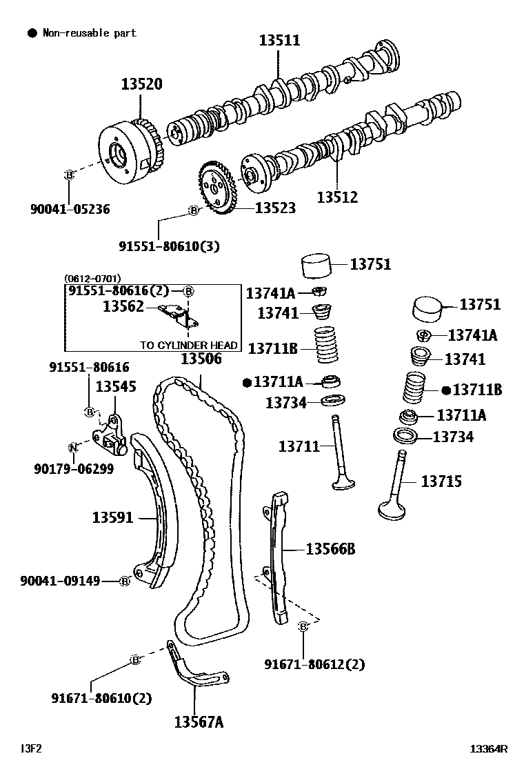
CAMSHAFT & VALVE

Parts diagram
13506CHAIN SUB-ASSY
main13506-BZ020i200612-201503
13511CAMSHAFT
main13501-B1020i200612-201009
JAPAN SOURCED PARTS
main13501-BZ020i200612-201009
LOCAL SOURCED PARTS
main13501-BZ020i201010-201503
13512CAMSHAFT, NO.2
main13502-97401i200710-201009
JAPAN SOURCED PARTS
main13502-BZ010i201010-201503
main13502-BZ010i200612-201009
LOCAL SOURCED PARTS
13520SPROCKET ASSY, CAMSHAFT TIMING
main13520-B1020i200612-200709
main13520-BZ030i200710-201503
13523GEAR OR SPROCKET, CAMSHAFT TIMING
main13523-BZ040i200612-201503
13545PLUNGER, CHAIN TENSIONER
main13545-BZ010i200612-200912
main13545-BZ011i201001-201503
13562DAMPER, CHAIN VIBRATION, NO.2
main13562-BZ010i200612-200701
13566BGUIDE, TIMING CHAIN
main13566-BZ010i200612-201503
13567AGUIDE, TIMING CHAIN, NO.2
main13567-BZ020i200612-201503
13591ARM, TIMING CHAIN TENSION
main13591-BZ010i200612-201503
13711VALVE, INTAKE
main13711-BZ060i200712-201503
MARK = I & 2
main13711-BZ070i200612-200803
LABEL = T
13711ASEAL OR RING, O(FOR VALVE STEM OIL)
main9004A-31023i200612-201503
13711BSPRING, COMPRESSION(FOR INNER)
main9004A-50087i200612-201503
13715VALVE, EXHAUST
main13715-BZ060i200712-201503
MARK = E & 2
main13715-BZ070i200612-200803
MARK = S
13734SEAT, VALVE SPRING
main13734-87206i200612-201503
13741RETAINER, VALVE SPRING
main13741-97401i200612-201503
13741ALOCK, VALVE SPRING RETAINER
main90048-13013i200612-201503
13751LIFTER, VALVE
main13751-BZ030i200612-201512
T=5.12
main13751-BZ040i200612-201512
T=5.14
main13751-BZ050i200612-201512
T=5.16
main13751-BZ060i200612-201512
T=5.18
main13751-BZ070i200612-201512
T=5.20
main13751-BZ080i200612-201512
T=5.22
main13751-BZ090i200612-201512
T=5.24
main13751-BZ100i200612-201512
T=5.26
main13751-BZ110i200612-201512
T=5.28
main13751-BZ120i200612-201512
T=5.30
main13751-BZ130i200612-201512
T=5.32
main13751-BZ140i200612-201512
T=5.34
main13751-BZ150i200612-201512
T=5.36
main13751-BZ160i200612-201512
T=5.38
main13751-BZ170i200612-201512
T=5.40
main13751-BZ180i200612-201512
T=5.42
main13751-BZ190i200612-201512
T=5.44
main13751-BZ200i200612-201512
T=5.46
main13751-BZ210i200612-201512
T=5.48
main13751-BZ220i200612-201512
T=5.50
main13751-BZ230i200612-201512
T=5.52
main13751-BZ240i200612-201512
T=5.54
main13751-BZ250i200612-201512
T=5.56
main13751-BZ260i200612-201512
T=5.58
main13751-BZ270i200612-201512
T=5.60
main13751-BZ280i200612-201512
T=5.62
main13751-BZ290i200612-201512
T=5.64
main13751-BZ300i200612-201512
T=5.66
main13751-BZ310i200612-201512
T=5.68
main13751-BZ340i201601
T=5.12
main13751-BZ350i201601
T=5.14
main13751-BZ360i201601
T=5.16
main13751-BZ370i201601
T=5.18
main13751-BZ380i201601
T=5.20
main13751-BZ390i201601
T=5.22
main13751-BZ400i201601
T=5.24
main13751-BZ410i201601
T=5.26
main13751-BZ420i201601
T=5.28
main13751-BZ430i201601
T=5.30
main13751-BZ440i201601
T=5.32
main13751-BZ450i201601
T=5.34
main13751-BZ460i201601
T=5.36
main13751-BZ470i201601
T=5.38
main13751-BZ480i201601
T=5.40
main13751-BZ490i201601
T=5.42
main13751-BZ500i201601
T=5.44
main13751-BZ510i201601
T=5.46
main13751-BZ520i201601
T=5.48
main13751-BZ530i201601
T=5.50
main13751-BZ540i201601
T=5.52
main13751-BZ550i201601
T=5.54
main13751-BZ560i201601
T=5.56
main13751-BZ570i201601
T=5.58
main13751-BZ580i201601
T=5.60
main13751-BZ590i201601
T=5.62
main13751-BZ600i201601
T=5.64
main13751-BZ610i201601
T=5.66
main13751-BZ620i201601
T=5.68
9004105236
9004109149
9017906299
9155180610
9155180616
9167180610
9167180612

25 parts on this diagram · 1 diagram in section

CAMSHAFT & VALVE — Toyota Parts Diagram with OEM Numbers & Prices | EPC Data