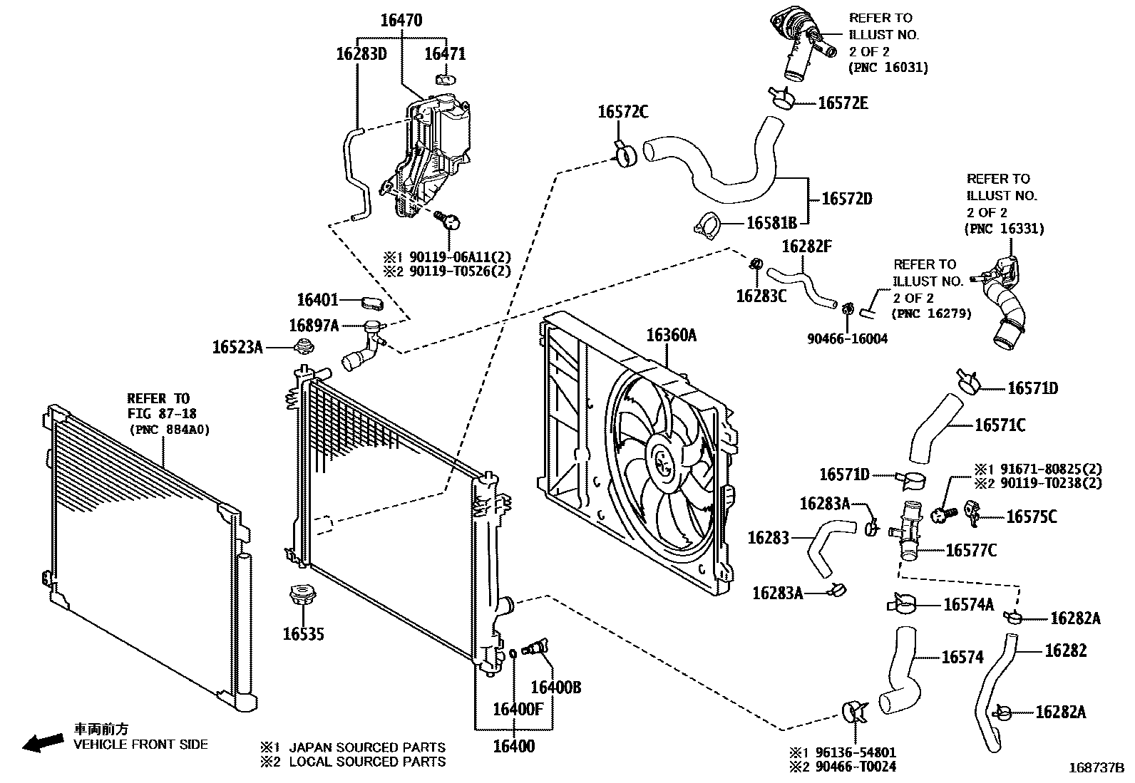
RADIATOR & WATER OUTLET

16282HOSE, WATER BY-PASS, NO.5
16282ACLAMP OR CLIP(FOR WATER BY-PASS HOSE NO.5)
(L)
(J)
16282FHOSE, WATER BY-PASS, NO.5
16283HOSE, WATER BY-PASS, NO.6
16283ACLAMP OR CLIP(FOR WATER BY-PASS HOSE NO.6)
(L)
(J)
16283CCLAMP OR CLIP(FOR WATER BY-PASS HOSE)
16283DHOSE, WATER BY-PASS, NO.6
16360AFAN ASSY, W/MOTOR
16400RADIATOR ASSY
16400BPLUG, RADIATOR DRAIN COCK
16400FPACKING(FOR RADIATOR DRAIN COCK)
16401CAP SUB-ASSY, RADIATOR
16470TANK ASSY, RADIATOR RESERVE
16471CAP SUB-ASSY, RESERVE TANK
16523ACUSHION, RADIATOR SUPPORT
16535SUPPORT, RADIATOR, LOWER
16571CHOSE, RADIATOR, NO.1
16571DCLIP, RADIATOR HOSE, NO.1
(L)
(J)
16572CCLAMP OR CLIP, HOSE(FOR RADIATOR OUTLET NO.2)
(L)
(J)
16572DHOSE, RADIATOR, NO.2
16572ECLIP, RADIATOR HOSE, NO.2
(L)
(J)
16574HOSE, RADIATOR, NO.4
16574ACLIP, RADIATOR HOSE, NO.4
(L)
(J)
16575CBRACKET, WATER HOSE CLAMP, NO.1
16577CPIPE, RADIATOR
16581BCLAMP, HOSE(FOR RADIATOR HOSE)
16897ANECK, FILLER
8718HEATING & AIR CONDITIONING - COOLER PIPING
9011906A11
main90119-06A11
90119T0238
main90119-T0238
90119T0526
main90119-T0526
9046616004
main90466-16004
90466T0024
main90466-T0024
9167180825
main91671-80825
9613654801
main96136-54801
35 parts on this diagram · 6 diagrams in section