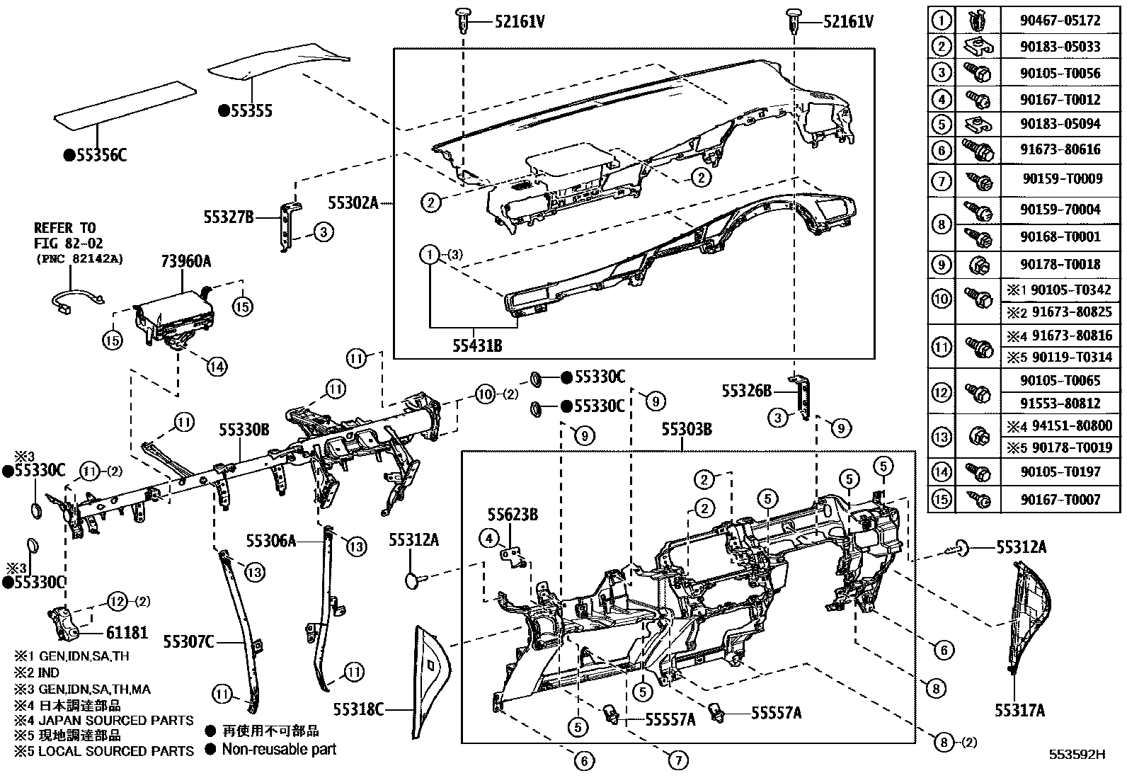
INSTRUMENT PANEL & GLOVE COMPARTMENT

52161VPIECE, INSTRUMENT PANEL
55302APANEL SUB-ASSY, INSTRUMENT, UPPER
BLACK,TRIM2#,4#
main55302-KK020-C0iGUN143..28E,N;TGN140..PHLP..N;TGN140..PHLP..6FC..20E;TGN140..IDNP..(20E,N)..PHL; TGN140..20E..VN202009
BLACK,TRIM2#; BLACK,TRIM2#,4#
BLACK,TRIM2#
BLACK,TRIM2#,4#
BLACK,TRIM2#
main55302-KK240-C0iGUN142,TGN141..(24V,27V)..IND..(DCRL,HTWC); GUN142,TGN141..(24Z,27Z)..(DCRL,HTWC)201604-202010
BLACK,TRIM2#; BLACK,TRIM2#,4#
55303BPANEL SUB-ASSY, INSTRUMENT, LOWER
BLACK,TRIM2#,4#
main55303-KK020-C0iGUN143..28E,N;TGN140..PHLP..N;TGN140..PHLP..6FC..20E;TGN140..IDNP..(20E,N)..PHL; TGN140..20E..VN;GUN143,TGN140..(20,28,28V)..PHL202009
BLACK,TRIM2#; BLACK,TRIM2#,4#
55306ABRACE SUB-ASSY, INSTRUMENT PANEL, NO.1
55307CBRACE SUB-ASSY, INSTRUMENT PANEL, NO.2
55312ACLIP, INSTRUMENT PANEL
BLACK; BLACK,TRIM2#,4#
55317APANEL, INSTRUMENT SIDE, RH
BLACK,TRIM2#,4#
BLACK,TRIM2#
main55317-KK100-C0iGUN143..PHLP..28V; TGN140..PHLP..6FC..20E;GUN143,TGN140..PHLP..(28E,N)201604-202102
BLACK,TRIM2#; BLACK,TRIM2#,4#
55318CPANEL, INSTRUMENT SIDE, LH
main55318-KK010-C0iGUN143..28E,N;TGN140..PHLP..N;TGN140..PHLP..6FC..20E;TGN140..IDNP..(20E,N)..PHL; TGN140..20E..VN;GUN143,TGN140..(20,28,28V)..PHL202009
BLACK,TRIM2#; BLACK,TRIM2#,4#
BLACK,TRIM2#,4#
main55318-KK100-C0iGUN142,TGN141..(6F,6FC)..(24,24Z,27Z); TGN141..27G;GUN142..6FC..24G..IND202011-202301
BLACK,TRIM2#; BLACK,TRIM2#,4#
55326BSTAY, INSTRUMENT PANEL, RH
55327BSTAY, INSTRUMENT PANEL, LH
55330BREINFORCEMENT ASSY, INSTRUMENT PANEL
55330CPLUG, HOLE(FOR INSTRUMENT PANEL)
55355CUSHION, INSTRUMENT PANEL, NO.1
55356CCUSHION, INSTRUMENT PANEL, NO.2
55431BPANEL, INSTRUMENT PANEL FINISH, UPPER
BLACK,TRIM2#
main55431-KK100-C0iGUN143..28E,N;TGN140..PHLP..N;TGN140..PHLP..6FC..20E;TGN140..IDNP..(20E,N)..PHL; TGN140..20E..VN202009
BLACK,TRIM2#; BLACK,TRIM2#,4#
55557ACUSHION, GLOVE COMPARTMENT DOOR CHECK
55623BSPRING, INSTRUMENT PANEL CUP HOLDER
61181BRACKET, INSTRUMENT PANEL SIDE
main61181-KK020iTGN140..20E..VN;TGN140..IDNP..PHL;TGN140..(PHLP,VNP)..(20V,N);TGN140..PHLP..6FC..(20,20E);GUN143,TGN141..(27V,28,28E,28V,N)..(PHL,VN)202009
73960AAIRBAG ASSY, INSTRUMENT PANEL PASSENGER W/O DOOR
8202WIRING & CLAMP
90105T0056
main90105-T0056
90105T0065
main90105-T0065
90105T0197
main90105-T0197
90105T0342
main90105-T0342
90119T0314
main90119-T0314
9015970004
main90159-70004
90159T0009
main90159-T0009
90167T0007
main90167-T0007
90167T0012
main90167-T0012
90168T0001
main90168-T0001
90178T0018
main90178-T0018
90178T0019
main90178-T0019
9018305033
main90183-05033
9018305094
main90183-05094
9046705172
main90467-05172
9155380812
main91553-80812
9167380616
main91673-80616
9167380816
main91673-80816
9167380825
main91673-80825
9415180800
main94151-80800
40 parts on this diagram · 8 diagrams in section