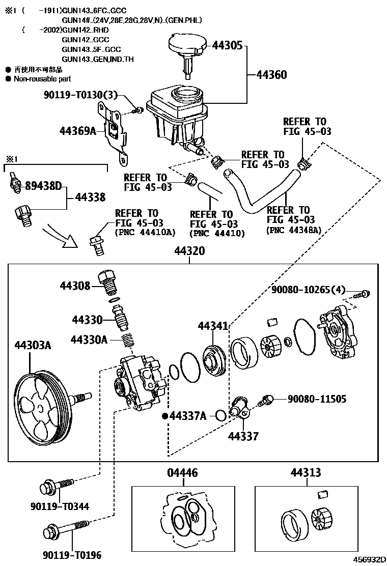
VANE PUMP & RESERVOIR (POWER STEERING)

04446GASKET KIT, POWER STEERING PUMP
44303ASHAFT SUB-ASSY, W/PULLEY
main44303-06040iGUN142..GEN,IDN;TGN141..5F..27..LA;GUN143,TGN141..6FC..(GCC,LA);GUN143,TGN140..IDNP..(IDN,PHL,TH)201511-202008
44305CAP SUB-ASSY, VANE PUMP OIL RESERVOIR
44308UNION SUB-ASSY, PRESSURE PORT
44313ROTOR, VANE PUMP
44320PUMP ASSY, VANE
44330VALVE ASSY, FLOW CONTROL
MARK A
MARK B
MARK C
MARK D
MARK E
MARK F
main44330-0K250iGUN142..5F..24V..IDN;GUN142..5F..(24G,24Z,G);GUN142..6FC..(IDN,MA,TH);GUN143..(28,28E,28V,N)..PHL202009
MARK A
MARK B
MARK C
MARK D
MARK E
main44330-0K300iGUN142..5F..24V..IDN;GUN142..5F..(24G,24Z,G);GUN142..6FC..(IDN,MA,TH);GUN143..(28,28E,28V,N)..PHL202009
MARK F
44330ASPRING, COMPRESSION(FOR FLOW CONTROL VALVE)
main90501-T0001iTGN140..GEN,TH;GUN14#,TGN141..(20G,24V,27,28,28V,G,SRV)..(GCC,GEN,LA,TH)202009-202304
44337UNION, POWER STEERING SUCTION PORT
44337ARING, O(FOR POWER STEERING SUCTION PORT)
44341PLATE, VANE PUMP SIDE, FRONT
44360RESERVOIR ASSY, VANE PUMP OIL
44369ABRACKET, OIL RESERVOIR, NO.1
MARK 1
W/O MARK
4503
89438DSWITCH, POWER STEERING OIL PRESSURE
9008010265
main90080-10265
9008011505
main90080-11505
90119T0130
main90119-T0130
90119T0196
main90119-T0196
90119T0344
main90119-T0344
21 parts on this diagram · 2 diagrams in section