E
EPC Data

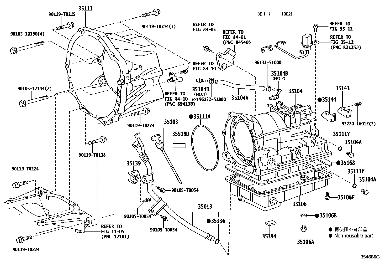
TRANSMISSION CASE & OIL PAN (ATM)

Parts diagram
1105CYLINDER BLOCK
35013TUBE SUB-ASSY, TRANSMISSION OIL FILLER
main35013-0K010i200808
main35013-0K020i200808-201107
main35013-0K030i200808
main35013-0K050i200707-201111
main35013-0K060i201111
35103GAGE SUB-ASSY, TRANSMISSION OIL LEVEL
main35103-0K010i200408-200809
main35103-0K020i200412-200808
main35103-0K030i200808
main35103-0K040i200707-201111
main35103-0K050i201111
35104CASE SUB-ASSY, AUTOMATIC TRANSMISSION
main35104-26060i200408-200510
main35104-26061i200808
main35104-28060i200808
main35104-35021i200412-200510
main35104-35022i200808-201107
35104APLUG, AUTOMATIC TRANSMISSION CASE
main90341-08001×2i200408
35104BPLUG, BREATHER, NO.1 (ATM)
main90930-03098i200408-201111
NO.2
main90930-03168i200808
NO.1
main90930-03174i200408
NO.2
35104VHOSE (FOR BREATHER PLUG)
main90445-11118i200408-201111
main90447-11054i200408
35106PAN SUB-ASSY, AUTOMATIC TRANSMISSION OIL
main35106-25050i200408
main35106-71010i200808-201107
main35106-71020i200408-200809
35106APLUG SUB-ASSY, DRAIN (ATM)
main90341-10011i200408
35106BGASKET, DRAIN PLUG (ATM)
main35178-30010i200408
35106FBOLT (FOR AUTOMATIC TRANSMISSION OIL PAN)
main90119-06117×14i200808-201202
main90119-06173×14i201301-201606
main90119-06513×19i200808-201202
35111HOUSING, AUTOMATIC TRANSMISSION
main35111-26070i200408
main35111-35090i200408-200809
main35111-71010i200808-201107
35111ARING, O (FOR AUTOMATIC TRANSMISSION HOUSING)
main90301-99054i200408
35111YRING, O (FOR AUTOMATIC TRANSMISSION CASE)
main90301-06196×2i200408
3512VALVE BODY & OIL STRAINER (ATM)
35139BRACKET, OIL FILLER TUBE
main35139-0K010i200808
35143COVER, TRANSMISSION CASE, REAR
main35143-22010i200408
35144GASKET, TRANSMISSION CASE REAR COVER
main35144-28010i200408
35168GASKET, AUTOMATIC TRANSMISSION OIL PAN
main35168-22011i200408
35336RING, O (FOR TRANSMISSION OIL FILLER TUBE)
main90301-09011i200408-200501
main90301-09173i200408
35394MAGNET, OIL CLEANER (FOR TRANSMISSION)
main35394-30011×3i200408-201111
35519DLABEL, AUTOMATIC TRANSMISSION INFORMATION
main35519-20030i200408
8401SWITCH & RELAY & COMPUTER
8410OVERDRIVE & ELECTRONIC CONTROLLED TRANSMISSION
9010510190
9010512144
90105T0054
90119T0138
90119T0214
90119T0215
90119T0224
9322016012
9613251000

33 parts on this diagram · 3 diagrams in section

TRANSMISSION CASE & OIL PAN (ATM) — Toyota Parts Diagram with OEM Numbers & Prices | EPC Data