E
EPC Data

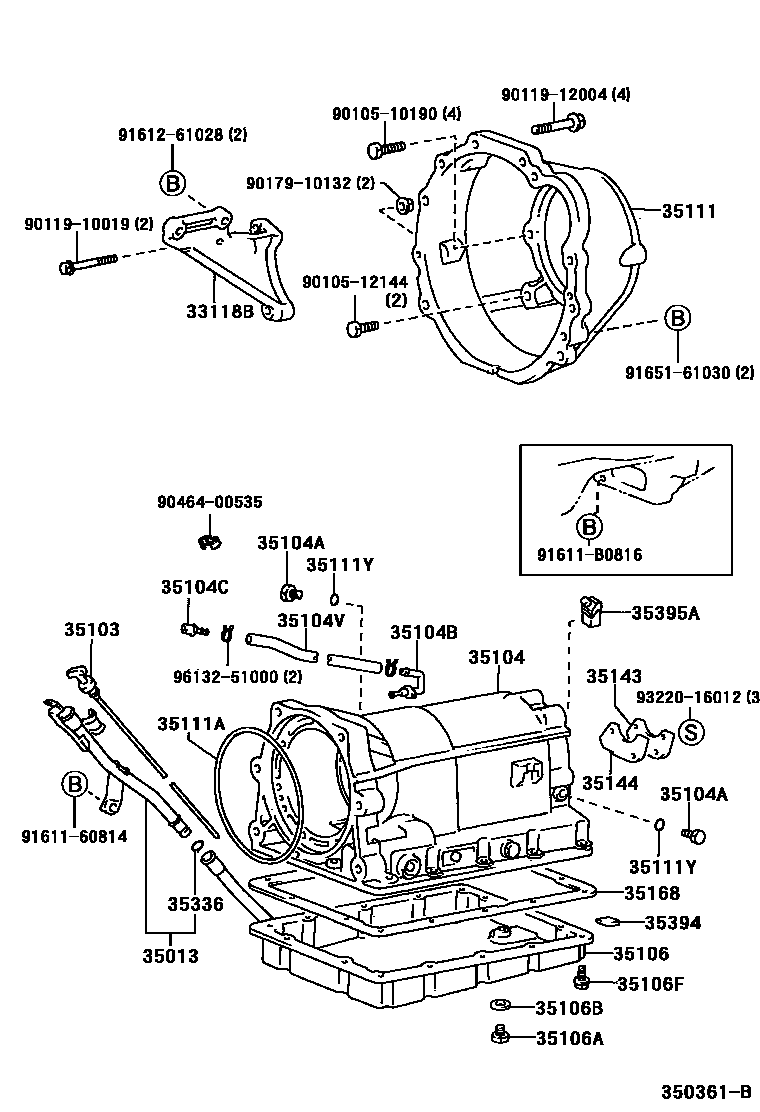
TRANSMISSION CASE & OIL PAN (ATM)

Parts diagram
33118BPLATE, STIFFENER, RH(ATM)
main33118-12080i199612-200212
main33118-26011i199911-200211
35013TUBE SUB-ASSY, TRANSMISSION OIL FILLER
main35013-35320i200208-200501
main35013-38010i199612-200212
main35013-38020i199911-200210
35103GAGE SUB-ASSY, TRANSMISSION OIL LEVEL
main35103-35330i200010-200211
main35103-38010i200210
main35103-38020i199911-200210
main35103-38030i200001-200208
35104CASE SUB-ASSY, AUTOMATIC TRANSMISSION
main35104-22060i200208-200406
main35104-26021i199612-200001
main35104-30101i200208
main35104-30190i199911-200210
main35104-35011i200210-200612
main35104-35030i200210-200612
35104APLUG, AUTOMATIC TRANSMISSION CASE
main90341-08001×2i199612-200212
35104BPLUG, BREATHER, NO.1 (ATM)
main90930-03098i200208-200212
main90930-03108i200210-200612
35104CPLUG, BREATHER, NO.2 (ATM)
main90930-03099i199612-200012
main90930-03110i200210-200612
main90930-03168i200012-200208
35104VHOSE (FOR BREATHER PLUG)
main90445-11096i200208-200612
main90445-11118i199911-200210
35106PAN SUB-ASSY, AUTOMATIC TRANSMISSION OIL
main35106-28071i200001-200002
main35106-30051i200010-200211
main35106-30061i200210-200612
main35106-34040i199911-200210
main35106-38010i200208-200406
35106APLUG SUB-ASSY, DRAIN (ATM)
main90341-10006i199612-200212
main90341-10011i200304
main90341-10018i200001-200208
35106BGASKET, DRAIN PLUG (ATM)
main35178-30010i199612-200212
35106FBOLT (FOR AUTOMATIC TRANSMISSION OIL PAN)
main90119-06117×14i200208
main90119-06513×19i200210-200612
35111HOUSING, AUTOMATIC TRANSMISSION
main35111-28031i200208
main35111-35070i199911-200210
main35111-35080i200208-200501
35111ARING, O (FOR AUTOMATIC TRANSMISSION HOUSING)
main90301-99054i199612-200212
35111YRING, O (FOR AUTOMATIC TRANSMISSION CASE)
main90301-06196×2i200208-200612
35143COVER, TRANSMISSION CASE, REAR
main35143-22010i199612-200212
35144GASKET, TRANSMISSION CASE REAR COVER
main35144-28010i199612-200212
35168GASKET, AUTOMATIC TRANSMISSION OIL PAN
main35168-22011i200208
35336RING, O (FOR TRANSMISSION OIL FILLER TUBE)
main90301-09011i199911-200210
main90301-09173i199612-200212
35394MAGNET, OIL CLEANER (FOR TRANSMISSION)
main35394-30011×2i199612-200212
35395ASTRAINER, GOVERNOR OIL
main35395-40010i199612-200212
9010510190
9010512144
9011910019
9011912004
9017910132
9046400535
9161160814
91611B0816
9161261028
9165161030
9322016012
9613251000

33 parts on this diagram · 4 diagrams in section

TRANSMISSION CASE & OIL PAN (ATM) — Toyota Parts Diagram with OEM Numbers & Prices | EPC Data