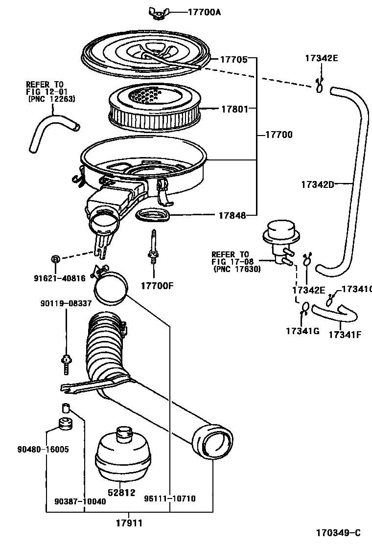
AIR CLEANER

1201
1708
17341FHOSE, AIR, NO.1
17341GCLAMP OR CLIP(FOR AIR HOSE, NO.1)
17342DHOSE, AIR, NO.2
17342ECLAMP OR CLIP(FOR AIR HOSE, NO.2)
17700CLEANER ASSY, AIR
17700ANUT, WING(FOR AIR CLEANER)
17700FBOLT, STUD(FOR AIR CLEANER SETTING)
17705CAP SUB-ASSY, AIR CLEANER
17801ELEMENT SUB-ASSY, AIR CLEANER FILTER
17848GASKET, AIR CLEANER TO CARBURETOR
52812DUCT, COOL AIR INTAKE, NO.2
9011908337
main90119-08337
9038710040
main90387-10040
9048016005
main90480-16005
9162140816
main91621-40816
9611110710
main96111-10710
19 parts on this diagram · 11 diagrams in section