E
EPC Data

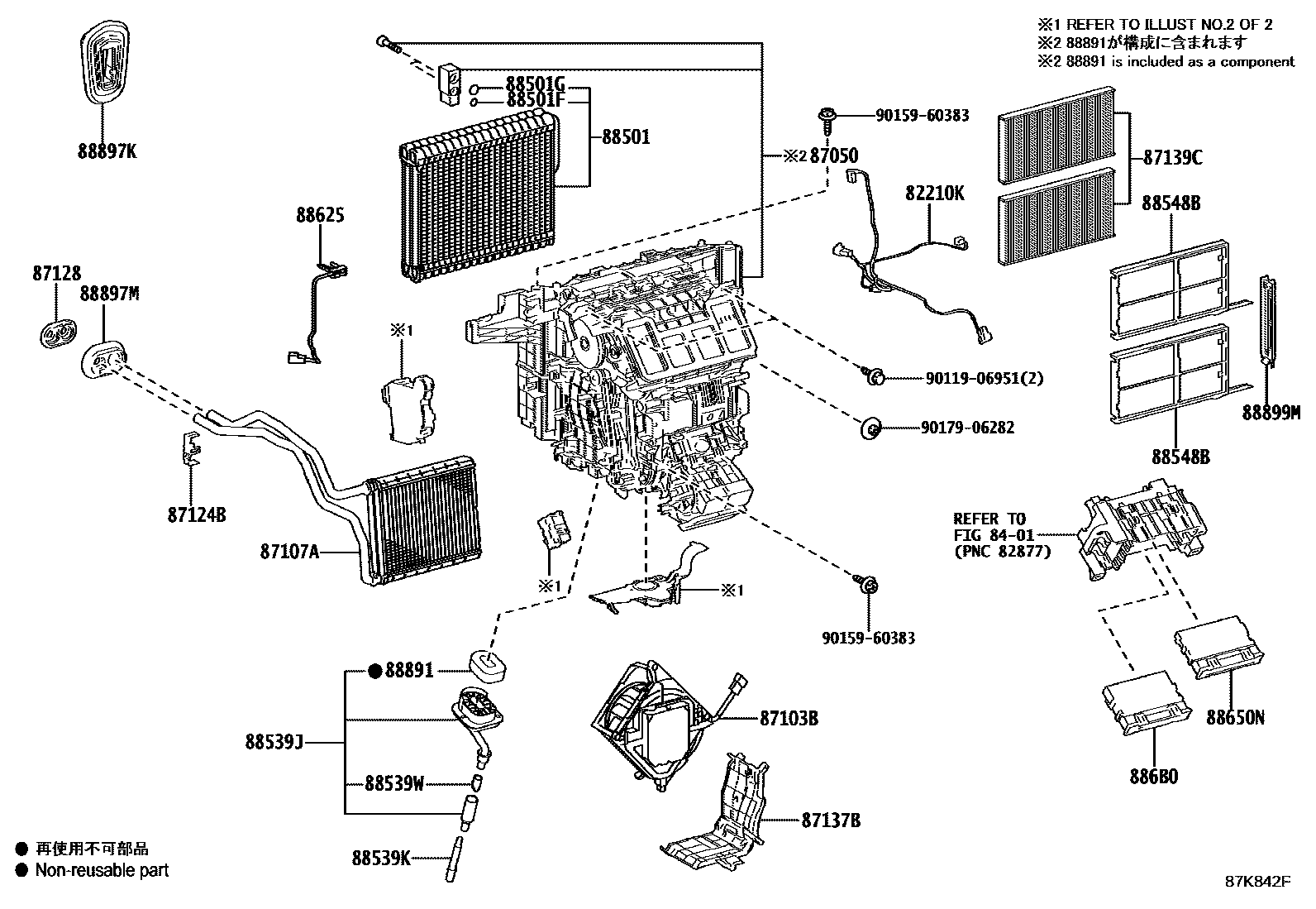
HEATING & AIR CONDITIONING - COOLER UNIT

Parts diagram
82210KHARNESS ASSY, AIR CONDITIONER
main82212-42090i202412
main82212-42100i202412
8401
87050RADIATOR ASSY, AIR CONDITIONER
main87050-42C30i202412
main87050-42C40i202203-202411
87103BMOTOR SUB-ASSY, BLOWER W/FAN
main87103-42140i202203-202411
main87103-42150i202412
87107AUNIT SUB-ASSY, HEATER RADIATOR
main87107-42180i202203-202411
main87107-42190i202412
87124BCLAMP, HEATER
main87124-33070i202412
87128GROMMET, HEATER
main87128-28010i202203-202411
87137BCOVER, HEATER BLOWER
main87137-42010i202412
main87137-42020i202412
87139CFILTER, CLEAN AIR
main87139-42040i202412
MICRO DUST FILTER
main87139-42050i202203-202411
DEODORANT FILTER
88501EVAPORATOR SUB-ASSY, COOLER, NO.1
main88501-42150i202412
88501FO-RING, COOLER EVAPORATOR NO.1(DISCHARGE)
main90099-14120i202412
ID=10.8,OD=15.6
88501GO-RING, COOLER EVAPORATOR NO.1(SUCTION)
main90099-14121i202412
ID=13.4,OD=18.2
88539JHOSE, DRAIN COOLER
main88539-42110i202412
88539KHOSE, DRAIN COOLER
main88539-42120i202203-202206
main88539-42121i202412
88539WHOSE, DRAIN COOLER, NO.2
main88899-42200i202412
88548BCASE, AIR FILTER
main88899-42210×2i202203-202411
main88899-42220×2i202203-202411
88625THERMISTOR, COOLER, NO.1
main88620-42100i202412
88650NAMPLIFIER ASSY, AIR CONDITIONER
main88650-42A00i202203-202209
main88650-42A01i202209-202311
main88650-42B40i202311-202411
main88650-42C00i202412
886B0COMPUTER ASSY, HEAT MANAGEMENT
main886B0-42010i202203-202311
main886B0-42020i202203-202311
main886B0-42050i202412
main886B0-42060i202412
88891PACKING (FOR COOLER)
main88899-42260i202203-202411
88897KGROMMET, (FOR COOLER PIPE)
main88899-42140i202412
88897MGROMMET (FOR HEATER PIPE)
main87128-28020i202412
88899MPLATE, COVER(FOR AIR FILTER)
main88899-42170i202412
9011906951
9015960383
9017906282

26 parts on this diagram · 4 diagrams in section

HEATING & AIR CONDITIONING - COOLER UNIT — Toyota Parts Diagram with OEM Numbers & Prices | EPC Data