E
EPC Data

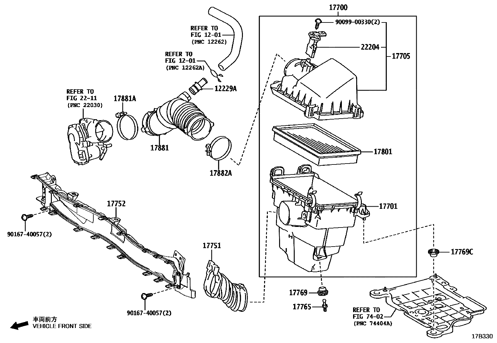
AIR CLEANER

Parts diagram
1201VENTILATION HOSE
12229APIPE, VENTILATION
main12229-21010i202008-202401
17700CLEANER ASSY, AIR
main17700-15390i202008-202207
main17700-15400i202401
main17700-15410i202208-202401
17701CASE SUB-ASSY, AIR CLEANER
main17701-15290i202008-202208
main17701-15300i202008-202401
main17701-15310i202208-202401
17705CAP SUB-ASSY, AIR CLEANER
main17705-15200i202008-202401
main17705-15210i202401
17751INLET, AIR CLEANER, NO.1
main17751-15090i202008-202401
main17751-15100i202008-202401
17752INLET, AIR CLEANER, NO.2
main17752-15060i202401
main17752-15070i202008-202208
17765STAY, AIR CLEANER, NO.1
main17765-25010i202008-202401
17769SUPPORT, AIR CLEANER
main17769-25030i202008-202401
17769CSUPPORT, AIR CLEANER, NO.1
main17769-25020i202008-202401
17801ELEMENT SUB-ASSY, AIR CLEANER FILTER
main17801-15090i202008-202401
main17801-24040i202008-202401
17881HOSE, AIR CLEANER, NO.1
main17881-15210i202008-202401
main17881-15220i202008-202401
main17881-15221i202407
17881ACLAMP(FOR AIR CLEANER HOSE, NO.1)
main96111-10690i202008-202401
17882ACLAMP(FOR AIR CLEANER HOSE, NO.2)
main96111-10710i202008-202401
2211FUEL INJECTION SYSTEM
22204METER SUB-ASSY, INTAKE AIR FLOW
main22204-24010i202008-202401
7402BATTERY CARRIER
9009900330
9016740057

19 parts on this diagram · 4 diagrams in section

AIR CLEANER — Toyota Parts Diagram with OEM Numbers & Prices | EPC Data