E
EPC Data

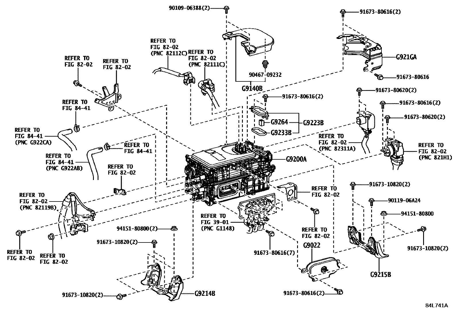
INVERTER(BEV OR FCEV)

Parts diagram
3901TRANSAXLE ASSY(HEV OR BEV OR FCEV)
8202WIRING & CLAMP
8441BEV COOLING
G9022COVER SUB-ASSY, INVERTER, UPPER
mainG902210010i202004
G9140BCOVER ASSY, INVERTER
mainG914076020i202004
G9200AINVERTER ASSY, W/CONVERTER
mainG92A076060i202004
G9214BBRACKET, INVERTER, NO.1
mainG921410010i202004
G9215BBRACKET, INVERTER, NO.2
mainG921510010i202004
G921GAPROTECTOR, INVERTER
mainG921G10010i202004
G9223BCOVER, INVERTER TERMINAL
mainG922310010i202004
G9233BGASKET, INVERTER COVER
mainG923310010i202004
G9264CONNECTOR, INVERTER SIGNAL
mainG926410010i202004
9010906388
9011906A24
9046709232
9167310820
9167380616
9167380620
9415180800

19 parts on this diagram · 1 diagram in section

INVERTER(BEV OR FCEV) — Toyota Parts Diagram with OEM Numbers & Prices | EPC Data