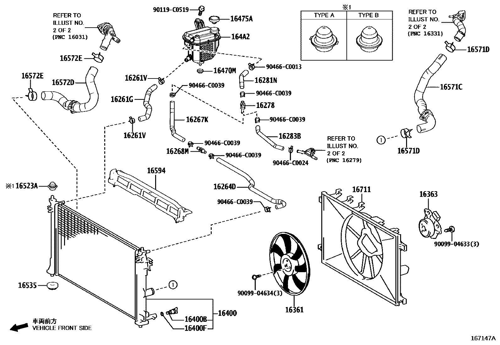
RADIATOR & WATER OUTLET

16261GHOSE, WATER BY-PASS, NO.1
16261VCLAMP OR CLIP, HOSE(FOR WATER BY-PASS HOSE)
16264HOSE, WATER BY-PASS, NO.2
*632
16264DHOSE, WATER BY-PASS, NO.2
16267HOSE, WATER BY-PASS, NO.3
*632
(J),*633
(L),*633
*633
16267KHOSE, WATER BY-PASS, NO.3
16268PIPE, WATER BY-PASS, NO.1
*632
16268MPIPE, WATER BY-PASS, NO.3
16278PIPE, WATER BY-PASS, NO.2
16281HOSE, WATER BY-PASS, NO.4
*632
*633
16281NHOSE, WATER BY-PASS, NO.4
16283HOSE, WATER BY-PASS, NO.6
*632
*632
*633
(L),*633
16283BHOSE, WATER BY-PASS
16363MOTOR, COOLING FAN
16400RADIATOR ASSY
16400BPLUG, RADIATOR DRAIN COCK
16400FPACKING(FOR RADIATOR DRAIN COCK)
16470MGROMMET
(J)
(L)
16475ACAP, RESERVE TANK
(L)
164A2TANK, RESERVE SEALED W/O CAP
16523ACUSHION, RADIATOR SUPPORT
TYPE A:REFER ILLUST.
TYPE B:REFER ILLUST.
16535SUPPORT, RADIATOR, LOWER
(J)
(L)
16571CHOSE, RADIATOR, NO.1
16571DCLIP, RADIATOR HOSE, NO.1
(L)
(J)
16572DHOSE, RADIATOR, NO.2
16572ECLIP, RADIATOR HOSE, NO.2
(J)
16594GUIDE, RADIATOR AIR, NO.2
16711SHROUD, FAN
9009904633
main90099-04633
9009904634
main90099-04634
90119C0519
main90119-C0519
90466C0013
main90466-C0013
90466C0024
main90466-C0024
90466C0039
main90466-C0039
35 parts on this diagram · 4 diagrams in section