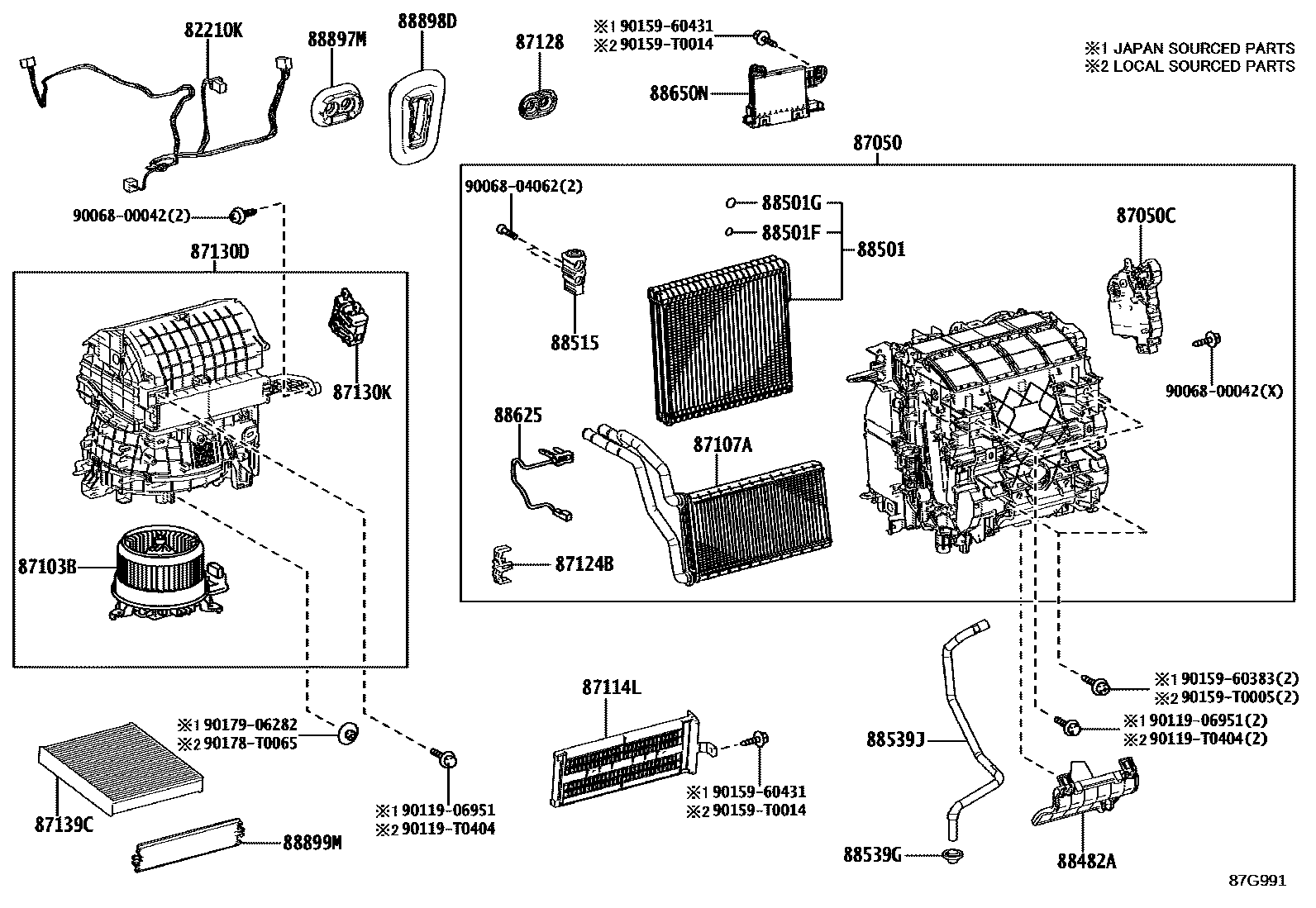
HEATING & AIR CONDITIONING - COOLER UNIT

82210KHARNESS ASSY, AIR CONDITIONER
87050RADIATOR ASSY, AIR CONDITIONER
87050CDAMPER SERVO SUB-ASSY, AIR CONDITIONER RADIATOR, NO.1
87103BMOTOR SUB-ASSY, BLOWER W/FAN
87107AUNIT SUB-ASSY, HEATER RADIATOR
87114LCOVER, HEATER, NO.2
87124BCLAMP, HEATER
87128GROMMET, HEATER
87130DBLOWER ASSY
87130KDAMPER SERVO SUB-ASSY, BLOWER, NO.1
87139CFILTER, CLEAN AIR
POLLEN FILTER,OE PART
DEODORANT FILTER
88482ACOVER
88501EVAPORATOR SUB-ASSY, COOLER, NO.1
88501FO-RING, COOLER EVAPORATOR NO.1(DISCHARGE)
ID=10.2,OD=15.0
88501GO-RING, COOLER EVAPORATOR NO.1(SUCTION)
ID=13.4,OD=18.2
88515VALVE, COOLER EXPANSION
88539GGROMMET (FOR COOLER UNIT DRAIN HOSE)
88625THERMISTOR, COOLER, NO.1
88650NAMPLIFIER ASSY, AIR CONDITIONER
88897MGROMMET (FOR HEATER PIPE)
88898DGROMMET
88899MPLATE, COVER(FOR AIR FILTER)
9006800042
main90068-00042
9006804062
main90068-04062
9011906951
main90119-06951
90119T0404
main90119-T0404
9015960383
main90159-60383
9015960431
main90159-60431
90159T0005
main90159-T0005
90159T0014
main90159-T0014
90178T0065
main90178-T0065
9017906282
main90179-06282
33 parts on this diagram · 1 diagram in section