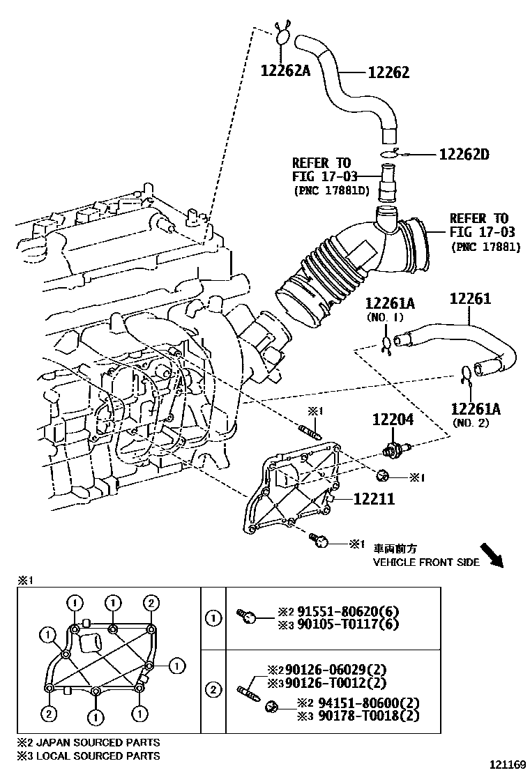
VENTILATION HOSE

12204VALVE SUB-ASSY, VENTILATION
12211CASE, VENTILATION, NO.1
(L)
(J)
12261HOSE, VENTILATION
12261ACLIP OR CLAMP(FOR VENTILATION HOSE)
NO.2
(L),NO.2
NO.1
(J),NO.2
12262HOSE, VENTILATION, NO.2
(L)
12262ACLIP(FOR VENTILATION HOSE NO.2)
(L)
(J)
12262DCLIP(FOR VENTILATION HOSE NO.2)
1703AIR CLEANER
90105T0117
main90105-T0117
9012606029
main90126-06029
90126T0012
main90126-T0012
90178T0018
main90178-T0018
9155180620
main91551-80620
9415180600
main94151-80600
14 parts on this diagram · 2 diagrams in section