E
EPC Data

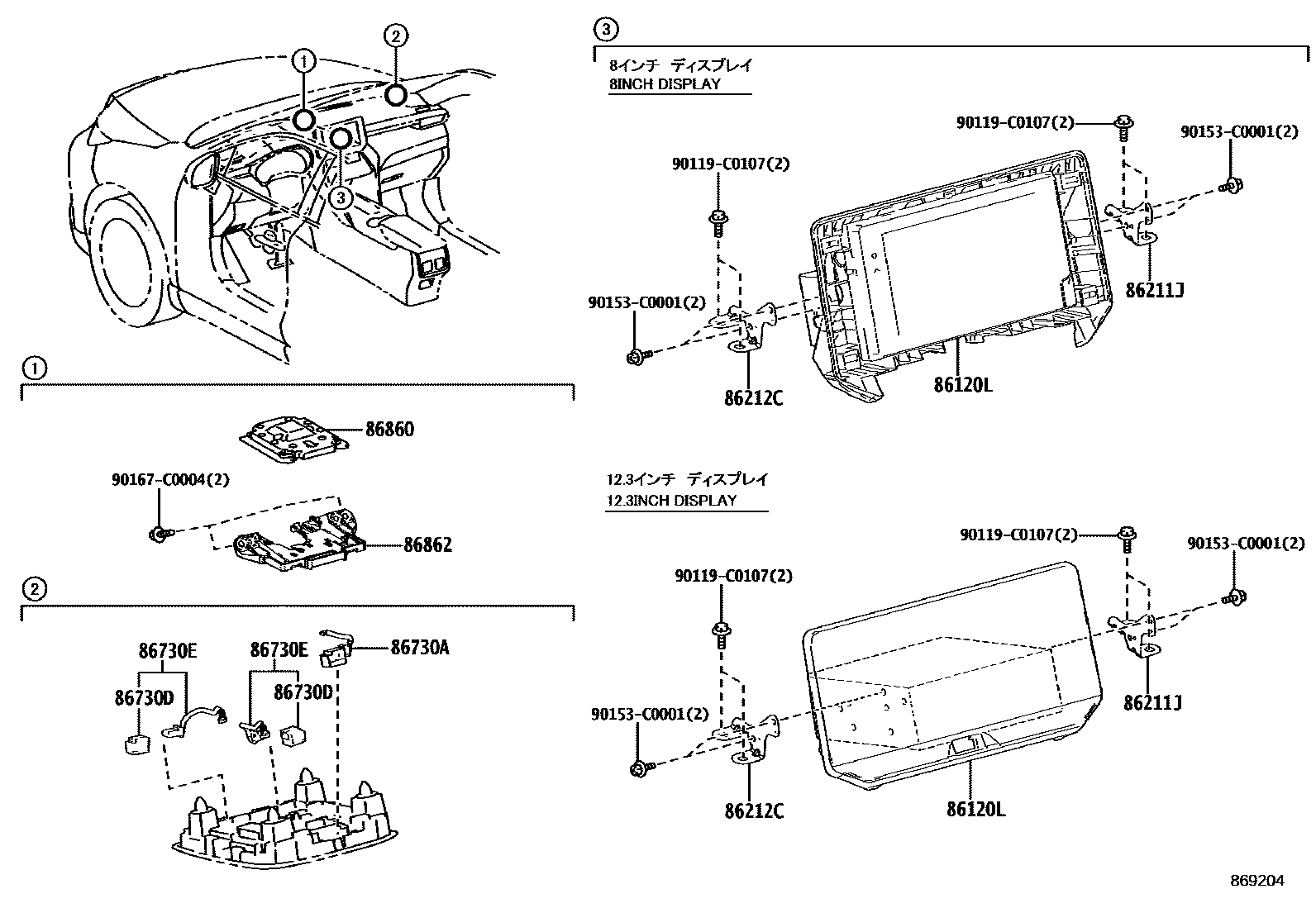
NAVIGATION & FRONT MONITOR DISPLAY

Parts diagram
86120LRECEIVER ASSY, NAVIGATION
main86100-0E340i202203-202205
DESAY
main86100-0E342i202205-202211
DESAY
main86100-0E343i202212-202304
DESAY
main86100-0E530i202304-202306
DESAY
main86100-0E531i202307-202406
DESAY
main86100-0E670i202406
DESAY
main86140-0E780i202203-202304
DESAY
main86140-0EB30i202304-202306
HANGSHENG
main86140-0EB31supersedes 86100-0E680i202307
HANGSHENG
86211JBRACKET, RADIO RECEIVER, NO.1
main86211-0E200i202203
86212CBRACKET, RADIO RECEIVER, NO.2
main86212-0E200i202203
86730AMICROPHONE ASSY, TELEPHONE
main86730-06060i202203-202406
86730DMICROPHONE ASSY, TELEPHONE, NO.2
main86730-0R050i202203
86730EMICROPHONE ASSY
main86730-0E080i202203
86860ANTENNA ASSY, NAVIGATION
main86880-0E020i202203-202304
main86880-0R020i202304
86862BRACKET, NAVIGATION ANTENNA
main86862-0E020i202203
90119C0107
90153C0001
90167C0004

11 parts on this diagram · 1 diagram in section

NAVIGATION & FRONT MONITOR DISPLAY — Toyota Parts Diagram with OEM Numbers & Prices | EPC Data