E
EPC Data

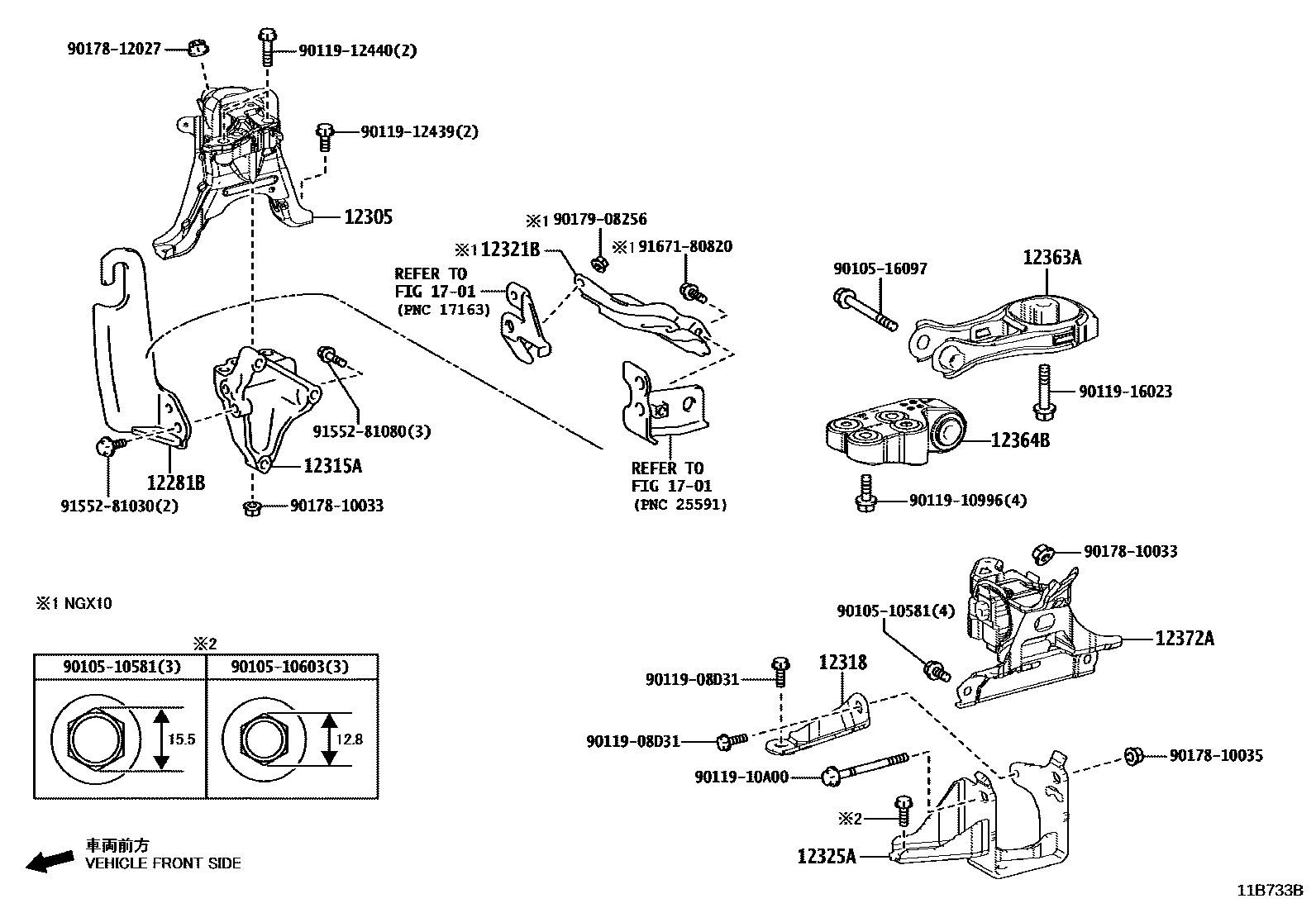
MOUNTING

Parts diagram
12281BHANGER, ENGINE, NO.1
main12281-47060i201910
12305INSULATOR SUB-ASSY, ENGINE MOUNTING, RH
main12305-0Y150i201612-201811
main12305-0Y151i201910
main12305-0Y160i201612-201811
main12305-0Y161i201812-201910
main12305-37341i201910-202010
main12305-37342i202010
12315ABRACKET, ENGINE MOUNTING, RH(FOR TRANSVERSE ENGINE)
main12315-37060i201910
main12315-47081i201612-201910
12318STAY, ENGINE MOUNTING, LH
main12318-47010i201612-201910
12321BINSULATOR SUB-ASSY, DRIVE SHAFT HEAT
main43409-02080i201612-201910
main43409-12110i201910
12325ABRACKET, ENGINE MOUNTING, LH(FOR TRANSVERSE ENGINE)
main12325-47140i201612-201910
main12325-47150i201612-201910
12363AROD, ENGINE MOVING CONTROL
main12363-0Y150i201612-201910
main12363-37031i201910-202302
main12363-37032i202303
main12363-47100i201612-201808
main12363-47101i201809-201910
12364BROD, ENGINE MOVING CONTROL, NO.2
main12364-0Y060i201612-201910
main12364-37050i201910
main12364-47040i201910
12372AINSULATOR, ENGINE MOUNTING, LH(FOR TRANSVERSE ENGINE)
main12372-0Y180i201612-201805
main12372-0Y181i201806-201811
main12372-0Y182i201812-201910
main12372-0Y190i201612-201805
main12372-0Y191i201806-201811
main12372-0Y192i201812-201910
main12372-37313i201910
1701
9010510581
9010510603
9010516097
9011908D31
9011910996
9011910A00
9011912439
9011912440
9011916023
9017810033
9017810035
9017812027
9017908256
9155281030
9155281080
9167180820

26 parts on this diagram · 3 diagrams in section

MOUNTING — Toyota Parts Diagram with OEM Numbers & Prices | EPC Data