E
EPC Data

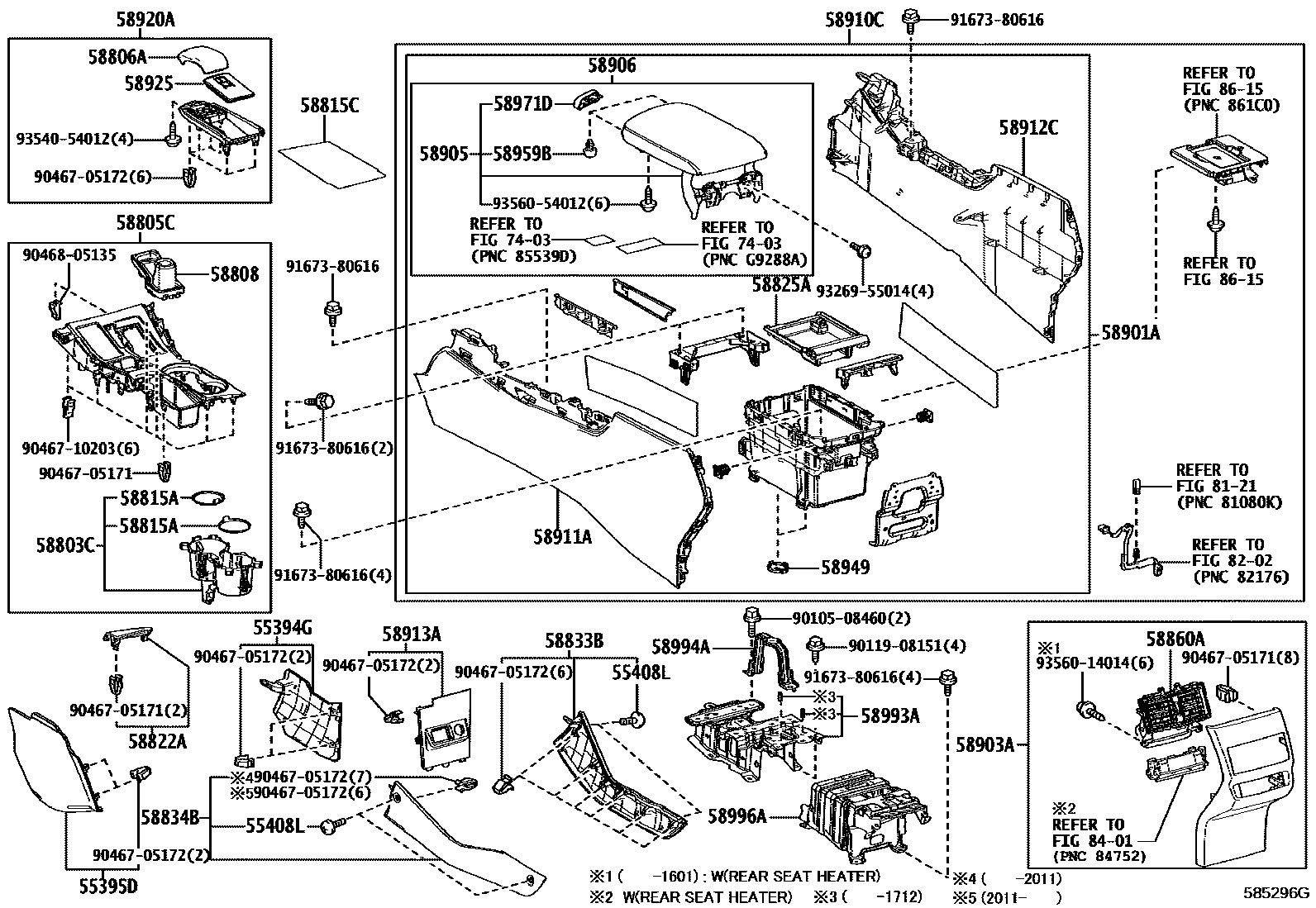
CONSOLE BOX & BRACKET

Parts diagram
55394GCOVER, INSTRUMENT PANEL BRACE, INNER NO.1 RH
main55394-78010-C0i201412-201709
BLACK,TRIM0#,1#,2#,3#,5#
main55394-78010-C0i201709
BLACK,TRIM0#,2#,3#,4#,6#,7#,9#
main55394-78010-C0i201709-202004
BLACK,TRIM0#,2#,3#,4#,5#,6#,7#,9#
main55394-78010-C0i201407-201709
BLACK,TRIM0#,1#,2#,3#,4#,5#,9#
main55394-78020-C0i201407-201709
BLACK,TRIM0#,1#,2#,3#,4#,5#,9#
main55394-78020-C0i201709
BLACK,TRIM0#,2#,3#,4#,5#,6#,7#,9#
55395DCOVER, INSTRUMENT PANEL BRACE, INNER NO.1 LH
main55395-78010-C0i201709-202004
BLACK,TRIM0#,2#,3#,4#,5#,6#,7#,9#
main55395-78010-C0i201709
BLACK,TRIM0#,2#,3#,4#,6#,7#,9#
main55395-78010-C0i201407-201709
BLACK,TRIM0#,1#,2#,3#,4#,5#,9#
main55395-78010-C0i201412-201709
BLACK,TRIM0#,1#,2#,3#,5#
main55395-78020-C0i201709
BLACK,TRIM0#,2#,3#,4#,5#,6#,7#,9#
main55395-78020-C0i201407-201709
BLACK,TRIM0#,1#,2#,3#,4#,5#,9#
55408LSCREW SUB-ASSY, INSTRUMENT CLUSTER FINISH END
main55408-78050i201407-202004
58803CBOX SUB-ASSY, CONSOLE CUP HOLDER
main58803-78010i201407-202004
58805CPANEL SUB-ASSY, CONSOLE, UPPER REAR
main58805-78010-B0i201412-201602
LT.GRAY,TRIM0#,2#,3#,5#,90,92
main58805-78010-B0i201407-201602
LT.GRAY,TRIM0#,1#,2#,3#,4#,5#,90,92
main58805-78010-B0i201410-201602
LT.GRAY,TRIM0#,2#,3#,4#,5#
main58805-78010-B0i201412-201602
LT.GRAY,TRIM0#,1#,2#,3#,5#
main58805-78010-B0i201412-201602
LT.GRAY,TRIM1#,2#,3#
main58805-78010-D0i201407-201602
DK.ROSE,TRIM91,93,94,95
main58805-78011-B0i201603-201709
LT.GRAY NO.831,TRIM0#,2#,3#,4#,5#,90,92
main58805-78011-B0i201603-201709
LT.GRAY NO.831,TRIM0#,2#,3#,4#,5#
main58805-78011-B0i201603-201709
LT.GRAY NO.831,TRIM0#,1#,2#,3#,5#
main58805-78011-B0i201603-201709
LT.GRAY NO.831,TRIM1#,2#,3#
main58805-78011-B0i201603-201709
LT.GRAY NO.831,TRIM0#,2#,3#,5#,90,92
main58805-78011-B0i201603-201709
LT.GRAY NO.831,TRIM0#,1#,2#,3#,4#,5#,90,92
main58805-78011-D0i201603-201709
DK.ROSE NO.59,TRIM91,93,94,95
main58805-78020-B0i201407-201709
LT.GRAY NO.831,TRIM0#,1#,2#,3#,4#,5#,90,92
main58805-78020-D0i201407-201709
DK.ROSE NO.59,TRIM91,93,94,95
main58805-78030-C0i201709-202004
BLACK/DK.ROSE,TRIM35,36,37
main58805-78030-C1i201709-201711
BLACK/LT.GRAY,TRIM0#,2#,3#,4#,5#,6#,7#,9#
main58805-78030-C1i201711-202004
BLACK/LT.GRAY,TRIM0#,2#,3#,4#,50,51,52,6#,7#,9#
main58805-78030-C1i202007
BLACK/LT.GRAY,TRIM0#,2#,30,31,32,33,4#,6#,7#,9#
main58805-78030-C1i201709-202007
BLACK/LT.GRAY,TRIM0#,2#,3#,4#,6#,7#,9#
main58805-78030-C2i201711-202004
BLACK/MUSTARD YELLOW,TRIM51,52
main58805-78030-C3i201905
BLACK/ORANGE,TRIM44,45,46,47
main58805-78030-C5i202007
BLACK/CRIMSON,TRIM38
main58805-78040-C0i201709
BLACK/DK.ROSE,TRIM35,36,37
main58805-78040-C1i201711-201905
BLACK/LT.GRAY,TRIM0#,2#,3#,4#,50,51,52,6#,7#,9#
main58805-78040-C1i201709-201711
BLACK/LT.GRAY,TRIM0#,2#,3#,4#,5#,6#,7#,9#
main58805-78040-C2i201711
BLACK/MUSTARD YELLOW,TRIM51,52
main58805-78040-C3i201905
BLACK/ORANGE,TRIM44,45,46,47
58806APOCKET SUB-ASSY, CONSOLE BOX
main58806-78010-C0i201407-201508
BLACK/DK.ROSE,TRIM91,93,94,95
main58806-78010-C1i201410-201508
BLACK/LT.GRAY,TRIM0#,2#,3#,4#,5#
main58806-78010-C1i201412-201508
BLACK/LT.GRAY,TRIM0#,1#,2#,3#,5#
main58806-78010-C1i201412-201508
BLACK/LT.GRAY,TRIM1#,2#,3#
main58806-78010-C1i201412-201508
BLACK/LT.GRAY,TRIM0#,2#,3#,5#,90,92
main58806-78010-C1i201407-201508
BLACK/LT.GRAY,TRIM0#,1#,2#,3#,4#,5#,90,92
main58806-78020-C0i201509-201709
BLACK/DK.ROSE,TRIM91,93,94,95
main58806-78020-C1i201509-201709
BLACK/LT.GRAY,TRIM0#,2#,3#,4#,5#
main58806-78020-C1i201509-201709
BLACK/LT.GRAY,TRIM0#,2#,3#,4#,5#,90,92
main58806-78020-C1i201509-201709
BLACK/LT.GRAY,TRIM0#,1#,2#,3#,5#
main58806-78020-C1i201509-201709
BLACK/LT.GRAY,TRIM1#,2#,3#
main58806-78020-C1i201509-201709
BLACK/LT.GRAY,TRIM0#,2#,3#,5#,90,92
main58806-78020-C1i201509-201709
BLACK/LT.GRAY,TRIM0#,1#,2#,3#,4#,5#,90,92
main58806-78030-C0i201709-202004
BLACK/DK.ROSE,TRIM35,36,37
main58806-78030-C1i201709-201711
BLACK/LT.GRAY,TRIM0#,2#,3#,4#,5#,6#,7#,9#
main58806-78030-C1i201711-202004
BLACK/LT.GRAY,TRIM0#,2#,3#,4#,50,51,52,6#,7#,9#
main58806-78030-C1i201709-202007
BLACK/LT.GRAY,TRIM0#,2#,3#,4#,6#,7#,9#
main58806-78030-C1i202007
BLACK/LT.GRAY,TRIM0#,2#,30,31,32,33,4#,6#,7#,9#
main58806-78030-C2i201711-202004
BLACK/MUSTARD YELLOW,TRIM51,52
main58806-78030-C3i201905
BLACK/ORANGE,TRIM44,45,46,47
main58806-78030-C5i202007
BLACK/CRIMSON,TRIM38
58808COVER SUB-ASSY, SHIFTING HOLE
main58808-78010-B0i201412-201709
LT.GRAY,TRIM0#,1#,2#,3#,5#
main58808-78010-B0i201410-201709
LT.GRAY,TRIM0#,2#,3#,4#,5#
main58808-78010-B0i201407-201709
LT.GRAY,TRIM0#,1#,2#,3#,4#,5#,90,92
main58808-78010-B0i201412-201709
LT.GRAY,TRIM1#,2#,3#
main58808-78010-B0i201412-201709
LT.GRAY,TRIM0#,2#,3#,5#,90,92
main58808-78010-B0i201603-201709
LT.GRAY,TRIM0#,2#,3#,4#,5#,90,92
main58808-78010-D0i201407-201709
DK.ROSE,TRIM91,93,94,95
main58808-78011-C0i201709-202004
BLACK/DK.ROSE,TRIM35,36,37
main58808-78011-C1i201711-202004
BLACK/LT.GRAY,TRIM0#,2#,3#,4#,50,51,52,6#,7#,9#
main58808-78011-C1i201709-201711
BLACK/LT.GRAY,TRIM0#,2#,3#,4#,5#,6#,7#,9#
main58808-78011-C1i201709-202007
BLACK/LT.GRAY,TRIM0#,2#,3#,4#,6#,7#,9#
main58808-78011-C1i202007
BLACK/LT.GRAY,TRIM0#,2#,30,31,32,33,4#,6#,7#,9#
main58808-78011-C2i201711-202004
BLACK/MUSTARD YELLOW,TRIM51,52
main58808-78011-C3i201905
BLACK/ORANGE,TRIM44,45,46,47
main58808-78011-C5i202007
BLACK/CRIMSON,TRIM38
main58808-78020-B0i201407-201709
LT.GRAY NO.831,TRIM0#,1#,2#,3#,4#,5#,90,92
main58808-78020-D0i201407-201709
DK.ROSE NO.59,TRIM91,93,94,95
main58808-78021-C0i201709
BLACK/DK.ROSE,TRIM35,36,37
main58808-78021-C1i201709-201711
BLACK/LT.GRAY,TRIM0#,2#,3#,4#,5#,6#,7#,9#
main58808-78021-C1i201711-201905
BLACK/LT.GRAY,TRIM0#,2#,3#,4#,50,51,52,6#,7#,9#
main58808-78021-C2i201711
BLACK/MUSTARD YELLOW,TRIM51,52
main58808-78021-C3i201905
BLACK/ORANGE,TRIM44,45,46,47
58815ACARPET, CONSOLE BOX
main58823-78010i201407-202004
58815CCARPET, CONSOLE BOX
main58815-78010i201407-202004
58822APANEL, CONSOLE, UPPER REAR
main58822-78010i201407-201709
main58822-78020i201407-201709
main58822-78030i201709-202004
main58822-78040i201709
58825APOCKET, CONSOLE BOX
main58825-78010-C0i201603-201709
BLACK,TRIM0#,2#,3#,4#,5#,9#
main58825-78010-C0i201603-201709
BLACK,TRIM1#,2#,3#
main58825-78010-C0i201603-201709
BLACK,TRIM0#,2#,3#,5#,9#
main58825-78010-C0i201603-201709
BLACK,TRIM0#,2#,3#,4#,5#
main58825-78010-C0i201709-202004
BLACK,TRIM0#,2#,3#,4#,5#,6#,7#,9#
main58825-78010-C0i201709
BLACK,TRIM0#,2#,3#,4#,6#,7#,9#
main58825-78010-C0i201407-201709
BLACK,TRIM0#,1#,2#,3#,4#,5#,9#
main58825-78010-C0i201410-201603
BLACK,TRIM0#,1#,2#,3#,4#,5#
main58825-78010-C0i201412-201709
BLACK,TRIM0#,1#,2#,3#,5#
58833BGARNISH, CONSOLE UPPER PANEL, NO.1
main58833-78010-C1i201407-201512
BLACK/LT.GRAY,TRIM0#,1#,2#,3#,4#,5#,90,92
main58833-78010-C1i201410-201512
BLACK/LT.GRAY,TRIM0#,2#,3#,4#,5#
main58833-78010-C1i201412-201512
BLACK/LT.GRAY,TRIM0#,1#,2#,3#,5#
main58833-78010-C2i201407-201512
BLACK/DK.ROSE,TRIM91,93,94,95
main58833-78011-C1i201601-201709
BLACK/LT.GRAY,TRIM0#,1#,2#,3#,4#,5#,90,92
main58833-78011-C1i201601-201709
BLACK/LT.GRAY,TRIM0#,2#,3#,4#,5#
main58833-78011-C1i201601-201709
BLACK/LT.GRAY,TRIM0#,2#,3#,4#,5#,90,92
main58833-78011-C1i201601-201709
BLACK/LT.GRAY,TRIM0#,1#,2#,3#,5#
main58833-78011-C1i201601-201709
BLACK/LT.GRAY,TRIM1#,2#,3#
main58833-78011-C1i201601-201709
BLACK/LT.GRAY,TRIM0#,2#,3#,5#,90,92
main58833-78011-C2i201601-201709
BLACK/DK.ROSE,TRIM91,93,94,95
main58833-78012-C3i201709-202004
BLACK/DK.ROSE,TRIM36,37
main58833-78012-C4i201709-202004
BLACK/MUSTARD YELLOW,TRIM5#
main58833-78012-C5i201709-202007
BLACK/LT.GRAY,TRIM0#,2#,3#,4#,6#,7#,9#
main58833-78012-C5i201709-202004
BLACK/LT.GRAY,TRIM0#,2#,30,31,32,33,4#,6#,7#,9#
main58833-78012-C5i201905
BLACK/LT.GRAY,TRIM0#,2#,3#,40,41,42,43,6#,7#,9#
main58833-78012-C6i201905
BLACK/ORANGE,TRIM44,45,46,47
main58833-78012-C8i202007
BLACK/CRIMSON,TRIM38
main58833-78020-C1i201407-201709
BLACK/LT.GRAY,TRIM0#,1#,2#,3#,4#,5#,90,91,92
main58833-78020-C2i201407-201709
BLACK/DK.ROSE,TRIM91,93,94,95
main58833-78021-C5i201709
BLACK/DK.ROSE,TRIM36,37
main58833-78021-C6i201709
BLACK/MUSTARD YELLOW,TRIM5#
main58833-78021-C7i201905
BLACK/LT.GRAY,TRIM0#,2#,3#,40,41,42,43,6#,7#,9#
main58833-78021-C7i201709-201905
BLACK/LT.GRAY,TRIM0#,2#,3#,4#,6#,7#,9#
main58833-78021-C8i201905
BLACK/ORANGE,TRIM44,45,46,47
58834BGARNISH, CONSOLE UPPER PANEL, NO.2
main58834-78010-C1i201412-201512
BLACK/LT.GRAY,TRIM0#,1#,2#,3#,5#
main58834-78010-C1i201407-201512
BLACK/LT.GRAY,TRIM0#,1#,2#,3#,4#,5#,90,92
main58834-78010-C1i201410-201512
BLACK/LT.GRAY,TRIM0#,2#,3#,4#,5#
main58834-78010-C2i201407-201512
BLACK/DK.ROSE,TRIM91,93,94,95
main58834-78011-C1i201601-201709
BLACK/LT.GRAY,TRIM0#,2#,3#,5#,90,92
main58834-78011-C1i201601-201709
BLACK/LT.GRAY,TRIM0#,2#,3#,4#,5#
main58834-78011-C1i201601-201709
BLACK/LT.GRAY,TRIM0#,2#,3#,4#,5#,90,92
main58834-78011-C1i201601-201709
BLACK/LT.GRAY,TRIM0#,1#,2#,3#,5#
main58834-78011-C1i201601-201709
BLACK/LT.GRAY,TRIM1#,2#,3#
main58834-78011-C1i201601-201709
BLACK/LT.GRAY,TRIM0#,1#,2#,3#,4#,5#,90,92
main58834-78011-C2i201601-201709
BLACK/DK.ROSE,TRIM91,93,94,95
main58834-78012-C3i201709-202004
BLACK/DK.ROSE,TRIM36,37
main58834-78012-C4i201709-202004
BLACK/MUSTARD YELLOW,TRIM5#
main58834-78012-C5i201709-202007
BLACK/LT.GRAY,TRIM0#,2#,3#,4#,6#,7#,9#
main58834-78012-C5i201709-202004
BLACK/LT.GRAY,TRIM0#,2#,30,31,32,33,4#,6#,7#,9#
main58834-78012-C5i201905
BLACK/LT.GRAY,TRIM0#,2#,3#,40,41,42,43,6#,7#,9#
main58834-78012-C6i201905
BLACK/ORANGE,TRIM44,45,46,47
main58834-78012-C8i202007
BLACK/CRIMSON,TRIM38
main58834-78020-C1i201407-201709
BLACK/LT.GRAY,TRIM0#,1#,2#,3#,4#,5#,90,91,92
main58834-78020-C2i201407-201709
BLACK/DK.ROSE,TRIM91,93,94,95
main58834-78021-C5i201709
BLACK/DK.ROSE,TRIM36,37
main58834-78021-C6i201709
BLACK/MUSTARD YELLOW,TRIM5#
main58834-78021-C7i201709-201905
BLACK/LT.GRAY,TRIM0#,2#,3#,4#,6#,7#,9#
main58834-78021-C7i201905
BLACK/LT.GRAY,TRIM0#,2#,3#,40,41,42,43,6#,7#,9#
main58834-78021-C8i201905
BLACK/ORANGE,TRIM44,45,46,47
58860AREGISTER ASSY, CONSOLE BOX
main58860-78010i201407-202004
58901ABOX SUB-ASSY, CONSOLE, REAR
58903APANEL SUB-ASSY, CONSOLE REAR END
main58903-78010-C0i201412-201512
BLACK,TRIM0#,2#,3#,5#,9#
main58903-78010-C0i201407-201512
BLACK,TRIM0#,1#,2#,3#,4#,5#,9#
main58903-78010-C0i201410-201512
BLACK,TRIM0#,2#,3#,4#,5#
main58903-78010-C0i201412-201512
BLACK,TRIM0#,1#,2#,3#,5#
main58903-78010-C0i201412-201512
BLACK,TRIM1#,2#,3#
main58903-78011-C0i201601-201709
BLACK,TRIM0#,1#,2#,3#,5#
main58903-78011-C0i201601-201709
BLACK,TRIM0#,2#,3#,4#,5#
main58903-78011-C0i201601-201709
BLACK,TRIM0#,2#,3#,4#,5#,9#
main58903-78011-C0i201601-201709
BLACK,TRIM1#,2#,3#
main58903-78011-C0i201601-201709
BLACK,TRIM0#,2#,3#,5#,9#
main58903-78011-C0i201601-201709
BLACK,TRIM0#,1#,2#,3#,4#,5#,9#
main58903-78011-C0i201709-202004
BLACK,TRIM0#,2#,3#,4#,5#,6#,7#,9#
main58903-78011-C0i201709
BLACK,TRIM0#,2#,3#,4#,6#,7#,9#
58905DOOR SUB-ASSY, CONSOLE COMPARTMENT
main58905-78010-C1i201412-201709
BLACK/LT.GRAY,TRIM1#,2#,3#
main58905-78010-C1i201407-201709
BLACK/LT.GRAY,TRIM0#,1#,2#,3#,4#,5#,90,92
main58905-78010-C1i201410-201709
BLACK/LT.GRAY,TRIM0#,2#,3#,4#,5#
main58905-78010-C1i201410-201709
BLACK/LT.GRAY,TRIM0#,2#,3#,4#,5#,90,92
main58905-78010-C1i201412-201709
BLACK/LT.GRAY,TRIM0#,1#,2#,3#,5#
main58905-78010-C1i201412-201709
BLACK/LT.GRAY,TRIM0#,2#,3#,5#,90,92
main58905-78010-C2i201407-201709
BLACK/DK.ROSE,TRIM91,93,94,95
main58905-78011-C3i201709-202004
BLACK/DK.ROSE,TRIM36,37
main58905-78011-C4i201711-202004
BLACK/MUSTARD YELLOW,TRIM5#
main58905-78011-C5i201709-202007
BLACK/LT.GRAY,TRIM0#,2#,3#,4#,6#,7#,9#
main58905-78011-C5i201709-202004
BLACK/LT.GRAY,TRIM0#,2#,30,31,32,33,4#,6#,7#,9#
main58905-78011-C5i201905
BLACK/LT.GRAY,TRIM0#,2#,3#,40,41,42,43,6#,7#,9#
main58905-78011-C6i201905
BLACK/ORANGE,TRIM44,45,46,47
main58905-78011-C8i202007
BLACK/CRIMSON,TRIM38
main58905-78020-C1i201407-201709
BLACK/LT.GRAY,TRIM0#,1#,2#,3#,4#,5#,90,92
main58905-78020-C2i201407-201709
BLACK/DK.ROSE,TRIM91,93,94,95
main58905-78021-C5i201709
BLACK/DK.ROSE,TRIM36,37
main58905-78021-C6i201711
BLACK/MUSTARD YELLOW,TRIM5#
main58905-78021-C7i201709-201905
BLACK/LT.GRAY,TRIM0#,2#,3#,4#,6#,7#,9#
main58905-78021-C7i201905
BLACK/LT.GRAY,TRIM0#,2#,3#,40,41,42,43,6#,7#,9#
main58905-78021-C8i201905
BLACK/ORANGE,TRIM44,45,46,47
58906DOOR SUB-ASSY, UPPER CONSOLE
main58906-78010-C0i201407-201709
BLACK/DK.ROSE,TRIM91,93,94,95
main58906-78010-C1i201410-201709
BLACK/LT.GRAY,TRIM0#,2#,3#,4#,5#
main58906-78010-C1i201412-201709
BLACK/LT.GRAY,TRIM0#,1#,2#,3#,5#
main58906-78010-C1i201412-201709
BLACK/LT.GRAY,TRIM1#,2#,3#
main58906-78010-C1i201412-201709
BLACK/LT.GRAY,TRIM0#,2#,3#,5#,90,92
main58906-78010-C1i201603-201709
BLACK/LT.GRAY,TRIM0#,2#,3#,4#,5#,90,92
main58906-78010-C1i201407-201709
BLACK/LT.GRAY,TRIM0#,1#,2#,3#,4#,5#,90,92
main58906-78011-C2i201709-202004
BLACK/DK.ROSE,TRIM36,37
main58906-78011-C3i201711-202004
BLACK/MUSTARD YELLOW,TRIM5#
main58906-78011-C4i201905
BLACK/LT.GRAY,TRIM0#,2#,3#,40,41,42,43,6#,7#,9#
main58906-78011-C4i201709-202007
BLACK/LT.GRAY,TRIM0#,2#,3#,4#,6#,7#,9#
main58906-78011-C4i201709-202004
BLACK/LT.GRAY,TRIM0#,2#,30,31,32,33,4#,6#,7#,9#
main58906-78011-C5i201905
BLACK/ORANGE,TRIM44,45,46,47
main58906-78011-C7i202007
BLACK/CRIMSON,TRIM38
main58906-78020-C0i201407-201709
BLACK/DK.ROSE,TRIM91,93,94,95
main58906-78020-C1i201407-201709
BLACK/LT.GRAY,TRIM0#,1#,2#,3#,4#,5#,90,92
main58906-78021-C4i201709
BLACK/DK.ROSE,TRIM36,37
main58906-78021-C5i201711
BLACK/MUSTARD YELLOW,TRIM5#
main58906-78021-C6i201905
BLACK/LT.GRAY,TRIM0#,2#,3#,40,41,42,43,6#,7#,9#
main58906-78021-C6i201709-201905
BLACK/LT.GRAY,TRIM0#,2#,3#,4#,6#,7#,9#
main58906-78021-C7i201905
BLACK/ORANGE,TRIM44,45,46,47
58910CBOX ASSY, CONSOLE, REAR
main58910-78010-C1i201412-201602
BLACK/LT.GRAY,TRIM0#,1#,2#,3#,5#
main58910-78010-C1i201412-201602
BLACK/LT.GRAY,TRIM1#,2#,3#
main58910-78010-C1i201412-201602
BLACK/LT.GRAY,TRIM0#,2#,3#,5#,90,92
main58910-78010-C1i201407-201602
BLACK/LT.GRAY,TRIM0#,1#,2#,3#,4#,5#,90,92
main58910-78010-C1i201410-201602
BLACK/LT.GRAY,TRIM0#,2#,3#,4#,5#
main58910-78010-C2i201407-201602
BLACK/DK.ROSE,TRIM91,93,94,95
main58910-78011-C1i201603-201709
BLACK/LT.GRAY,TRIM1#,2#,3#
main58910-78011-C1i201603-201709
BLACK/LT.GRAY,TRIM0#,2#,3#,5#,90,92
main58910-78011-C1i201603-201709
BLACK/LT.GRAY,TRIM0#,1#,2#,3#,4#,5#,90,92
main58910-78011-C1i201603-201709
BLACK/LT.GRAY,TRIM0#,2#,3#,4#,5#
main58910-78011-C1i201603-201709
BLACK/LT.GRAY,TRIM0#,2#,3#,4#,5#,90,92
main58910-78011-C1i201603-201709
BLACK/LT.GRAY,TRIM0#,1#,2#,3#,5#
main58910-78011-C2i201603-201709
BLACK/DK.ROSE,TRIM91,93,94,95
main58910-78012-C3i201709-202004
BLACK/DK.ROSE,TRIM36,37
main58910-78012-C4i201711-202004
BLACK/MUSTARD YELLOW,TRIM5#
main58910-78012-C5i201709-202007
BLACK/LT.GRAY,TRIM0#,2#,3#,4#,6#,7#,9#
main58910-78012-C5i201709-202004
BLACK/LT.GRAY,TRIM0#,2#,30,31,32,33,4#,6#,7#,9#
main58910-78012-C5i201905
BLACK/LT.GRAY,TRIM0#,2#,3#,40,41,42,43,6#,7#,9#
main58910-78012-C6i201905
BLACK/ORANGE,TRIM44,45,46,47
main58910-78012-C8i202007
BLACK/CRIMSON,TRIM38
main58910-78020-C1i201407-201709
BLACK/LT.GRAY,TRIM0#,1#,2#,3#,4#,5#,90,92
main58910-78020-C2i201407-201709
BLACK/DK.ROSE,TRIM91,93,94,95
main58910-78021-C5i201709
BLACK/DK.ROSE,TRIM36,37
main58910-78021-C6i201711
BLACK/MUSTARD YELLOW,TRIM5#
main58910-78021-C7i201905
BLACK/LT.GRAY,TRIM0#,2#,3#,40,41,42,43,6#,7#,9#
main58910-78021-C7i201709-201905
BLACK/LT.GRAY,TRIM0#,2#,3#,4#,6#,7#,9#
main58910-78021-C8i201905
BLACK/ORANGE,TRIM44,45,46,47
58911APANEL, BOX SIDE, NO.1
main58911-78010-C0i201709
BLACK,TRIM0#,2#,3#,4#,6#,7#,9#
main58911-78010-C0i201407-201709
BLACK,TRIM0#,1#,2#,3#,4#,5#,9#
main58911-78010-C0i201410-201603
BLACK,TRIM0#,1#,2#,3#,4#,5#
main58911-78010-C0i201412-201709
BLACK,TRIM0#,1#,2#,3#,5#
main58911-78010-C0i201603-201709
BLACK,TRIM0#,2#,3#,4#,5#
main58911-78010-C0i201603-201709
BLACK,TRIM0#,2#,3#,4#,5#,9#
main58911-78010-C0i201603-201709
BLACK,TRIM1#,2#,3#
main58911-78010-C0i201603-201709
BLACK,TRIM0#,2#,3#,5#,9#
main58911-78010-C0i201709-202004
BLACK,TRIM0#,2#,3#,4#,5#,6#,7#,9#
main58911-78020-C0i201709
BLACK,TRIM0#,2#,3#,4#,5#,6#,7#,9#
main58911-78020-C0i201407-201709
BLACK,TRIM0#,1#,2#,3#,4#,5#,9#
58912CPANEL, BOX SIDE, NO.2
main58912-78010-C0i201603-201709
BLACK,TRIM1#,2#,3#
main58912-78010-C0i201603-201709
BLACK,TRIM0#,2#,3#,5#,9#
main58912-78010-C0i201603-201709
BLACK,TRIM0#,2#,3#,4#,5#
main58912-78010-C0i201603-201709
BLACK,TRIM0#,2#,3#,4#,5#,9#
main58912-78010-C0i201709-202004
BLACK,TRIM0#,2#,3#,4#,5#,6#,7#,9#
main58912-78010-C0i201709
BLACK,TRIM0#,2#,3#,4#,6#,7#,9#
main58912-78010-C0i201407-201709
BLACK,TRIM0#,1#,2#,3#,4#,5#,9#
main58912-78010-C0i201410-201603
BLACK,TRIM0#,1#,2#,3#,4#,5#
main58912-78010-C0i201412-201709
BLACK,TRIM0#,1#,2#,3#,5#
main58912-78020-C0i201407-201709
BLACK,TRIM0#,1#,2#,3#,4#,5#,9#
main58912-78020-C0i201709
BLACK,TRIM0#,2#,3#,4#,5#,6#,7#,9#
58913APANEL, BOX, NO.3
main58913-78020i201407-201709
main58913-78040i201407-201709
main58913-78050i201709-202004
main58913-78060i201709
58920AARMREST ASSY, REAR CONSOLE
main58920-78010-C0i201407-201508
BLACK/DK.ROSE,TRIM91,93,94,95
main58920-78010-C1i201412-201508
BLACK/LT.GRAY,TRIM0#,2#,3#,5#,90,92
main58920-78010-C1i201407-201508
BLACK/LT.GRAY,TRIM0#,1#,2#,3#,4#,5#,90,92
main58920-78010-C1i201410-201508
BLACK/LT.GRAY,TRIM0#,2#,3#,4#,5#
main58920-78010-C1i201412-201508
BLACK/LT.GRAY,TRIM0#,1#,2#,3#,5#
main58920-78010-C1i201412-201508
BLACK/LT.GRAY,TRIM1#,2#,3#
main58920-78020-C0i201407-201508
BLACK/DK.ROSE,TRIM91,93,94,95
main58920-78020-C1i201407-201508
BLACK/LT.GRAY,TRIM0#,1#,2#,3#,4#,5#,90,92
main58920-78030-C0i201509-201709
BLACK/DK.ROSE,TRIM91,93,94,95
main58920-78030-C1i201509-201709
BLACK/LT.GRAY,TRIM0#,1#,2#,3#,5#
main58920-78030-C1i201509-201709
BLACK/LT.GRAY,TRIM1#,2#,3#
main58920-78030-C1i201509-201709
BLACK/LT.GRAY,TRIM0#,2#,3#,5#,90,92
main58920-78030-C1i201509-201709
BLACK/LT.GRAY,TRIM0#,1#,2#,3#,4#,5#,90,92
main58920-78030-C1i201509-201709
BLACK/LT.GRAY,TRIM0#,2#,3#,4#,5#
main58920-78030-C1i201509-201709
BLACK/LT.GRAY,TRIM0#,2#,3#,4#,5#,90,92
main58920-78040-C0i201509-201709
BLACK/DK.ROSE,TRIM91,93,94,95
main58920-78040-C1i201509-201709
BLACK/LT.GRAY,TRIM0#,1#,2#,3#,4#,5#,90,92
main58920-78050-C0i201709-202004
BLACK/DK.ROSE,TRIM35,36,37
main58920-78050-C1i201709-201711
BLACK/LT.GRAY,TRIM0#,2#,3#,4#,5#,6#,7#,9#
main58920-78050-C1i202007
BLACK/LT.GRAY,TRIM0#,2#,30,31,32,33,4#,6#,7#,9#
main58920-78050-C1i201711-202004
BLACK/LT.GRAY,TRIM0#,2#,3#,4#,50,51,52,6#,7#,9#
main58920-78050-C1i201709-202007
BLACK/LT.GRAY,TRIM0#,2#,3#,4#,6#,7#,9#
main58920-78050-C2i201711-202004
BLACK/MUSTARD YELLOW,TRIM51,52
main58920-78050-C3i201905
BLACK/ORANGE,TRIM44,45,46,47
main58920-78050-C5i202007
BLACK/CRIMSON,TRIM38
main58920-78060-C0i201709
BLACK/DK.ROSE,TRIM35,36,37
main58920-78060-C1i201709-201711
BLACK/LT.GRAY,TRIM0#,2#,3#,4#,5#,6#,7#,9#
main58920-78060-C1i201711-201905
BLACK/LT.GRAY,TRIM0#,2#,3#,4#,50,51,52,6#,7#,9#
main58920-78060-C2i201711
BLACK/MUSTARD YELLOW,TRIM51,52
main58920-78060-C3i201905
BLACK/ORANGE,TRIM44,45,46,47
58925LID, REAR CONSOLE ARMREST
main58925-78010-C0i201407-201508
BLACK/DK.ROSE,TRIM91,93,94,95
main58925-78010-C1i201412-201508
BLACK/LT.GRAY,TRIM0#,1#,2#,3#,5#
main58925-78010-C1i201412-201508
BLACK/LT.GRAY,TRIM1#,2#,3#
main58925-78010-C1i201412-201508
BLACK/LT.GRAY,TRIM0#,2#,3#,5#,90,92
main58925-78010-C1i201407-201508
BLACK/LT.GRAY,TRIM0#,1#,2#,3#,4#,5#,90,92
main58925-78010-C1i201410-201508
BLACK/LT.GRAY,TRIM0#,2#,3#,4#,5#
main58925-78030-C0i201509-201709
BLACK/DK.ROSE,TRIM91,93,94,95
main58925-78030-C1i201509-201709
BLACK/LT.GRAY,TRIM0#,1#,2#,3#,5#
main58925-78030-C1i201509-201709
BLACK/LT.GRAY,TRIM0#,2#,3#,4#,5#
main58925-78030-C1i201509-201709
BLACK/LT.GRAY,TRIM0#,2#,3#,4#,5#,90,92
main58925-78030-C1i201509-201709
BLACK/LT.GRAY,TRIM1#,2#,3#
main58925-78030-C1i201509-201709
BLACK/LT.GRAY,TRIM0#,2#,3#,5#,90,92
main58925-78030-C1i201509-201709
BLACK/LT.GRAY,TRIM0#,1#,2#,3#,4#,5#,90,92
main58925-78040-C0i201709-202004
BLACK/DK.ROSE,TRIM35,36,37
main58925-78040-C1i201709-201711
BLACK/LT.GRAY,TRIM0#,2#,3#,4#,5#,6#,7#,9#
main58925-78040-C1i201711-202004
BLACK/LT.GRAY,TRIM0#,2#,3#,4#,50,51,52,6#,7#,9#
main58925-78040-C1i201709-202007
BLACK/LT.GRAY,TRIM0#,2#,3#,4#,6#,7#,9#
main58925-78040-C1i202007
BLACK/LT.GRAY,TRIM0#,2#,30,31,32,33,4#,6#,7#,9#
main58925-78040-C2i201711-202004
BLACK/MUSTARD YELLOW,TRIM51,52
main58925-78040-C3i201905
BLACK/ORANGE,TRIM44,45,46,47
main58925-78040-C5i202007
BLACK/CRIMSON,TRIM38
58949PLATE, CONSOLE BOX
main58217-33010i201407-202004
58959BCUSHION, CONSOLE COMPARTMENT DOOR
main58959-60060i201407-202004
58971DLEVER, CONSOLE COMPARTMENT DOOR LOCK
main58971-78010-C0i201412-201709
BLACK,TRIM0#,2#,3#,5#,9#
main58971-78010-C0i201407-201709
BLACK,TRIM0#,1#,2#,3#,4#,5#,9#
main58971-78010-C0i201410-201709
BLACK,TRIM0#,2#,3#,4#,5#
main58971-78010-C0i201410-201709
BLACK,TRIM0#,2#,3#,4#,5#,9#
main58971-78010-C0i201412-201709
BLACK,TRIM0#,1#,2#,3#,5#
main58971-78010-C0i201412-201709
BLACK,TRIM1#,2#,3#
main58971-78010-C0i201709-202004
BLACK,TRIM0#,2#,3#,4#,5#,6#,7#,9#
main58971-78010-C0i201709
BLACK,TRIM0#,2#,3#,4#,6#,7#,9#
main58971-78020-C0i201407-201709
BLACK,TRIM0#,1#,2#,3#,4#,5#,9#
main58971-78020-C0i201709
BLACK,TRIM0#,2#,3#,4#,5#,6#,7#,9#
58993ABRACKET, CONSOLE BOX MOUNTING, LOWER
main58993-78010i201407-201711
main58993-78011i201712-202004
58994ABRACKET, CONSOLE BOX MOUNTING, NO.4
main58994-78010i201407-202004
58996ABRACKET, CONSOLE BOX MOUNTING, NO.2
main58996-78010i201407-201709
main58996-78040i201410-202004
7403
8121
8202
8401
8615
9010508460
9011908151
9046705171
9046705172
9046710203
9046805135
9167380616
9326955014
9354054012
9356014014
9356054012

46 parts on this diagram · 4 diagrams in section

CONSOLE BOX & BRACKET — Toyota Parts Diagram with OEM Numbers & Prices | EPC Data