FRONT SPRING & SHOCK ABSORBER

4802
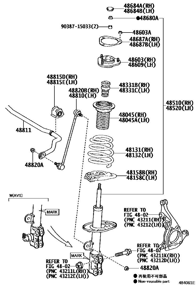
48045SEAT SUB-ASSY, FRONT SPRING RH, W/INSULATOR
48045ASEAT SUB-ASSY, FRONT SPRING LH, W/INSULATOR
48131SPRING, FRONT COIL, RH
F SPORT*(F)&AVS-WITH
F SPORT&AVS-WITH
F SPORT*(F)
F SPORT*(F)
F SPORT
F SPORT
F SPORT
F SPORT
48132SPRING, FRONT COIL, LH
F SPORT&AVS-WITH
F SPORT&AVS-WITH
F SPORT*(F)
F SPORT*(F)
F SPORT
F SPORT
F SPORT
F SPORT
48158BINSULATOR, FRONT COIL SPRING, LOWER RH
48158CINSULATOR, FRONT COIL SPRING, LOWER LH
48331BBUMPER, FRONT SPRING, RH
48331CBUMPER, FRONT SPRING, LH
48510ABSORBER ASSY, SHOCK, FRONT RH
MARK 48510-78020
MARK 48510-78050
MARK 48510-78060
MARK 48510-78100
MARK 48510-78110
MARK 48510-78120
MARK 48510-78030,AVS-WITH
MARK 48510-78031,AVS-WITH
MARK 48510-78070,AVS-WITH
MARK 48510-78071,AVS-WITH
MARK 48510-78130,AVS-WITH
MARK 48510-78140,AVS-WITH
48520ABSORBER ASSY, SHOCK, FRONT LH
MARK 48520-78020
MARK 48520-78050
MARK 48520-78060
MARK 48520-78100
MARK 48520-78110
MARK 48520-78120
MARK 48520-78030,AVS-WITH
MARK 48520-78031,AVS-WITH
MARK 48520-78070,AVS-WITH
MARK 48520-78071,AVS-WITH
MARK 48520-78130,AVS-WITH
MARK 48520-78140,AVS-WITH
48603SUPPORT SUB-ASSY, FRONT SUSPENSION, RH
48603ANUT(FOR FRONT SUSPENSION SUPPORT)
48609SUPPORT SUB-ASSY, FRONT SUSPENSION, LH
48680ANUT(FOR FRONT SUPPORT TO FRONT SHOCK ABSORBER)
48684ACOVER, FRONT SUSPENSION SUPPORT DUST, RH
48684BCOVER, FRONT SUSPENSION SUPPORT DUST, LH
48687APLATE, FRONT SUSPENSION SUPPORT, RH
48687BPLATE, FRONT SUSPENSION SUPPORT, LH
48810LINK ASSY, FRONT STABILIZER, LH
48811BAR, STABILIZER, FRONT
48820ANUT(FOR FRONT STABILIZER LINK)
48820BLINK ASSY, FRONT STABILIZER, RH
9038715033
main90387-15033
26 parts on this diagram · 1 diagram in section