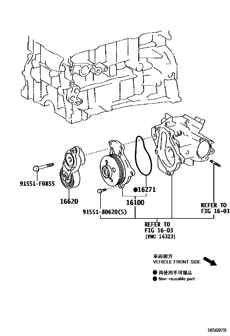
WATER PUMP

1603
16100PUMP ASSY, ENGINE WATER
16271GASKET, WATER PUMP
16620TENSIONER ASSY, V-RIBBED BELT
9155180620
main91551-80620
91551F0855
main91551-F0855
6 parts on this diagram · 3 diagrams in section

6 parts on this diagram · 3 diagrams in section