E
EPC Data

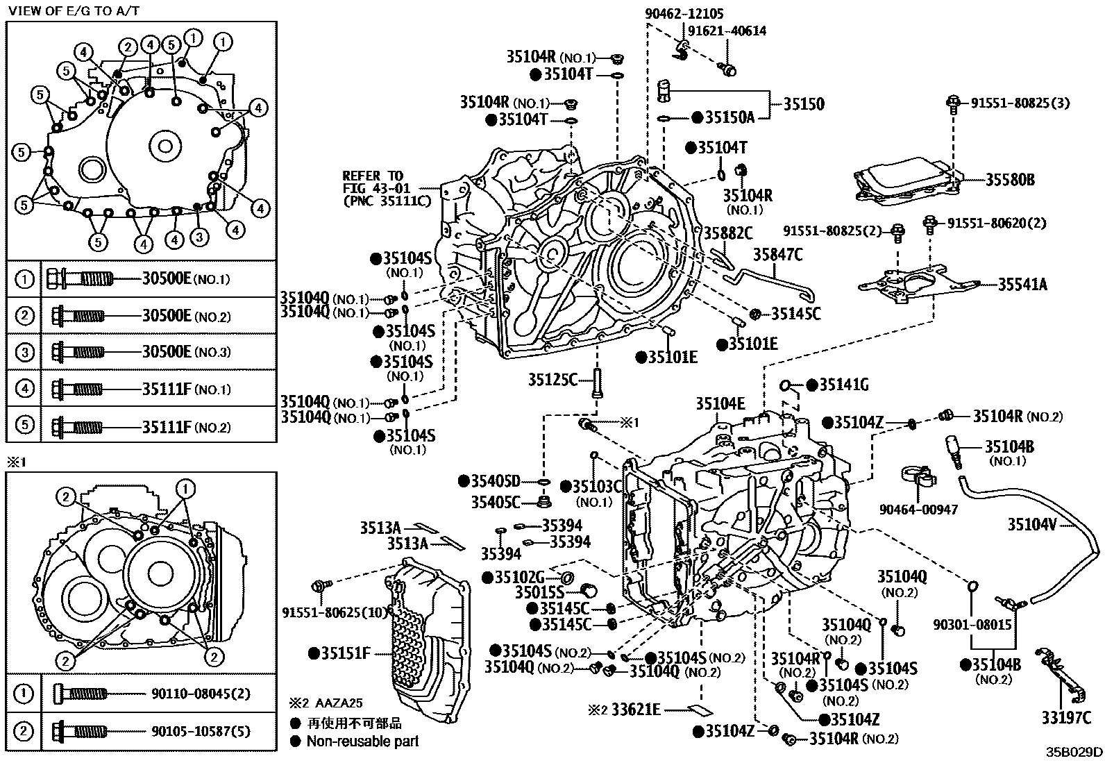
TRANSMISSION CASE & OIL PAN (ATM)

Parts diagram
30500EBOLT(FOR TRANSAXLE & ENGINE SETTING)
main90105-10591i202111-202405
*10-1.25PX45-36,NO.2
main91552-81250×2i202111-202403
*12-1.25PX50-30,NO.1
main91553-80830i202403-202506
*8-1.25PX35-22,NO.3
33197CCLAMP, TRANSMISSION BREATHER
main33197-33020i202403-202506
33621ELABEL, TRANSAXLE OIL NOTICE
main33621-28021i202111-202403
35015SPLUG, STRAIGHT(FOR TRANSMISSION CASE ADAPTER)
main90341-18064i202403-202506
35101EPIN, STRAIGHT (FOR AUTOMATIC TRANSMISSION CASE)
main90250-10021×2i202403-202506
35102GGASKET (FOR TRANSAXLE REAR COVER )
main90430-18008i202403-202506
35103CRING, O
main90301-06021i202111-202405
35104BPLUG, BREATHER, NO.1 (ATM)
main90930-03216i202111-202403
NO.1
main90930-03230i202403-202506
NO.2
35104ECASE SUB-ASSY, AUTOMATIC TRANSAXLE
main35104-78010i202111-202405
main35104-78020i202403-202506
35104QPLUG, NO.1 (FOR TRANSAXLE CASE)
main90341-08001×4i202403-202506
NO.1
35104RPLUG, NO.2 (FOR TRANSAXLE CASE)
main90341-14015×3i202403-202506
NO.1
35104SRING, O (FOR TRANSAXLE CASE PLUG NO.1)
main90301-06196×4i202403-202506
NO.1
35104TRING, O (FOR TRANSAXLE CASE PLUG NO.2)
main90430-14008×3i202403-202506
35104VHOSE (FOR BREATHER PLUG)
main35121-33070i202403-202506
35104ZGASKET (FOR TRANSAXLE CASE)
main90430-14008×3i202403-202506
35111FBOLT (FOR TRANSAXLE HOUSING & TRANSAXLE CASE SETTING)
main91551-00835×11i202111-202403
*8-1.25PX35-22,NO.2
main91551-00840×9i202403
*8-1.25PX40-22,NO.1
35125CTUBE, TRANSMISSION OIL FILLER, NO.1
main35125-33110i202111-202403
main35125-48090i202111-202403
3513ARUBBER, TRANSMISSION VIBRATION CONTROL
main3513A-33010×2i202403-202506
35141GRING, O (FOR AUTOMATIC TRANSMISSION CASE)
main90301-10018i202403-202506
35145CGASKET, TRANSAXLE CASE
main35145-33020×3i202111-202403
35150PLUG ASSY, TRANSMISSION CASE
main35150-44010i202403-202506
35150ARING, O (FOR AUTOMATIC TRANSMISSION CASE PLUG)
main90301-09173i202403-202506
35151FCOVER, TRANSMISSION CASE, SIDE
main35151-33161i202403-202506
35394MAGNET, OIL CLEANER (FOR TRANSMISSION)
main35394-48010×3i202403
35405CPLUG SUB-ASSY, W/HEAD STRAIGHT SCREW
main90341-18023i202403
35405DRING, O (FOR STRAIGHT SCREW PLUG)
main90430-18008i202111-202405
35541ABRACKET, SHIFT CONTROL ACTUATOR
main35541-78020i202403
main35541-78030i202403-202506
35580BACTUATOR ASSY, SHIFT CONTROL
main35580-78010i202111-202204
main35580-78011i202205-202207
main35580-78012i202208-202308
main35580-78013i202403
35847CTUBE, TRANSMISSION LUBE APPLY
main35847-48030i202111-202403
35882CTUBE, DIFFERENTIAL GEAR LUBE APPLY
main35882-48030i202403
4301FRONT AXLE HOUSING & DIFFERENTIAL
9010510587
9011008045
9030108015
9046212105
9046400947
9155180620
9155180625
9155180825
9162140614

40 parts on this diagram · 2 diagrams in section

TRANSMISSION CASE & OIL PAN (ATM) — Toyota Parts Diagram with OEM Numbers & Prices | EPC Data