E
EPC Data

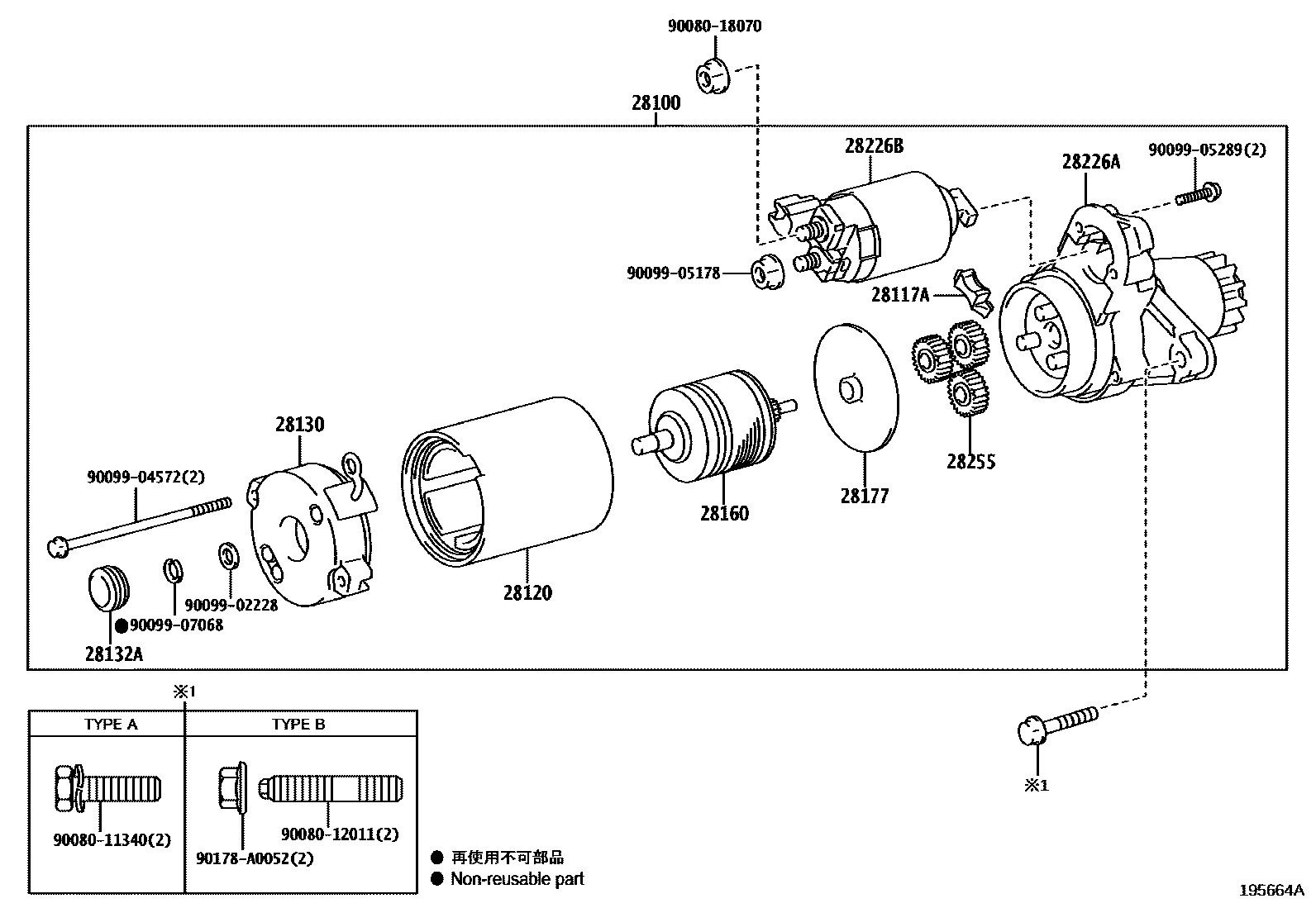
STARTER

Parts diagram
28100STARTER ASSY
main28100-0P090i202012-202210
12V 1.7KW
main28100-0P110i202003-202210
12V 1.7KW
main28100-F0120i202210-202311
12V 1.6KW
main28100-F0140i202210-202312
12V 1.5KW
28117ASEAL, RUBBER
main28117-28060i202003-202210
28120YOKE ASSY, STARTER
main28120-25070i202210-202312
main28120-28060i202003-202210
main28120-31260i202012-202210
main28120-F0120i202210-202311
28130FRAME ASSY, STARTER COMMUTATOR END
main28130-31200i202003-202210
28132ACOVER, STARTER COMMUTATOR END FRAME
main28132-28040i202003-202210
28160ARMATURE ASSY, STARTER
main28160-25120i202210-202312
main28160-28040i202003-202210
main28160-36110i202012-202210
main28160-75210i202210-202311
28177PLATE(FOR STARTER ARMATURE)
main28177-28040i202003-202210
28226ASTARTER KIT, MOTOR TERMINAL
main28226-31220i202003-202210
main28226-31260i202012-202210
28226BSTARTER KIT, REPAIR SERVICE
main28150-37020i202210-202311
main28150-40090i202003-202210
main28150-47240i202012-202210
main28150-47250i202210-202312
28255GEAR, PLANET
main28255-20020×3i202003-202210
9008011340
9008012011
9008018070
9009902228
9009904572
9009905178
9009905289
9009907068
90178A0052

19 parts on this diagram · 4 diagrams in section

STARTER — Toyota Parts Diagram with OEM Numbers & Prices | EPC Data