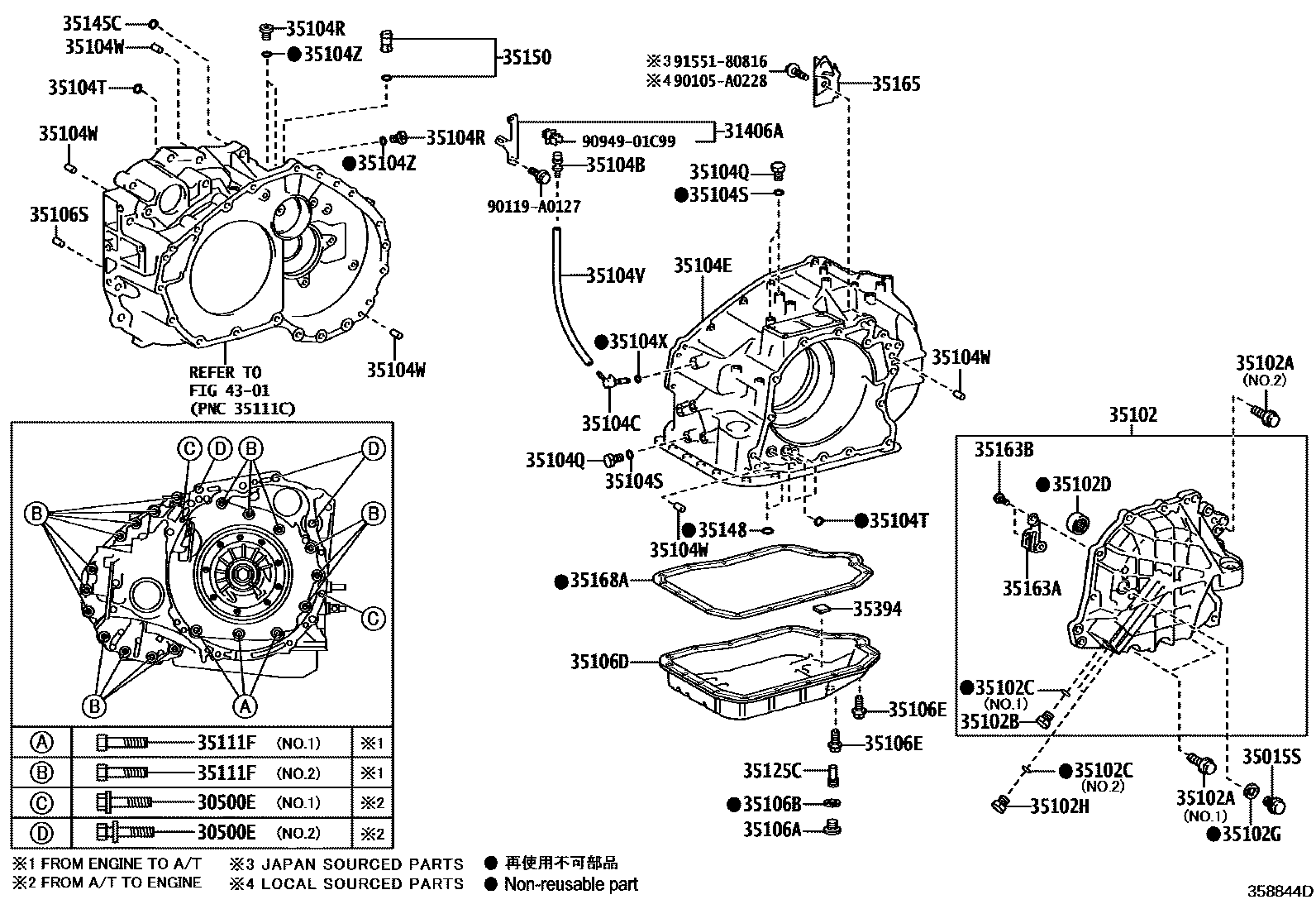
TRANSMISSION CASE & OIL PAN (ATM)

30500EBOLT(FOR TRANSAXLE & ENGINE SETTING)
*10-1.25PX50-30,NO.1
*10-1.25PX41-30,NO.3
*10-1.25PX41-30,NO.2
*12-1.25PX55-30,NO.2
*12-1.25PX55-30,NO.1
*12-1.25PX50-30,NO.2
31406ABRACKET SUB-ASSY, FLEXIBLE HOSE
35015SPLUG, STRAIGHT(FOR TRANSMISSION CASE ADAPTER)
(J)
(L)
35102ABOLT (FOR TRANSAXLE REAR COVER SETTING)
*8-1.25PX28-22,NO.1
*8-1.25PX28-22,(J),NO.1
*8-1.25PX28-22,NO.1
*8-1.25PX28-22,(L),NO.1
*8-1.25PX28-22,NO.2
*8-1.25PX28-22,(L),NO.2
*8-1.25PX28-22,(J),NO.2
*8-1.25PX28-22,NO.2
35102BPLUG(FOR TRANSAXLE REAR COVER)
(J)
(L)
35102CRING, O(FOR TRANSAXLE REAR COVER PULG)
(L),NO.1
NO.1
(L),NO.2
NO.2
(J),NO.1
35102DBEARING, NEEDLE ROLLER(FOR TRANSAXLE REAR COVER)
*349
*325
35102GGASKET (FOR TRANSAXLE REAR COVER )
(J)
(L)
35102HPLUG, NO.2 (FOR TRANSAXLE REAR COVER)
(J)
(L)
35104BPLUG, BREATHER, NO.1 (ATM)
NO.1
(J),NO.2
(L),NO.2
35104CPLUG, BREATHER, NO.2 (ATM)
35104ECASE SUB-ASSY, AUTOMATIC TRANSAXLE
TMMWV:REFER 35-01
AISIN:REFER 35-01
sub35141-33073
sub35141-06031
*349
35104QPLUG, NO.1 (FOR TRANSAXLE CASE)
(J)
(L)
35104RPLUG, NO.2 (FOR TRANSAXLE CASE)
(J)
(L)
35104SRING, O (FOR TRANSAXLE CASE PLUG NO.1)
(L)
(J)
(J),NO.2
35104TRING, O (FOR TRANSAXLE CASE PLUG NO.2)
*349
*325
35104VHOSE (FOR BREATHER PLUG)
*349
*325
35104WPIN, STRAIGHT (FOR TRANSAXLE CASE)
35104XRING, O (FOR BREATHER PLUG)
35104ZGASKET (FOR TRANSAXLE CASE)
35106APLUG SUB-ASSY, DRAIN (ATM)
35106BGASKET, DRAIN PLUG (ATM)
(J)
(L)
35106EBOLT (FOR TRANSAXLE OIL PAN)
NO.2
(L),NO.2
(J)
NO.1,(L)
NO.1
35106SPIN, RING (FOR TRANSAXLE CASE)
(J)
(L)
35111FBOLT (FOR TRANSAXLE HOUSING & TRANSAXLE CASE SETTING)
*8-1.25PX45-22,NO.1
*8-1.25PX45-22,(J),NO.1
*8-1.25PX45-22,NO.1
*8-1.25PX45-22,(L),NO.1
*8-1.25PX45-22,NO.2
*8-1.25PX45-22,(L),NO.2
*8-1.25PX40-22,(L),NO.1
*8-1.25PX35-22,NO.2
*8-1.25PX40-22,(J),NO.1
*8-1.25PX45-22,NO.2
*8-1.25PX45-22,(J),NO.2
35125CTUBE, TRANSMISSION OIL FILLER, NO.1
(L)
(J)
*325
*349
35145CGASKET, TRANSAXLE CASE
*325
*349
35148GASKET, GOVERNOR APPLY, NO.1
*325
*349
35150PLUG ASSY, TRANSMISSION CASE
35163APLATE, TRANSAXLE REAR COVER
(L)
(J)
35163BSCREW, HEX LOBULAR(FOR TRANSAXLE REAR COVER PLATE)
(L)
(J)
35165PLATE, TRANSMISSION CASE, NO.1
35168AGASKET, AUTOMATIC TRANSAXLE OIL PAN
35394MAGNET, OIL CLEANER (FOR TRANSMISSION)
(L)
TMMWV:REFER 35-01
(J)
AISIN:REFER 35-01
TOYOTA:REFER 35-01
4301
90105A0228
main90105-A0228
90119A0127
main90119-A0127
9094901C99
main90949-01C99
9155180816
main91551-80816
41 parts on this diagram · 3 diagrams in section