E
EPC Data

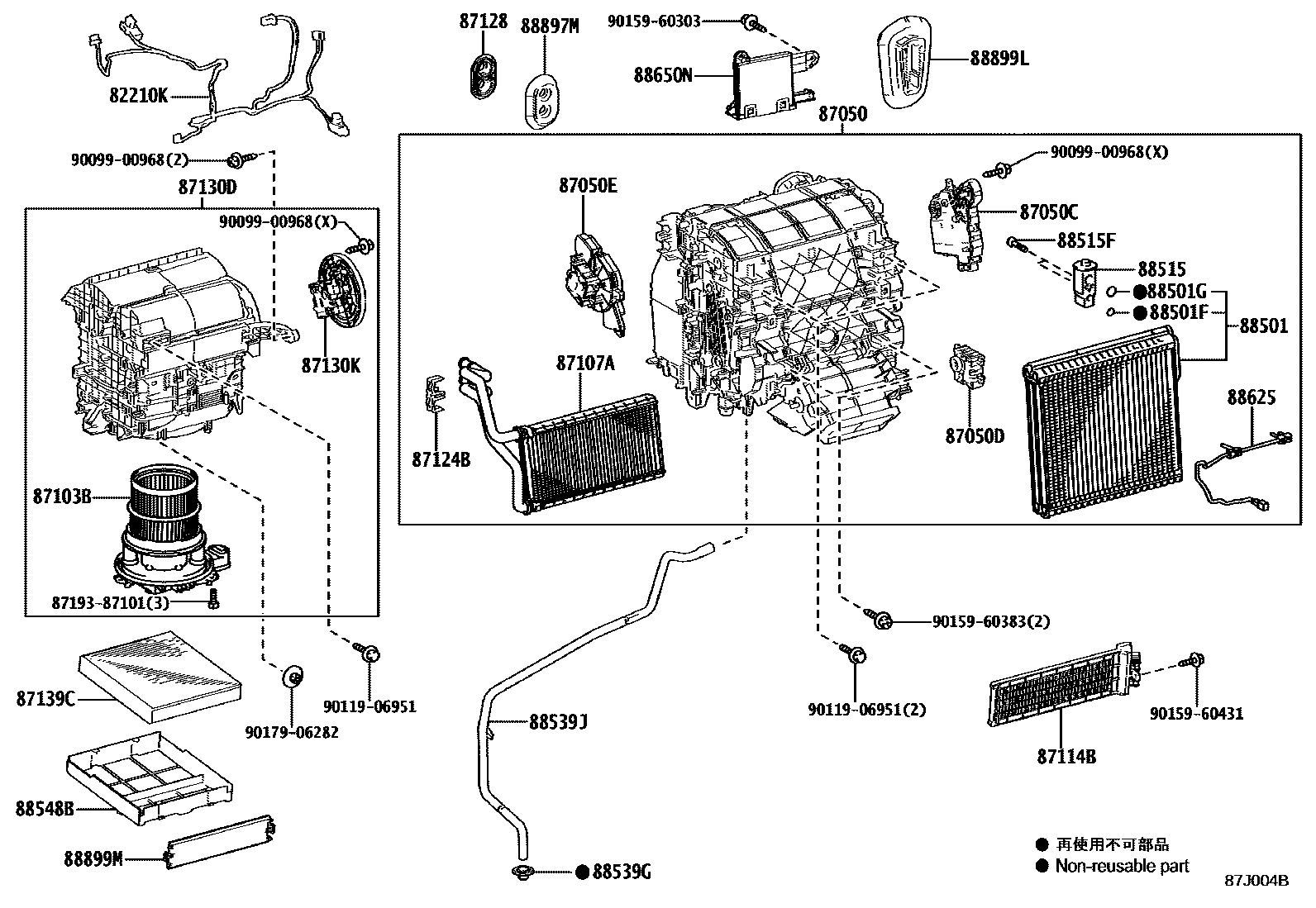
HEATING & AIR CONDITIONING - COOLER UNIT

Parts diagram
82210KHARNESS ASSY, AIR CONDITIONER
main82212-33170i202010-202112
main82212-42060i202009-202210
87050RADIATOR ASSY, AIR CONDITIONER
main87050-33C70i202210
main87050-33D00i202010-202112
main87050-42760i202112-202210
87050CDAMPER SERVO SUB-ASSY, AIR CONDITIONER RADIATOR, NO.1
main87106-48170i202210-202309
87050DDAMPER SERVO SUB-ASSY, AIR CONDITIONER RADIATOR, NO.2
main87106-33340i202009-202210
87050EDAMPER SERVO SUB-ASSY, AIR CONDITIONER RADIATOR, NO.3
main87106-28230i202010-202112
87103BMOTOR SUB-ASSY, BLOWER W/FAN
main87103-58070i202009-202210
main87103-78050i202309
87107AUNIT SUB-ASSY, HEATER RADIATOR
main87107-33140i202009-202210
87114BCOVER, HEATER
main87114-58050i202210-202309
87124BCLAMP, HEATER
main87124-33070i202210
87128GROMMET, HEATER
main87128-28010i202210-202309
87130DBLOWER ASSY
main87130-16211i202309
main87130-47300i202009-202210
87130KDAMPER SERVO SUB-ASSY, BLOWER, NO.1
main87106-28250i202210
87139CFILTER, CLEAN AIR
main87139-58010i202009-202210
DEODORANT FILTER,*DPF
main87139-76020i202405
DEODORANT FILTER
88501EVAPORATOR SUB-ASSY, COOLER, NO.1
main88501-33340i202210-202309
main88501-33350i202210
main88501-33370i202010-202112
88501FO-RING, COOLER EVAPORATOR NO.1(DISCHARGE)
main90099-14120i202210-202309
ID=10.8,OD=15.6
88501GO-RING, COOLER EVAPORATOR NO.1(SUCTION)
main90099-14121i202009-202112
ID=13.4,OD=18.2
88515VALVE, COOLER EXPANSION
main88515-30800i202010-202112
main88515-48110i202009-202210
main88515-52120i202309
88515FBOLT(FOR COOLER EXPANSION VALVE)
main90099-04542×2i202009-202210
88539GGROMMET (FOR COOLER UNIT DRAIN HOSE)
main88888-47010i202009-202210
88539JHOSE, DRAIN COOLER
main88539-42080i202009-202210
88548BCASE, AIR FILTER
main88899-48070i202009-202210
main88899-76020i202405
88625THERMISTOR, COOLER, NO.1
main88620-28050i202112-202210
main88620-33040i202010-202112
88650NAMPLIFIER ASSY, AIR CONDITIONER
main88650-48G80supersedes 88650-48G70i202009-202010
"LEATHER PACKAGE"*(S)
main88650-48G81supersedes 88650-48G71i202010-202104
"LEATHER PACKAGE"*(S)
main88650-48G82supersedes 88650-48G72i202105-202112
"LEATHER PACKAGE"*(S)
main88650-48P70supersedes 88650-48P60i202112-202210
"LEATHER PACKAGE"*(S)
main88650-48Q10supersedes 88650-48Q00i202210-202309
LEATHER PACKAGE
88897MGROMMET (FOR HEATER PIPE)
main87128-33020i202210-202309
88899LPARTS, COOLING UNIT
main88899-33080i202210-202309
main88899-33090i202010-202112
88899MPLATE, COVER(FOR AIR FILTER)
main88899-47120i202210-202309
8719387101
9009900968
9011906951
9015960303
9015960383
9015960431
9017906282

33 parts on this diagram · 2 diagrams in section

HEATING & AIR CONDITIONING - COOLER UNIT — Toyota Parts Diagram with OEM Numbers & Prices | EPC Data