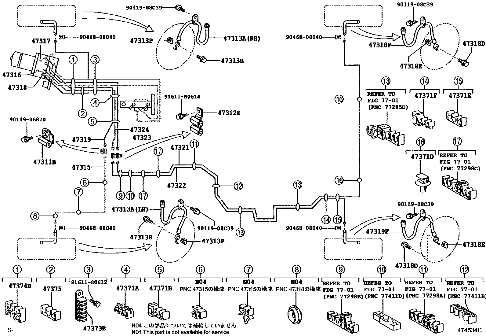
BRAKE TUBE & CLAMP

47311BWAY, NO.1(FOR FRONT BRAKE TUBE)
47312EWAY, NO.2(FOR FRONT BRAKE TUBE)
47313AHOSE, FLEXIBLE, NO.1(FOR FRONT)
RH
LH
RH
LH
47313BBOLT, UNION(FOR FRONT FLEXIBLE HOSE)
47313PGASKET(FOR FRONT FLEXIBLE HOSE)
47315TUBE, FRONT BRAKE, NO.5
47316TUBE, FRONT BRAKE, NO.6
47317TUBE, FRONT BRAKE, NO.7
47318TUBE, FRONT BRAKE, NO.8
47318DBOLT, UNION(FOR REAR FLEXIBLE HOSE)
47318EGASKET(FOR REAR FLEXIBLE HOSE)
47318FHOSE, FLEXIBLE(FOR REAR RH)
47319TUBE, FRONT BRAKE, NO.9
47319FHOSE, FLEXIBLE(FOR REAR LH)
47321TUBE, REAR BRAKE, NO.1
47322TUBE, REAR BRAKE, NO.2
47323TUBE, REAR BRAKE, NO.3
47324TUBE, REAR BRAKE, NO.4
47371ACLAMP, BRAKE TUBE, NO.1
47371BCLAMP, BRAKE TUBE, NO.6
47371DCLAMP, BRAKE TUBE, NO.8
47371ECLAMP, BRAKE TUBE, NO.9
47371FCLAMP, BRAKE TUBE, NO.10
47373BCLAMP, BRAKE TUBE, NO.3
47374BCLAMP, BRAKE TUBE, NO.4
47375CLAMP, BRAKE TUBE, NO.5
7701
9011906870
main90119-06870
9011908C39
main90119-08C39
9046808040
main90468-08040
91611B0614
main91611-B0614
91611G0612
main91611-G0612
32 parts on this diagram · 3 diagrams in section