E
EPC Data

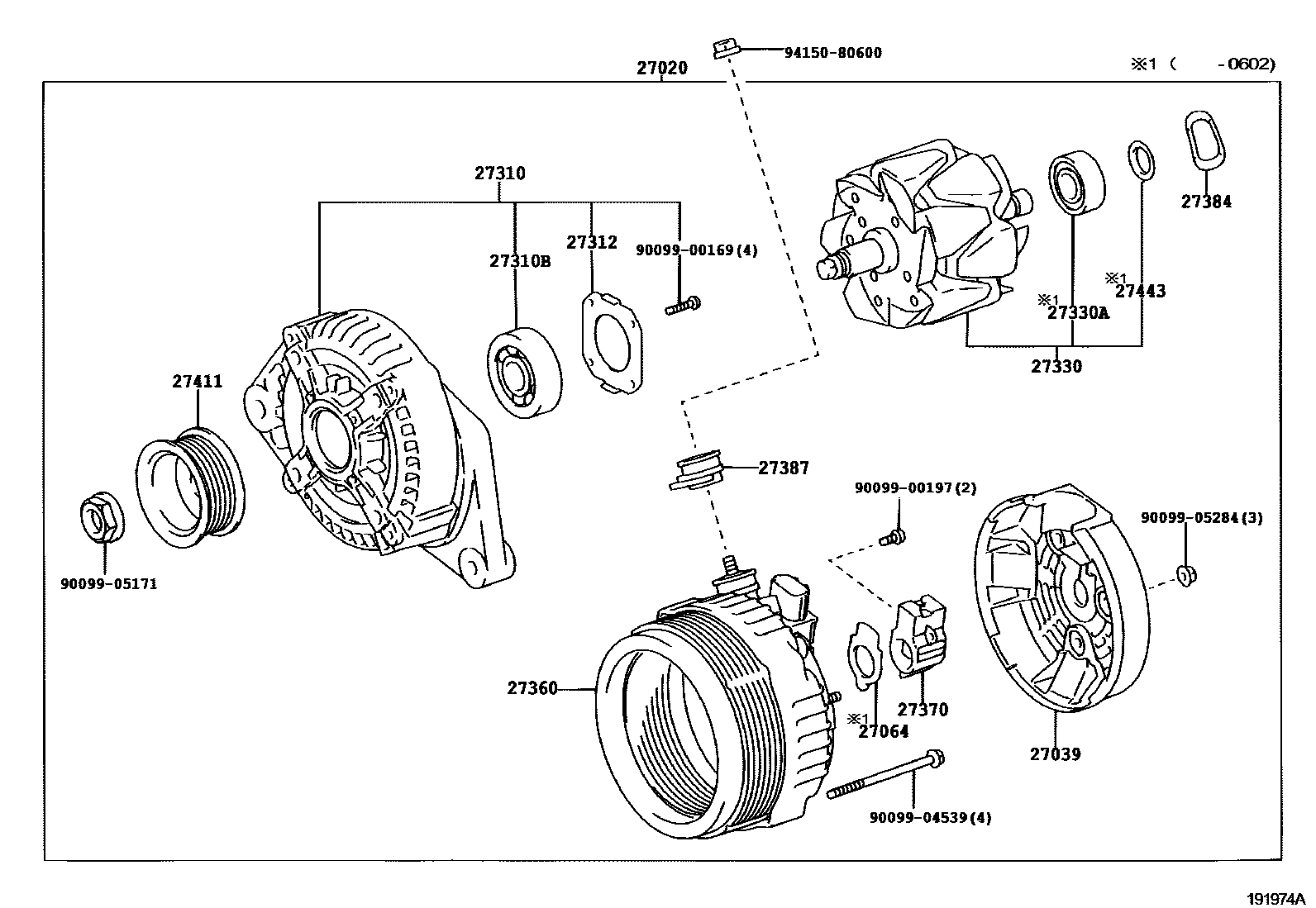
ALTERNATOR

Parts diagram
27020ALTERNATOR ASSY
main27060-20280i200308
12V 130A
27039COVER, ALTERNATOR REAR END
main27039-27060i200602
main27039-28150i200308-200602
27064SEAL, ALTERNATOR PLATE
main27064-20130i200308-200602
NO.1
main27064-42010i200308-200602
NO.2
27310FRAME ASSY, DRIVE END, ALTERNATOR
main27310-20130i200308
27310BBEARING(FOR ALTERNATOR DRIVE END FRAME)
main90099-10142i200308-200611
main90099-10223i200612
27312PLATE, RETAINER
main27312-72100i200308
27330ROTOR ASSY, ALTERNATOR
main27330-20130i200308-200602
main27330-33090i200602
27330ABEARING(FOR ALTERNATOR ROTOR)
main90099-10140i200308-200602
27360COIL ASSY, ALTERNATOR
main27360-20170i200602
main27360-20230i200308-200602
27370HOLDER ASSY, ALTERNATOR BRUSH
main27370-20130i200308-200602
main27370-58460i200602
27384WASHER
main27384-50030i200308
27387INSULATOR, TERMINAL
main27387-20130i200308
27411PULLEY, ALTERNATOR
main27411-46080i200308
27443COVER, ALTERNATOR BEARING
main27443-63020i200308-200602
9009900169
9009900197
9009904539
9009905171
9009905284
9415080600

20 parts on this diagram · 1 diagram in section

ALTERNATOR — Toyota Parts Diagram with OEM Numbers & Prices | EPC Data