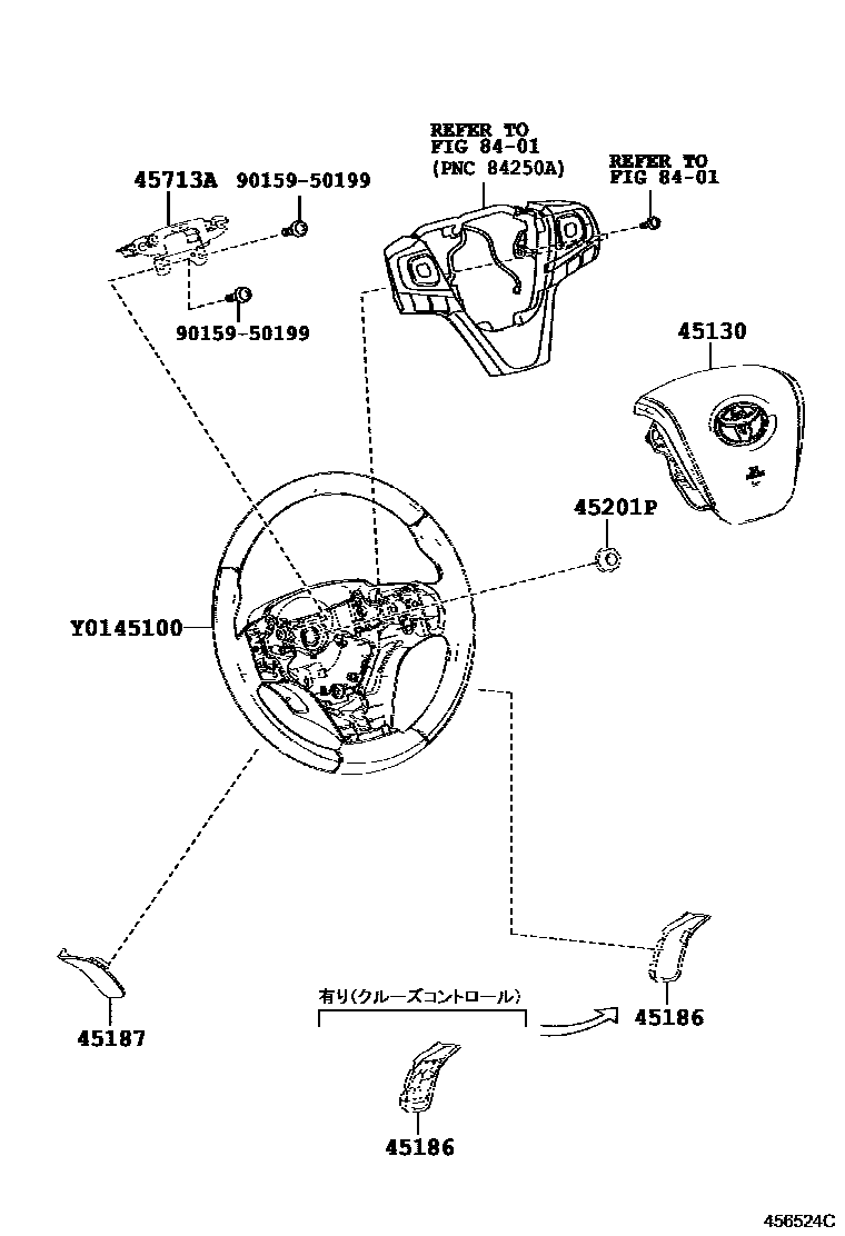
STEERING WHEEL

45100WHEEL ASSY, STEERING
3-SPOKE,LEATHER,BLACK & RED,TRIM2#
45130BUTTON ASSY, HORN
BLACK,TRIM2#
45186COVER, STEERING WHEEL, LOWER NO.2
BLACK,TRIM2#
45187COVER, STEERING WHEEL, LOWER NO.3
BLACK,TRIM2#
45201PNUT, STEERING WHEEL SET
45713ADAMPER, STEERING SHAKE
8401SWITCH & RELAY & COMPUTER
9015950199
main90159-50199
8 parts on this diagram · 1 diagram in section