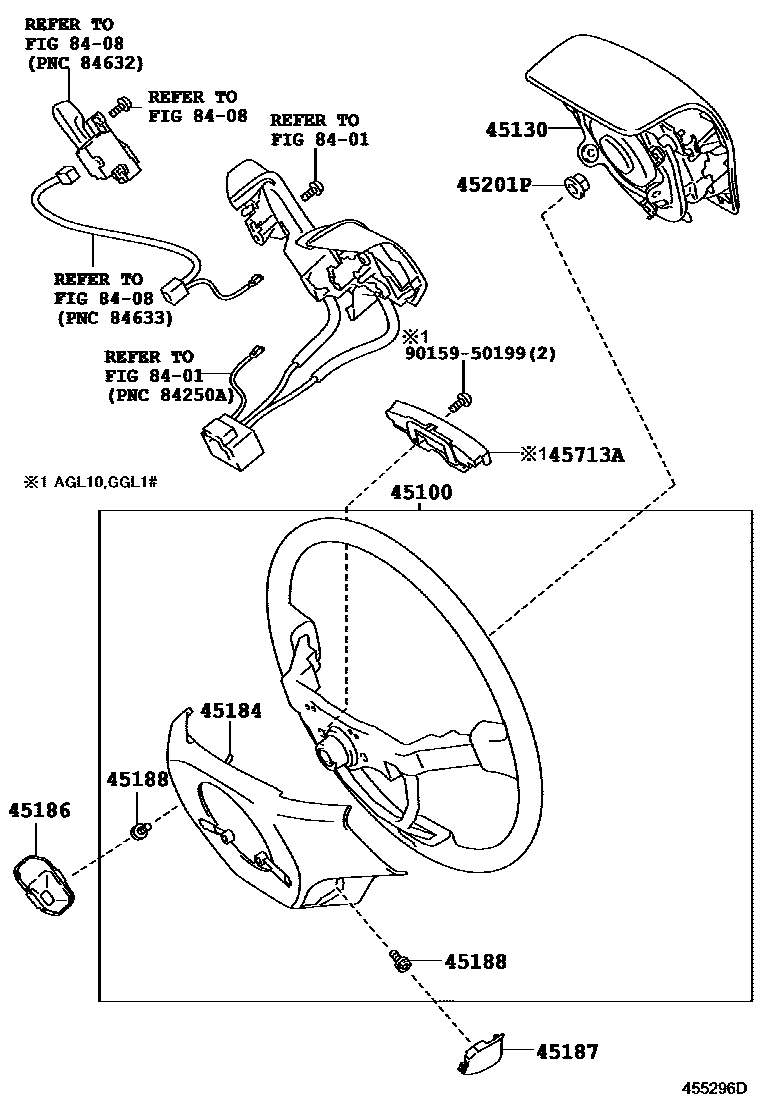
STEERING WHEEL

45100WHEEL ASSY, STEERING
3-SPOKE,LEATHER,BLACK & RED,TRIM22
3-SPOKE,LEATHER,BLACK,TRIM1#,2#
3-SPOKE,LEATHER,BLACK,TRIM1#,2#
3-SPOKE,LEATHER,BLACK/BLACK,TRIM1#,2#,3#,4#
3-SPOKE,LEATHER,BLACK/CRIMSON,TRIM32
3-SPOKE,LEATHER,DK.BROWN/DK.BROWN,TRIM0#
3-SPOKE,WOOD&LEATHER,STEERING WHEEL-WOOD,WITH(STEERING HEATER),BLACK/DK.BROWN,TRIM4#
3-SPOKE,WOOD&LEATHER,STEERING WHEEL-WOOD,WITH(STEERING HEATER),BLACK/DARK GRAY,TRIM1#,2#,3#
3-SPOKE,WOOD&LEATHER,STEERING WHEEL-WOOD,WITH(STEERING HEATER),DK.BROWN/DK.BROWN,TRIM0#
3-SPOKE,WOOD&LEATHER,STEERING WHEEL-WOOD,BLACK & DK.BROWN,TRIM1#
3-SPOKE,WOOD&LEATHER,STEERING WHEEL-WOOD,BLACK & MD.BROWN,TRIM2#
3-SPOKE,WOOD&LEATHER,STEERING WHEEL-WOOD,DK. BROWN & MD.BROWN,TRIM0#
3-SPOKE,WOOD&LEATHER,STEERING WHEEL-WOOD,BLACK & DK.BROWN,TRIM1#
3-SPOKE,WOOD&LEATHER,STEERING WHEEL-WOOD,BLACK & MD.BROWN,TRIM2#
3-SPOKE,WOOD&LEATHER,STEERING WHEEL-WOOD,DK. BROWN & MD.BROWN,TRIM0#
3-SPOKE,WOOD&LEATHER,STEERING WHEEL-BAMBOO,BLACK/DK.BROWN,TRIM4#
3-SPOKE,WOOD&LEATHER,STEERING WHEEL-BAMBOO,BLACK/DARK GRAY,TRIM10,20,30
3-SPOKE,WOOD&LEATHER,STEERING WHEEL-BAMBOO,BLACK/NATURAL BROWN,TRIM20,30,40
3-SPOKE,WOOD&LEATHER,STEERING WHEEL-BAMBOO,BLACK/DK.GRAY/CRIMSON,TRIM32
3-SPOKE,WOOD&LEATHER,STEERING WHEEL-BAMBOO,DK.BROWN/DK.BROWN,TRIM00
3-SPOKE,WOOD&LEATHER,STEERING WHEEL-BAMBOO,DK. BROWN/NATURAL BROWN,TRIM00
3-SPOKE,LEATHER,STEERING WHEEL-F SPORT,BLACK/LT.GRAY,TRIM2#
3-SPOKE,LEATHER,STEERING WHEEL-F SPORT,BLACK/BLACK,TRIM1#,3#,4#
3-SPOKE,LEATHER,STEERING WHEEL-F SPORT,WITH(PADDLE SWITCH),BLACK/LT.GRAY,TRIM2#
3-SPOKE,LEATHER,STEERING WHEEL-F SPORT,WITH(PADDLE SWITCH),BLACK/BLACK,TRIM1#,20,3#,4#
3-SPOKE,WOOD&LEATHER,STEERING WHEEL-WOOD,WITH(STEERING HEATER),BLACK/DARK GRAY,TRIM1#,2#
3-SPOKE,WOOD&LEATHER,STEERING WHEEL-BAMBOO WOOD,WITH(STEERING HEATER),BLACK/DK.BROWN,TRIM40
3-SPOKE,WOOD&LEATHER,STEERING WHEEL-WOOD,WITH(STEERING HEATER),BLACK/NATURAL BROWN,TRIM20
3-SPOKE,WOOD&LEATHER,STEERING WHEEL-WOOD,WITH(STEERING HEATER),DK.BROWN/DK.BROWN,TRIM0#
3-SPOKE,WOOD&LEATHER,STEERING WHEEL-WOOD,WITH(STEERING HEATER),DK. BROWN/NATURAL BROWN,TRIM00
STEERING WHEEL-WOOD,WITH(STEERING HEATER),BLACK/DARK GRAY,TRIM10,20
STEERING WHEEL-WOOD,WITH(STEERING HEATER),BLACK/DK.BROWN,TRIM40
STEERING WHEEL-WOOD,WITH(STEERING HEATER),BLACK/NATURAL BROWN,TRIM10,20,40
STEERING WHEEL-WOOD,WITH(STEERING HEATER),DK.BROWN/DK.BROWN,TRIM0#
STEERING WHEEL-BAMBOO WOOD,WITH(STEERING HEATER),DK.BROWN/NATURAL BROWN,TRIM00
45130BUTTON ASSY, HORN
BLACK,TRIM1#,2#
DK. BROWN,TRIM0#
BLACK,TRIM1#,2#,3#,4#
DK. BROWN,TRIM0#
BEIJING SPEC,BLACK,TRIM1#,2#,3#,4#
CHINA(EXCEPT BEIJING) SPEC,DK. BROWN,TRIM0#
CHINA(EXCEPT BEIJING) SPEC,BLACK,TRIM1#,2#
CHINA(EXCEPT BEIJING) SPEC,DK. BROWN,TRIM0#
45184COVER, STEERING WHEEL BOSS, LOWER
BLACK,TRIM1#,2#
DK. BROWN,TRIM0#
BLACK,TRIM1#,2#,3#,4#
DK. BROWN,TRIM0#
STEERING WHEEL-F SPORT,WITH(PADDLE SWITCH),BLACK,TRIM1#,2#,3#,4#
45186COVER, STEERING WHEEL, LOWER NO.2
BLACK,TRIM1#,2#,3#,4#
DK. BROWN,TRIM0#
BLACK,TRIM1#,2#
DK. BROWN,TRIM0#
45187COVER, STEERING WHEEL, LOWER NO.3
BLACK,TRIM1#,2#,3#,4#
DK. BROWN,TRIM0#
BLACK,TRIM1#,2#
DK. BROWN,TRIM0#
45188SCREW, STEERING WHEEL PAD ATTACHING
L=18
45201PNUT, STEERING WHEEL SET
45713ADAMPER, STEERING SHAKE
8401
8408
9015950199
main90159-50199
11 parts on this diagram · 2 diagrams in section