E
EPC Data

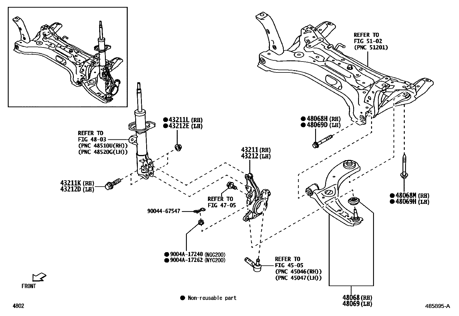
FRONT AXLE ARM & STEERING KNUCKLE

Parts diagram
43211KNUCKLE, STEERING, RH
main43211-BZ440i202306
main43211-BZ550i202306
43211KBOLT (FOR STEERING KNUCKLE RH)
main9004A-10307i202306
43211LNUT (FOR STEERING KNUCKLE RH)
main90041-70393i202306
43212KNUCKLE, STEERING, LH
main43212-BZ440i202306
main43212-BZ550i202306
43212DBOLT (FOR STEERING KNUCKLE LH)
main9004A-10307i202306
43212ENUT (FOR STEERING KNUCKLE LH)
main90041-70393i202306
4505FRONT STEERING GEAR & LINK
4705FRONT DISC BRAKE CALIPER & DUST COVER
4803FRONT SPRING & SHOCK ABSORBER
48068ARM SUB-ASSY, FRONT SUSPENSION, LOWER NO.1 RH
main48068-09360i202310
main48068-BZ431i202306
main48068-BZ441i202406
main48068-BZ490i202306
main48068-BZ550i202406
48068HBOLT(FOR FRONT SUSPENSION LOWER ARM NO.1 RH)
main90041-05441i202306
48068MBOLT(FOR FRONT SUSPENSION LOWER ARM NO.2 RH)
main9004A-10306i202306
48069ARM SUB-ASSY, FRONT SUSPENSION, LOWER NO.1 LH
main48069-09360i202310
main48069-BZ431i202306
main48069-BZ441i202406
main48069-BZ490i202306
main48069-BZ550i202406
48069DBOLT(FOR FRONT SUSPENSION LOWER ARM NO.1 LH)
main90041-05441i202306
48069HBOLT(FOR FRONT SUSPENSION LOWER ARM NO.2 LH)
main9004A-10306i202306
5102SUSPENSION CROSSMEMBER & UNDER COVER
9004467547
9004A17240
9004A17262

19 parts on this diagram · 2 diagrams in section

FRONT AXLE ARM & STEERING KNUCKLE — Toyota Parts Diagram with OEM Numbers & Prices | EPC Data