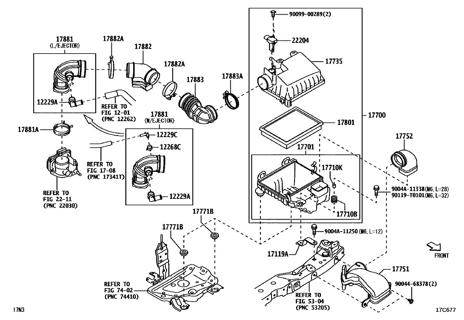
AIR CLEANER

1201VENTILATION HOSE
12229APIPE, VENTILATION
12229CPIPE, VENTILATION, NO.2
12268CCLIP, HOSE
1708VACUUM PIPING
17119ABRACKET, AIR CLEANER
17700CLEANER ASSY, AIR
W/ELEMENT
W/ELEMENT
17701CASE SUB-ASSY, AIR CLEANER
17710BGROMMET
17710KCOLLAR(FOR AIR CLEANER)
17735CAP, AIR CLEANER
17751INLET, AIR CLEANER, NO.1
17752INLET, AIR CLEANER, NO.2
17771BGROMMET(FOR AIR CLEANER BRACKET)
17801ELEMENT SUB-ASSY, AIR CLEANER FILTER
17881HOSE, AIR CLEANER, NO.1
L/EJECTOR
W/EJECTOR
17881ACLAMP(FOR AIR CLEANER HOSE, NO.1)
17882HOSE, AIR CLEANER, NO.2
17882ACLAMP(FOR AIR CLEANER HOSE, NO.2)
17883HOSE, AIR CLEANER, NO.3
17883ACLAMP(FOR AIR CLEANER HOSE, NO.3)
2211FUEL INJECTION SYSTEM
22204METER SUB-ASSY, INTAKE AIR FLOW
5304FRONT FENDER APRON & DASH PANEL
7402BATTERY CARRIER
9004468378
main90044-68378
9004A11250
main9004A-11250
9004A11338
main9004A-11338
9009900289
main90099-00289
90119T0101
main90119-T0101
30 parts on this diagram · 2 diagrams in section