E
EPC Data

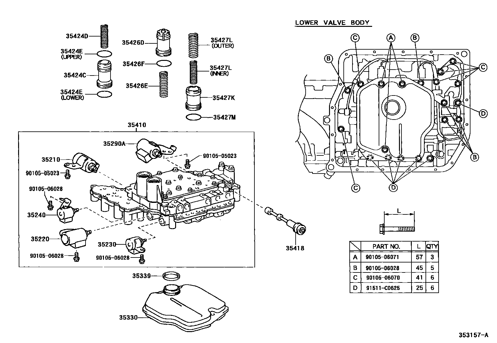
VALVE BODY & OIL STRAINER (ATM)

Parts diagram
35210SOLENOID ASSY, CLUTCH CONTROL, NO.1
main35210-21010i200105-200310
35220SOLENOID ASSY, CLUTCH CONTROL, NO.2
main35220-21010i200105-200310
35230SOLENOID ASSY, TRANSMISSION 3WAY, NO.2
main35230-21010i200105-200310
35240SOLENOID ASSY, AUTOMATIC TRANSMISSION 3WAY
main35240-21010i200105-200310
35290ASOLENOID ASSY, LINE PRESSURE CONTROL
main35290-21010i200310
main35290-32010i200105-200310
35330STRAINER ASSY, VALVE BODY OIL
main35330-06010i200105-200310
35339GASKET, OIL STRAINER
main90301-32010i200105-200310
35410BODY ASSY, TRANSMISSION VALVE
main35410-20500i200105-200310
main35410-48011i200310
35418VALVE, MANUAL
main35418-21011i200105-200310
35424CPISTON, C-1 ACCUMULATOR
main35424-21010i200310
35424DSPRING, COMPRESSION (FOR C-1 ACCUMULATOR PISTON)
main90501-22039i200310
35424ERING, O (FOR C-1 ACCUMULATOR PISTON)
main90301-27008i200310-200912
UPPER
main90301-30007i200105-200310
LOWER
35426DPISTON, C-3 ACCUMULATOR
main35406-21010i200105-200310
35426ESPRING, COMPRESSION (FOR C-3 ACCUMULATOR PISTON)
main90905-01035i200105-200310
35426FRING, O (FOR C-3 ACCUMULATOR PISTON)
main90301-30007i200105-200310
35427KPISTON, B-3 ACCUMULATOR
main35427-21010i200105-200310
35427LSPRING, COMPRESSION (FOR B-3 ACCUMULATOR PISTON)
main90501-22038i200105-200310
INNER
main90501-25053i200105-200310
OUTER
35427MRING, O (FOR B-3 ACCUMULATOR PISTON)
main90301-28008i200105-200310
9010505023
9010506028
9010506070
9010506071
91511C0625

23 parts on this diagram · 3 diagrams in section

VALVE BODY & OIL STRAINER (ATM) — Toyota Parts Diagram with OEM Numbers & Prices | EPC Data