E
EPC Data

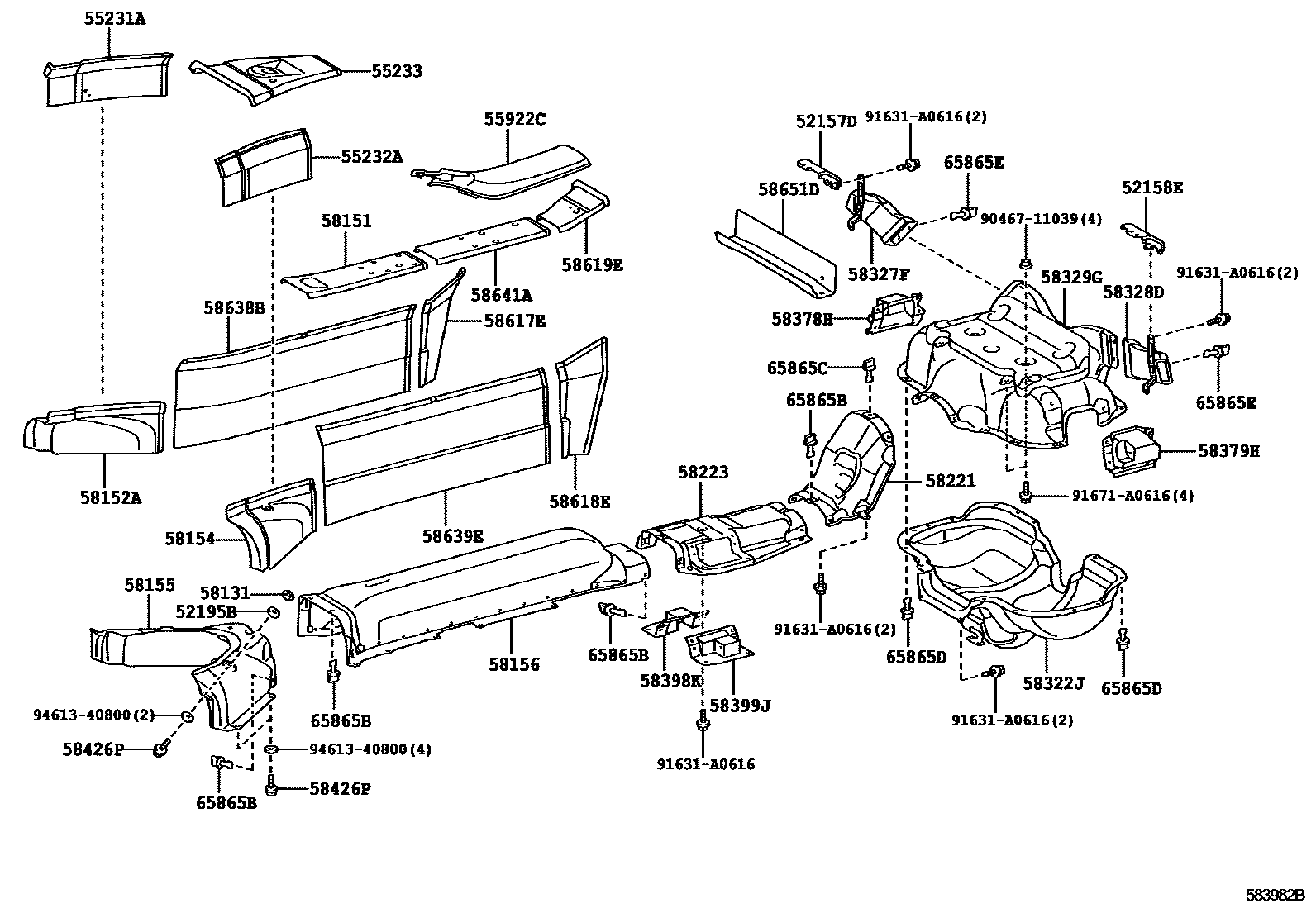
FLOOR INSULATOR

Parts diagram
52157DSTAY, REAR BUMPER SIDE, NO.2 RH
main52157-77010201012
52158ESTAY, REAR BUMPER SIDE, NO.2 LH
main52158-77010201012
52195BSPACER, REAR BUMPER EXTENSION, RH
main52195-53010201012
55231ASHEET, DASH PANEL INSULATOR, RH
main55231-77010201012
55232ASHEET, DASH PANEL INSULATOR, LH
main55232-77010201012
55233SHEET, DASH PANEL INSULATOR
main55233-77010201012
55922CSPRING, WASHER
main55922-77010201012
58131BRACKET, FRONT FLOOR HEAT INSULATOR, NO.1
main58131-77010201012
58151INSULATOR, FRONT FLOOR HEAT, NO.1
main58151-77010201012
58152AINSULATOR, FRONT FLOOR HEAT, NO.1 LOWER
main58152-77010201012
58154INSULATOR, FRONT FLOOR HEAT, NO.2 LOWER
main58154-77010201012
58155INSULATOR, FRONT FLOOR HEAT, NO.3
main58155-77010201012
58156INSULATOR, FRONT FLOOR HEAT, NO.4
main58156-77010201012
58221INSULATOR, CENTER FLOOR HEAT, NO.1
main58221-77010201012
58223INSULATOR, CENTER FLOOR HEAT, NO.2
main58223-77010201012
58322JINSULATOR, REAR FLOOR HEAT, LOWER
main58322-77010201012
58327FINSULATOR, MAIN MUFFLER HEAT, RH
main58327-77010201012
58328DINSULATOR, MAIN MUFFLER HEAT, LH
main58328-77010201012
58329GINSULATOR, MAIN MUFFLER HEAT, REAR UPPER
main58329-77010201012
58378HCOVER, LOWER BACK TRIM RETAINER, RH
main58378-77010201012
58379HCOVER, LOWER BACK TRIM RETAINER, LH
main58379-77010201012
58398KCOVER, FLOOR UNDER, NO.1
main58398-77010201012
58399JCOVER, FLOOR UNDER, NO.2
main58399-77010201012
58426PPROTECTOR, ENGINE SUB COVER
main58426-77030201012
58617ESHEET, CENTER FLOOR SILENCER, REAR RH
main58617-77010201012
58618ESHEET, CENTER FLOOR SILENCER, REAR LH
main58618-77010201012
58619ESHEET, CENTER FLOOR SILENCER, REAR CENTER
main58619-77010201012
58638BSHEET, FRONT SEAT FLOOR SILENCER, RH
main58638-77010201012
58639ESHEET, FRONT SEAT FLOOR SILENCER, LH
main58639-77010201012
58641ASHEET, FRONT FLOOR SILENCER, REAR
main58641-77010201012
58651DSHEET, REAR FLOOR SILENCER, NO.1
main58651-77010201012
65865BPIN, COVER TOP GUIDE
main65865-77010201012
65865CPIN, COVER TOP GUIDE
main65865-77010201012
65865DPIN, COVER TOP GUIDE
main65865-77010201012
65865EPIN, COVER TOP GUIDE
main65865-77010201012
9046711039
91631A0616
91671A0616
9461340800

39 parts on this diagram · 1 diagram in section

FLOOR INSULATOR — Toyota Parts Diagram with OEM Numbers & Prices | EPC Data