E
EPC Data

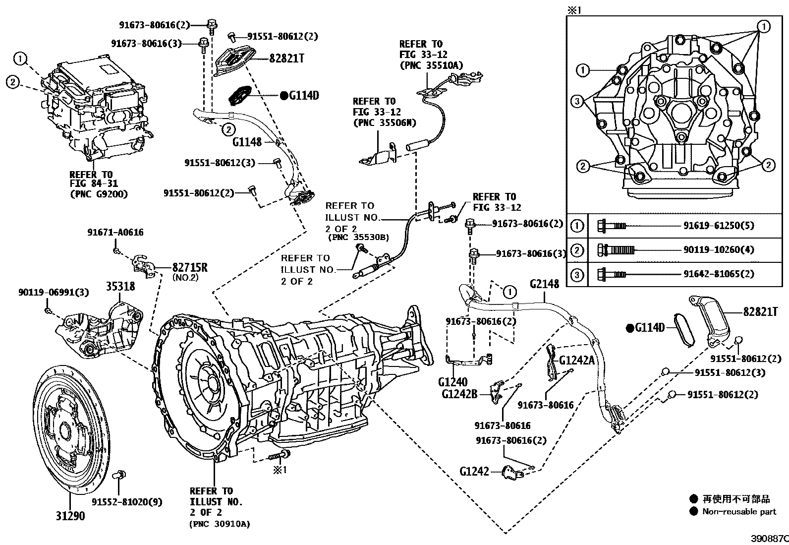
TRANSAXLE ASSY(HEV OR BEV OR FCEV)

Parts diagram
31290COVER ASSY, TRANSMISSION INPUT DAMPER
main31290-30010i202305-202403
3312
35318INSULATOR, TRANSMISSION OIL PUMP
main35318-11010i202305-202403
82715RBRACKET, WIRING HARNESS CLAMP, NO.1
main82715-11010i202305-202403
NO.1:REFER ILLUST.
main82715-11020i202305
NO.2:REFER ILLUST.
82821TCOVER, CONNECTOR
main82821-11010×2i202305
8431
G1148CABLE, MOTOR
mainG114811010i202305-202403
mainG114811020i202305-202403
G114DCAP, MOTOR CABLE TERMINAL
mainG114D30010×2i202305
G1240BRACKET ASSY, INVERTER MOTOR CABLE
mainG124011010i202305-202403
mainG124011020i202305-202403
G1242BRACKET, ENGINE MOTOR CABLE CLAMP
mainG124211010i202305-202403
mainG124211030i202305-202403
G1242ABRACKET, ENGINE MOTOR CABLE CLAMP
mainG124211020i202305-202403
mainG124211040i202305-202403
G1242BBRACKET, ENGINE MOTOR CABLE CLAMP
mainG124211050i202305
G2148CABLE, GENERATOR
mainG214811010i202305-202403
mainG214811020i202305-202403
9011906991
9011910260
9155180612
9155281020
9161961250
9164281065
91671A0616
9167380616

21 parts on this diagram · 3 diagrams in section

TRANSAXLE ASSY(HEV OR BEV OR FCEV) — Toyota Parts Diagram with OEM Numbers & Prices | EPC Data