E
EPC Data

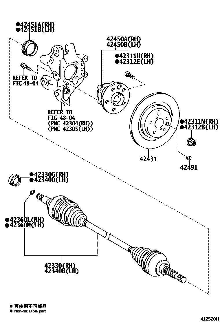
REAR AXLE SHAFT & HUB

Parts diagram
42311NNUT(FOR REAR AXLE SHAFT RH)
main90177-26001i201209
42311UBOLT, HUB(FOR REAR AXLE RH)
main90942-02083×5i201209
42312BNUT(FOR REAR AXLE SHAFT LH)
main90177-26001i201209
42312EBOLT, HUB(FOR REAR AXLE LH)
main90942-02083×5i201209
42330SHAFT ASSY, REAR DRIVE, RH
main42330-50070i201209
42330GOIL SEAL, REAR DRIVE SHAFT, RH
main90311-47018i201209-201708
42340BSHAFT ASSY, REAR DRIVE, LH
main42340-50070i201209
42340DOIL SEAL, REAR DRIVE SHAFT, LH
main90311-47019i201209-201708
42360LRING, SHAFT SNAP (FOR REAR DRIVE SHAFT INBOARD JOINT RH)
main90521-34003i201209
42360MRING, SHAFT SNAP (FOR REAR DRIVE SHAFT INBOARD JOINT LH)
main90521-34003i201209
42431DISC, REAR
main42431-50100i201209-201708
RH
main42432-50010i201209-201708
LH
42450AHUB & BEARING ASSY, REAR AXLE, RH
main42410-50042i201209
42450BHUB & BEARING ASSY, REAR AXLE, LH
main42410-50042i201209
42451ADEFLECTOR, REAR WHEEL BEARING DUST, NO.1 RH
main42451-50030i201209
42451BDEFLECTOR, REAR WHEEL BEARING DUST, NO.1 LH
main42451-50030i201209
42491PLUG, SHOE ADJUSTING HOLE (FOR PARKING BRAKE)
main47491-50010×2i201209-201708
4804REAR SPRING & SHOCK ABSORBER

17 parts on this diagram · 1 diagram in section

REAR AXLE SHAFT & HUB — Toyota Parts Diagram with OEM Numbers & Prices | EPC Data