E
EPC Data

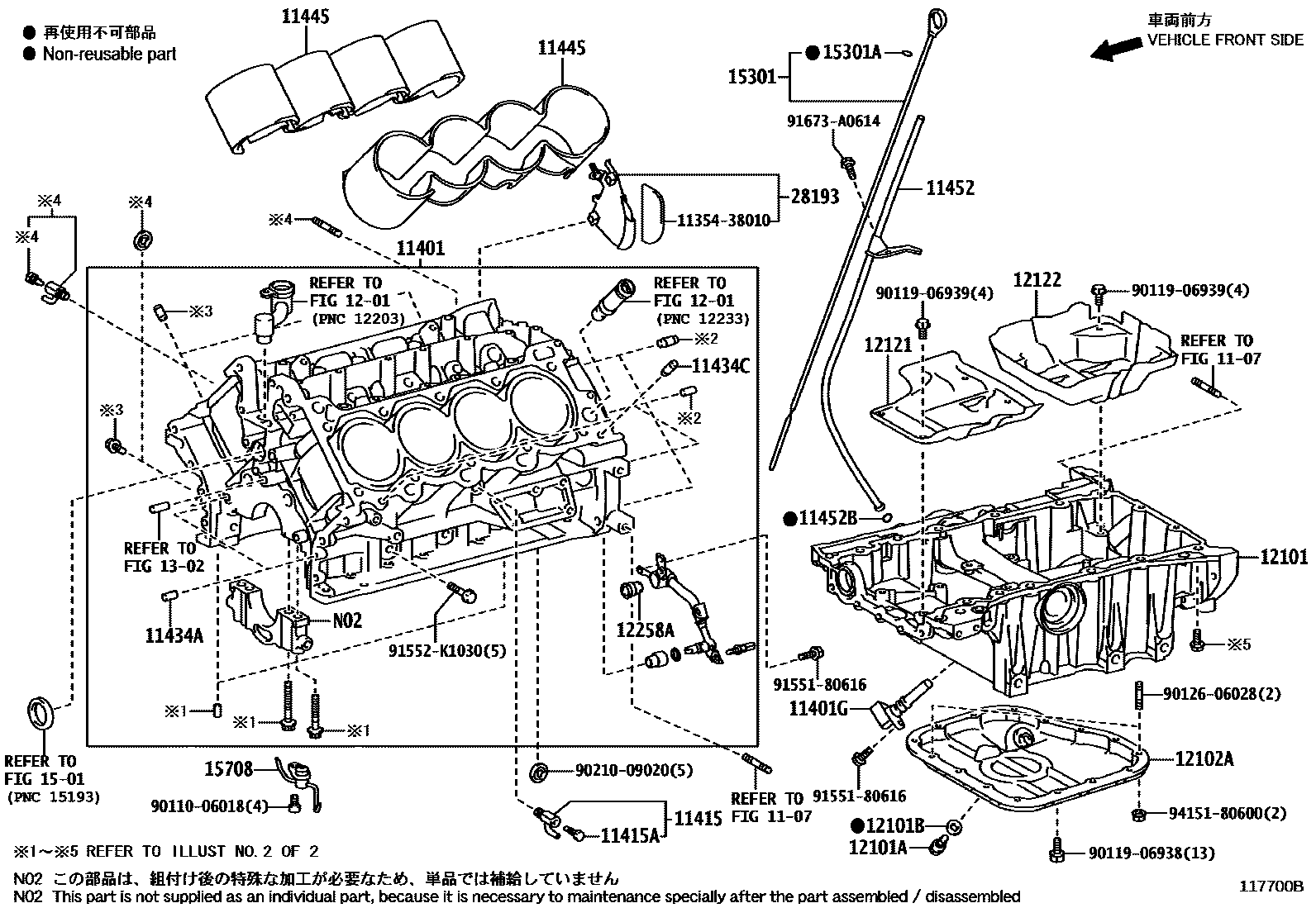
CYLINDER BLOCK

Parts diagram
11401BLOCK SUB-ASSY, CYLINDER
main11401-80787i201209-201504
main11401-80831i201504
11401GSENSOR, CRANK POSITION
main90919-05071i201209
11415COCK SUB-ASSY, WATER DRAIN(FOR CYLINDER BLOCK)
main90910-09129×2i201209
11415APLUG, WATER DRAIN COCK(FOR CYLINDER BLOCK)
main90910-09087×2i201209
11434APIN, STRAIGHT(FOR TIMING GEAR COVER SET)
main90250-04097×2i201209
L=12,OD=4.0
11434CPIN, STRAIGHT (FOR CYLINDER HEAD SET)
main90250-08120×4i201209
L=18,OD=8
11445SPACER, CYLINDER BLOCK WATER JACKET
main11445-38010×2i201209
11452GUIDE, OIL LEVEL GAGE
main11452-38050i201209
11452BRING, O(FOR OIL LEVEL GAGE GUIDE)
main90301-09028i201209
1201VENTILATION HOSE
12101PAN SUB-ASSY, OIL
main12101-38090i201209
12101APLUG(FOR OIL PAN DRAIN)
main90341-12012i201209
12101BGASKET(FOR OIL PAN DRAIN PLUG)
main90430-12031i201209
12102APAN SUB-ASSY, OIL, NO.2
main12102-38031i201209
12121PLATE, OIL PAN BAFFLE, NO.1
main12121-38090i201209
12122PLATE, OIL PAN BAFFLE, NO.2
main12122-38010i201209
12258AGASKET, OIL RETURN PIPE
main12269-38010i201209
1302CAMSHAFT & VALVE
1501ENGINE OIL PUMP
15301GAGE SUB-ASSY, OIL LEVEL
main15301-38070i201209
15301ARING, O(FOR OIL LEVEL GAGE)
main96741-19005i201209
15708NOZZLE SUB-ASSY, OIL, NO.1
main15708-38020×4i201209-201405
main15708-38030×4i201406
28193INSULATOR, STARTER HOLE
main28193-38011i201209
1135438010SEAL, FLYWHEEL HOUSING DUST
9011006018
9011906938
9011906939
9012606028
9021009020
9155180616
91552K1030
91673A0614
9415180600

34 parts on this diagram · 2 diagrams in section

CYLINDER BLOCK — Toyota Parts Diagram with OEM Numbers & Prices | EPC Data