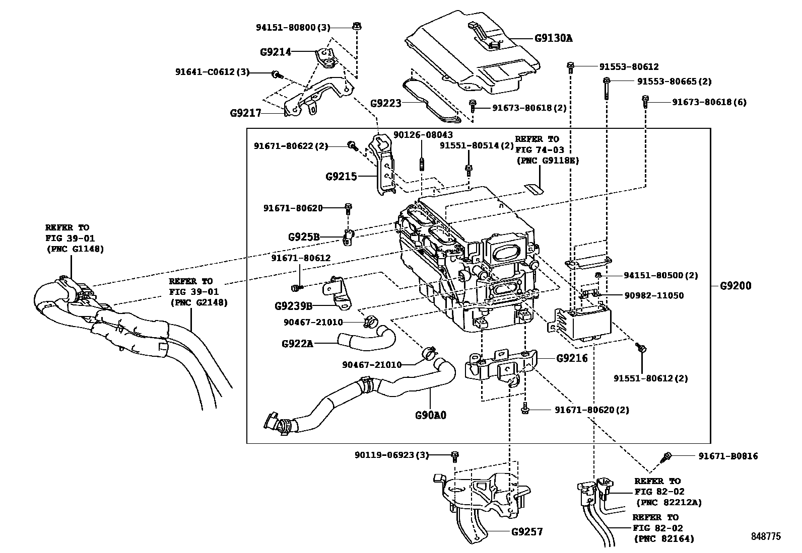
HEV INVERTER

3901TRANSAXLE ASSY(HEV OR BEV OR FCEV)
7403CAUTION PLATE (EXTERIOR & INTERIOR)
8202WIRING & CLAMP
G90A0HOSE ASSY, INVERTER COOLING, NO.1
G9130ACOVER ASSY, INVERTER, RH
G9200INVERTER ASSY, W/CONVERTER
G9214BRACKET, INVERTER, NO.1
G9215BRACKET, INVERTER, NO.2
G9216BRACKET, INVERTER, NO.3
G9217BRACKET, INVERTER, NO.4
G9223COVER, INVERTER TERMINAL
G922AHOSE, INVERTER COOLING INLET, NO.1
G9239BBRACKET, INVERTER COOLING PIPE
G9257BRACKET, INVERTER, NO.5
G925BBRACKET, INVERTER, NO.6
9011906923
main90119-06923
9012608043
main90126-08043
9046721010
main90467-21010
9098211050
main90982-11050
9155180514
main91551-80514
9155180612
main91551-80612
9155380612
main91553-80612
9155380665
main91553-80665
91641C0612
main91641-C0612
9167180612
main91671-80612
9167180620
main91671-80620
9167180622
main91671-80622
91671B0816
main91671-B0816
9167380618
main91673-80618
9415180500
main94151-80500
9415180800
main94151-80800
31 parts on this diagram · 2 diagrams in section