E
EPC Data

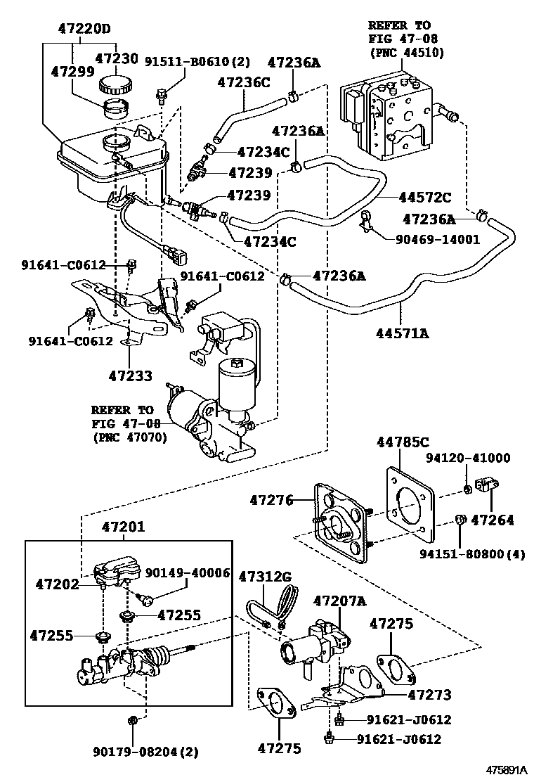
BRAKE MASTER CYLINDER

Parts diagram
44571AHOSE, BRAKE ACTUATOR, NO.1
main44571-50100i200704-200809
main44571-50110i200704-200809
44572CHOSE, BRAKE ACTUATOR, NO.2
main44572-50070i200704-200809
main44572-50080i200809-200911
44785CGASKET, BRAKE BOOSTER
main44785-47010i200704-200809
4708BRAKE TUBE & CLAMP
47201CYLINDER SUB-ASSY, BRAKE MASTER
main47201-50340i200704-200809
main47201-50350i200809-200911
47202RESERVOIR SUB-ASSY, BRAKE MASTER CYLINDER
main47221-50070i200809-200911
main47221-50080i200704-200809
47207ACYLINDER SUB-ASSY, BRAKE STROKE SIMULATOR
main47207-50010i200704-200809
main47207-50020i200704-200809
47220DRESERVOIR ASSY, BRAKE MASTER CYLINDER
main47220-50220i200704-200809
main47220-50230i200809-200911
main47220-50250i200911
main47220-50260i200911
47230CAP ASSY, BRAKE MASTER CYLINDER RESERVOIR FILLER
main47230-58010i200704-200809
47233BRACKET, RESERVOIR
main47233-50010i200704-200809
main47233-50020i200809-200911
47234CCLIP(FOR RESERVOIR TUBE NO.1)
main90467-14034×2i200809-200911
47236ACLIP(FOR RESERVOIR TUBE)
main96135-51300×4i200704-200809
47236CHOSE, RESERVOIR TUBE
main47234-50010i200911
main47234-50020i200809-200911
47239CONNECTOR, BRAKE MASTER CYLINDER RESERVOIR
main47231-50010×2i200704-200809
47255GROMMET, MASTER CYLINDER RESERVOIR
main47255-16010×2i200704-200809
47264CLEVIS, MASTER CYLINDER PUSH ROD
main47264-26030i200704-200809
47273BRACKET, BRAKE STROKE SIMULATOR
main47273-50010i200704-200809
main47273-50020i200809-200911
47275GASKET, BRAKE MASTER CYLINDER
main47275-12020×2i200704-200809
47276BRACKET, BRAKE MASTER CYLINDER
main47276-30040i200704-200809
47299STRAINER, BRAKE MASTER CYLINDER RESERVOIR
main47299-30190i200704-200809
47312GTUBE, BRAKE STROKE SIMULATOR
main44255-50040i200704-200809
main44255-50050i200704-200809
9014940006
9017908204
9046914001
91511B0610
91621J0612
91641C0612
9412041000
9415180800

29 parts on this diagram · 2 diagrams in section

BRAKE MASTER CYLINDER — Toyota Parts Diagram with OEM Numbers & Prices | EPC Data