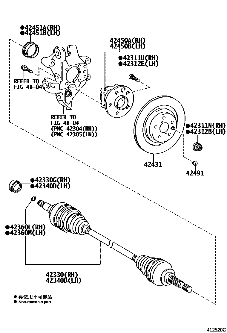
REAR AXLE SHAFT & HUB

42311NNUT(FOR REAR AXLE SHAFT RH)
42311UBOLT, HUB(FOR REAR AXLE RH)
42312BNUT(FOR REAR AXLE SHAFT LH)
42312EBOLT, HUB(FOR REAR AXLE LH)
42330SHAFT ASSY, REAR DRIVE, RH
42330GOIL SEAL, REAR DRIVE SHAFT, RH
42340BSHAFT ASSY, REAR DRIVE, LH
42340DOIL SEAL, REAR DRIVE SHAFT, LH
42360LRING, SHAFT SNAP (FOR REAR DRIVE SHAFT INBOARD JOINT RH)
42360MRING, SHAFT SNAP (FOR REAR DRIVE SHAFT INBOARD JOINT LH)
42431DISC, REAR
main42431-50100supersedes 42431-50090iUSF41..LHD..D4..EUR; USF41..RHD;USF41..HTWC;USF40,45,46;USF41..D4..(CHI,GCC)201209-201708
FRONT WHEEL BRAKE-18INCHES DISC,RH; RH
main42432-50010iUSF41..LHD..D4..EUR; USF41..RHD;USF41..HTWC;USF40,45,46;USF41..D4..(CHI,GCC)201209-201708
FRONT WHEEL BRAKE-18INCHES DISC,LH; LH
FRONT WHEEL BRAKE-17INCHES DISC
42450AHUB & BEARING ASSY, REAR AXLE, RH
42450BHUB & BEARING ASSY, REAR AXLE, LH
42451ADEFLECTOR, REAR WHEEL BEARING DUST, NO.1 RH
42451BDEFLECTOR, REAR WHEEL BEARING DUST, NO.1 LH
42491PLUG, SHOE ADJUSTING HOLE (FOR PARKING BRAKE)
4804REAR SPRING & SHOCK ABSORBER
17 parts on this diagram · 1 diagram in section