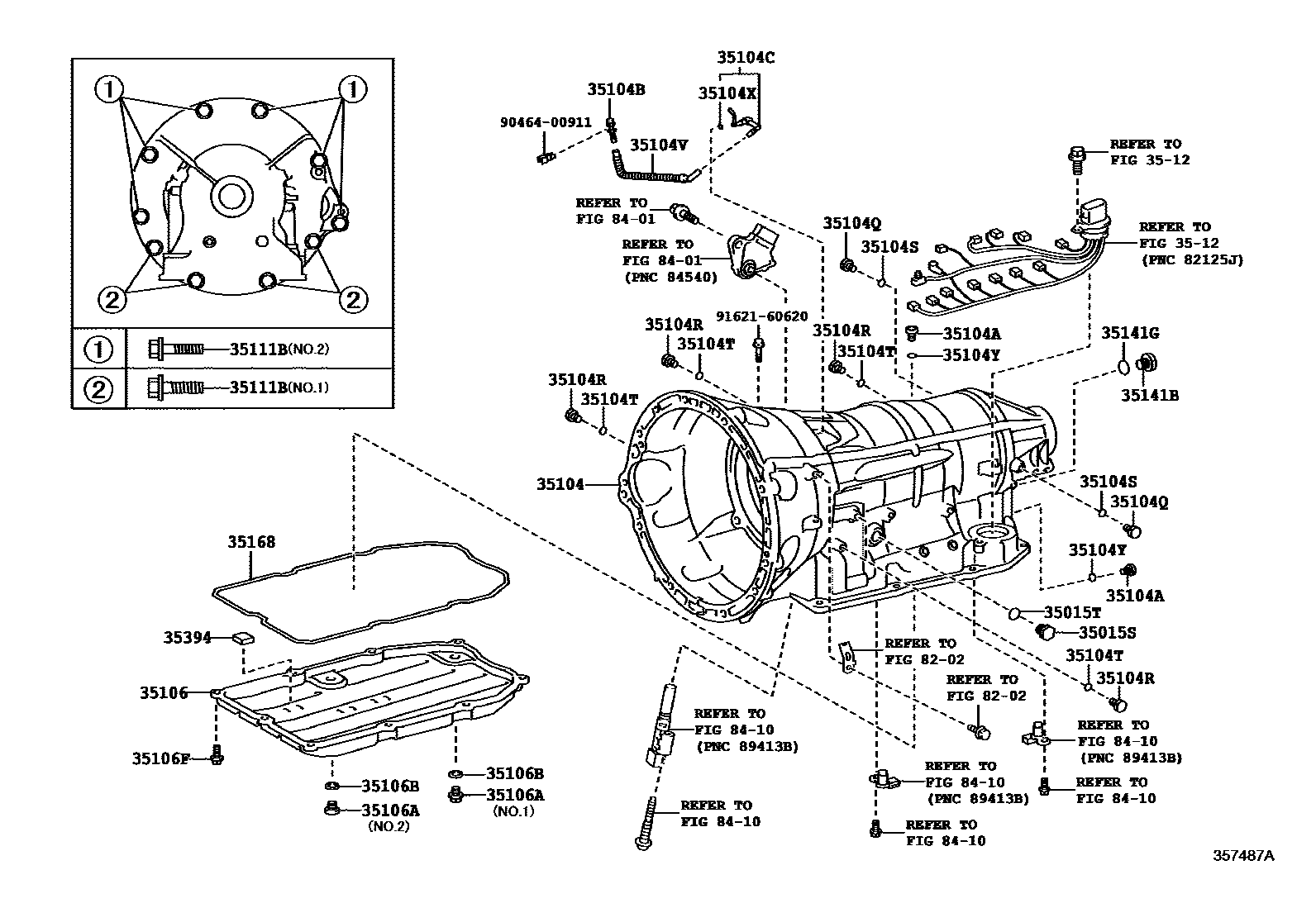
TRANSMISSION CASE & OIL PAN (ATM)

35015SPLUG, STRAIGHT(FOR TRANSMISSION CASE ADAPTER)
35015TRING, O(FOR TRANSMISSION CASE ADAPTER)
35104CASE SUB-ASSY, AUTOMATIC TRANSMISSION
35104APLUG, AUTOMATIC TRANSMISSION CASE
35104BPLUG, BREATHER, NO.1 (ATM)
35104CPLUG, BREATHER, NO.2 (ATM)
35104QPLUG, NO.1 (FOR TRANSAXLE CASE)
35104RPLUG, NO.2 (FOR TRANSAXLE CASE)
35104SRING, O (FOR TRANSAXLE CASE PLUG NO.1)
35104TRING, O (FOR TRANSAXLE CASE PLUG NO.2)
35104VHOSE (FOR BREATHER PLUG)
35104XRING, O (FOR BREATHER PLUG)
35104YRING, O (FOR AUTOMATIC TRANSMISSION CASE)
35106PAN SUB-ASSY, AUTOMATIC TRANSMISSION OIL
35106APLUG SUB-ASSY, DRAIN (ATM)
NO.1
NO.2
35106BGASKET, DRAIN PLUG (ATM)
35106FBOLT (FOR AUTOMATIC TRANSMISSION OIL PAN)
35111BBOLT (FOR TRANSMISSION HOUSING & ENGINE SETTING)
*10-1.25PX43-30,NO.1
*12-1.25PX50-30,NO.2
3512VALVE BODY & OIL STRAINER (ATM)
35141BPLUG (FOR AUTOMATIC TRANSMISSION CASE)
35141GRING, O (FOR AUTOMATIC TRANSMISSION CASE)
35168GASKET, AUTOMATIC TRANSMISSION OIL PAN
35394MAGNET, OIL CLEANER (FOR TRANSMISSION)
8202WIRING & CLAMP
8401SWITCH & RELAY & COMPUTER
8410OVERDRIVE & ELECTRONIC CONTROLLED TRANSMISSION
9046400911
main90464-00911
9162160620
main91621-60620
28 parts on this diagram · 1 diagram in section