HEATING & AIR CONDITIONING - CONTROL & AIR DUCT

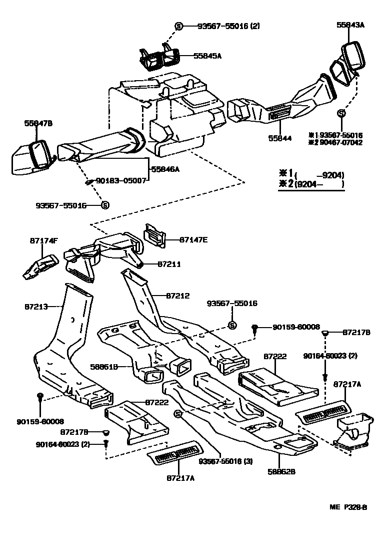
55843ADUCT, HEATER TO REGISTER, NO.1
55844DUCT, HEATER TO REGISTER, NO.2
55845ADUCT, HEATER TO REGISTER, NO.3
55846ADUCT, HEATER TO REGISTER, NO.4
55847BDUCT, HEATER TO REGISTER, NO.5
58861BDUCT, CONSOLE BOX, NO.1
58862BDUCT, CONSOLE BOX, NO.2
87147EGUIDE, AIR HEATER
RED,TRIM3#
GRAY,TRIM1#
BLUE,TRIM8#
ROSE,TRIM4#
IVORY,TRIM0#
IVORY,TRIM0#
SLATE GRAY,TRIM1#
BLACK,TRIM2#
EISEN BLUE,TRIM8#
ME.TAUPE,TRIM9#
GRAY,TRIM1#
BLUE,TRIM8#
ROSE,TRIM4#
IVORY,TRIM0#
IVORY,TRIM0#
SLATE GRAY,TRIM1#
BLACK,TRIM2#
EISEN BLUE,TRIM8#
ME.TAUPE,TRIM9#
87174FGUIDE, AIR HEATER
87212DUCT, AIR, REAR NO.1
87213DUCT, AIR, REAR NO.2
87217ADUCT, AIR, REAR NO.6
RED,TRIM3#
GRAY,TRIM1#
BLUE,TRIM8#
ROSE,TRIM4#
IVORY,TRIM0#
RED,TRIM3#
GRAY,TRIM1#
BLUE,TRIM8#
ROSE,TRIM4#
IVORY,TRIM0#
IVORY,TRIM0#
SLATE GRAY,TRIM1#
BLACK,TRIM2#
EISEN BLUE,TRIM8#
ME.TAUPE,TRIM9#
87217BPLUG, AIR DUCT
RED,TRIM3#
GRAY,TRIM1#
BLUE,TRIM8#
ROSE,TRIM4#
IVORY,TRIM0#
BLACK,TRIM2#
IVORY,TRIM0#
SLATE GRAY,TRIM1#
EISEN BLUE,TRIM8#
ME.TAUPE,TRIM9#
87222GUIDE, AIR DUCT, REAR
9015960008
main90159-60008
9016460023
main90164-60023
9018305007
main90183-05007
9046707042
main90467-07042
9356755016
main93567-55016
20 parts on this diagram · 4 diagrams in section