E
EPC Data

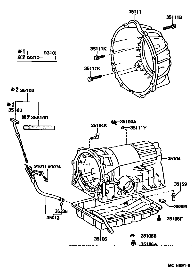
TRANSMISSION CASE & OIL PAN (ATM)

Parts diagram
35013TUBE SUB-ASSY, TRANSMISSION OIL FILLER
main35013-50011i198912-199208
main35013-50020i199208-199410
35103GAGE SUB-ASSY, TRANSMISSION OIL LEVEL
main35103-50010i198912-199003
main35103-50020i199003-199310
main35103-50021i199310-199410
35104CASE SUB-ASSY, AUTOMATIC TRANSMISSION
main35104-30170i199110-199410
main35104-50012i198912-199110
35104APLUG, AUTOMATIC TRANSMISSION CASE
main90341-08001×2i198912-199410
35104BPLUG, BREATHER, NO.1 (ATM)
main90930-03108i198912-199410
35106PAN SUB-ASSY, AUTOMATIC TRANSMISSION OIL
main35106-50011i198912-199410
35106APLUG SUB-ASSY, DRAIN (ATM)
main90341-10012i198912-199410
35106BGASKET, DRAIN PLUG (ATM)
main35178-50010i198912-199410
35106FBOLT (FOR AUTOMATIC TRANSMISSION OIL PAN)
main90119-06513×19i198912-199410
35111HOUSING, AUTOMATIC TRANSMISSION
main35111-50010i198912-199410
35111BBOLT (FOR TRANSMISSION HOUSING & ENGINE SETTING)
main91611-61040×4i198912-199301
*10-1.25PX40-30
main91611-61045×4i199301-199410
*10-1.25PX95-50
main91619-61250×6i198912-199410
*12-1.25PX50-30
35111KBOLT (FOR TRANSMISSION HOUSING & CASE SETTING)
main90119-10232×4i198912-199410
*10-1.5PX35-30
main90119-12036×2i198912-199208
*12-1.25PX80-30
main90119-12255i199208-199410
*12-1.75PX45-30
35111YRING, O (FOR AUTOMATIC TRANSMISSION CASE)
main90301-06196×2i198912-199410
35159GASKET, BRAKE DRUM
main35159-30010i198912-199410
35336RING, O (FOR TRANSMISSION OIL FILLER TUBE)
main90301-09011i198912-199410
35394MAGNET, OIL CLEANER (FOR TRANSMISSION)
main35394-30011×4i198912-199305
35519DLABEL, AUTOMATIC TRANSMISSION INFORMATION
main35519-24020i199310-199410
9161161014

18 parts on this diagram · 1 diagram in section

TRANSMISSION CASE & OIL PAN (ATM) — Toyota Parts Diagram with OEM Numbers & Prices | EPC Data