E
EPC Data

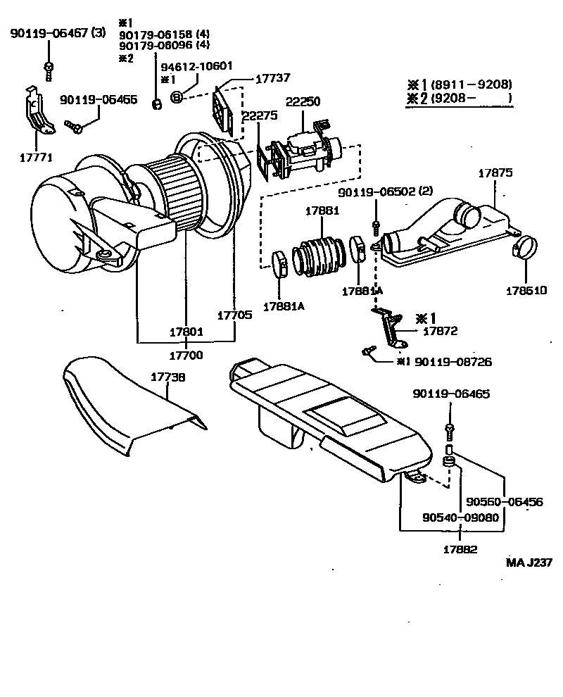
AIR CLEANER

Parts diagram
17700CLEANER ASSY, AIR
main17700-50020i198912-199410
17705CAP SUB-ASSY, AIR CLEANER
main17705-50010i198912-199410
17737COVER, AIR CLEANER
main17737-50010i198912-199410
17738COVER, AIR CLEANER, NO.2
main17738-50010i198912-199410
17771BRACKET, AIR CLEANER INLET DUCT
main17771-50010i198912-199410
17801ELEMENT SUB-ASSY, AIR CLEANER FILTER
main17801-50010i198912-199410
17861DCLAMP(FOR INTAKE AIR CONNECTOR)
main90460-96001i198912-199410
17872BRACKET, INTAKE AIR CONNECTOR
main17872-50010i198912-199208
17875PIPE, INTAKE AIR CONNECTOR
main17875-50010i198912-199208
main17875-50060i199208-199410
17881HOSE, AIR CLEANER, NO.1
main17881-50010i198912-199410
17881ACLAMP(FOR AIR CLEANER HOSE, NO.1)
main90460-92001i198912-199410
PIPE SIDE
main90460-96001i198912-199410
AIR FLOW METER SIDE
17882HOSE, AIR CLEANER, NO.2
main17890-50010i198912-199208
main17890-50030i199208-199410
22250METER ASSY, INTAKE AIR FLOW
main22250-50010i198912-199410
22275GASKET, AIR FLOW METER
main22275-50010i198912-199410
9011906465
9011906466
9011906467
9011906502
9011908726
9017906096
9017906158
9054009080
9056006456
9461210601

24 parts on this diagram · 1 diagram in section

AIR CLEANER — Toyota Parts Diagram with OEM Numbers & Prices | EPC Data