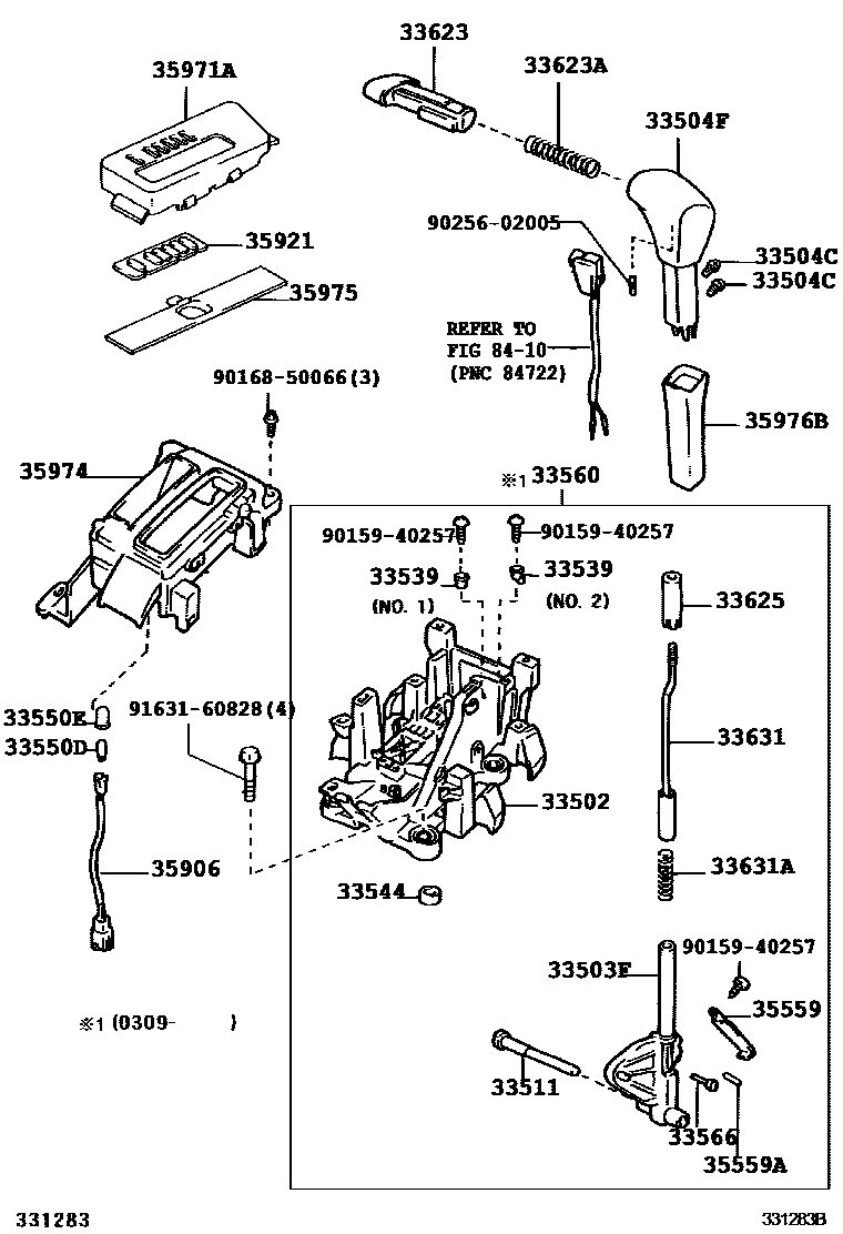
SHIFT LEVER & RETAINER

33502PLATE SUB-ASSY, SHIFT LEVER
33503FLEVER SUB-ASSY, SHIFT(FOR FLOOR SHIFT)
33504CSCREW (FOR SHIFT LEVER KNOB SETTING)
33504FKNOB SUB-ASSY, SHIFT LEVER
33511SHAFT, CONTROL (FOR FLOOR SHIFT)
33539CUSHION, SHIFT LEVER ANTI-RATTLE
NO.1
NO.2
33544INSERT, SHIFT LEVER, NO.1
33550DBULB, POSITION INDICATOR LAMP
12V 3.4W
33550ECAP, POSITION INDICATOR LAMP
33560UNIT ASSY, SHIFT LOCK CONTROL
33566PIN, SHIFT LEVER STOP
33623BUTTON, SHIFT LEVER KNOB
33623ASPRING, COMPRESSION (FOR SHIFT LEVER KNOB BUTTON)
33625SLEEVE, SHIFT LEVER KNOB
33631ROD, DETENT
33631ASPRING, COMPRESSION (FOR DETENT ROD)
35559SPRING, MANUAL DETENT
35559APIN (FOR MANUAL DETENT SPRING)
35906WIRE SUB-ASSY, INDICATOR LAMP
35921PLATE, CONTROL POSITION INDICATOR
35971AHOUSING, POSITION INDICATOR, UPPER
35974HOUSING, POSITION INDICATOR, LOWER
35975COVER, SLIDE (FOR POSITION INDICATOR)
35976BCOVER, SHIFT LEVER KNOB (FOR FLOOR SHIFT)
9015940257
main90159-40257
9016850066
main90168-50066
9025602005
main90256-02005
9163160828
main91631-60828
28 parts on this diagram · 2 diagrams in section