E
EPC Data

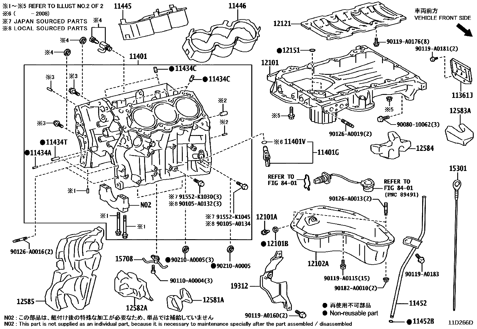
CYLINDER BLOCK

Parts diagram
11361JCOVER, FLYWHEEL HOUSING UNDER
main11361-0P030i201806-202008
11401BLOCK SUB-ASSY, CYLINDER
main11401-09A11i201806-202008
main11401-80062i202201
(J)
11401GSENSOR, CRANK POSITION
main90919-05090i201806-202008
11401VO-RING, CRANK POSITION SENSOR
main90301-14016i201806-202008
11434APIN, STRAIGHT(FOR TIMING GEAR COVER SET)
main90250-04097×2i201806-202008
L=12,OD=4.0
11434CPIN, STRAIGHT (FOR CYLINDER HEAD SET)
main90250-08120×4i201806-202008
L=18,OD=8
11434TPIN, RING(FOR TIMING BELT IDLER BRACKET SET)
main90250-10030i201806-202008
11445SPACER, CYLINDER BLOCK WATER JACKET
main11445-0P020i201806-202008
11446SPACER, CYLINDER BLOCK WATER JACKET, LH
main11446-0P020i201806-202008
11452GUIDE, OIL LEVEL GAGE
main11452-0P070i201806-202008
11452BRING, O(FOR OIL LEVEL GAGE GUIDE)
main96721-19010i201806-202008
12101PAN SUB-ASSY, OIL
main12101-0P050i202008
12101APLUG(FOR OIL PAN DRAIN)
main90341-A0007i201806-202008
12101BGASKET(FOR OIL PAN DRAIN PLUG)
main90430-12031i201806-202008
(J)
main90430-A0006i202008
(L)
12102APAN SUB-ASSY, OIL, NO.2
main12102-0P041i201806-202008
12121PLATE, OIL PAN BAFFLE, NO.1
main12121-0P040i201806-202008
12151GASKET, OIL PAN
main12151-0P010×2i201806-202008
12581AINSULATOR, CYLINDER BLOCK, NO.1
main12581-0P010i201806-202008
12582AINSULATOR, CYLINDER BLOCK, NO.2
main12582-0P010i202008
12583AINSULATOR, CYLINDER BLOCK, NO.3
main12583-0P010i201806-202008
12584INSULATOR, CYLINDER BROCK, NO.4
main12584-0P010i201806-202008
12585INSULATOR, CYLINDER BROCK, NO.5
main12585-0P010i201806-202008
15301GAGE SUB-ASSY, OIL LEVEL
main15301-0P050i201806-202008
15708NOZZLE SUB-ASSY, OIL, NO.1
main15708-31050×3i201806-202008
19312PROTECTOR, CRANK POSITION SENSOR
main19312-0P010i201806-202001
main19312-31010i202001-202008
(J)
8401SWITCH & RELAY & COMPUTER
9008010062
90105A0132
90105A0134
90110A0004
90119A0115
90119A0160
90119A0176
90119A0181
90119A0183
90126A0013
90126A0016
90126A0019
90182A0010
90210A0005
91552K1030
91552K1045

42 parts on this diagram · 2 diagrams in section

CYLINDER BLOCK — Toyota Parts Diagram with OEM Numbers & Prices | EPC Data